EasyManua.ls Logo

Omnicomm Optim 3.0 - Connecting the Controllable Auxiliary Equipment; Transportation and Storage

Omnicomm Optim 3.0
Print Icon
To Next Page IconTo Next Page
To Next Page IconTo Next Page
To Previous Page IconTo Previous Page
To Previous Page IconTo Previous Page
Loading...
EN
38
Electronic version
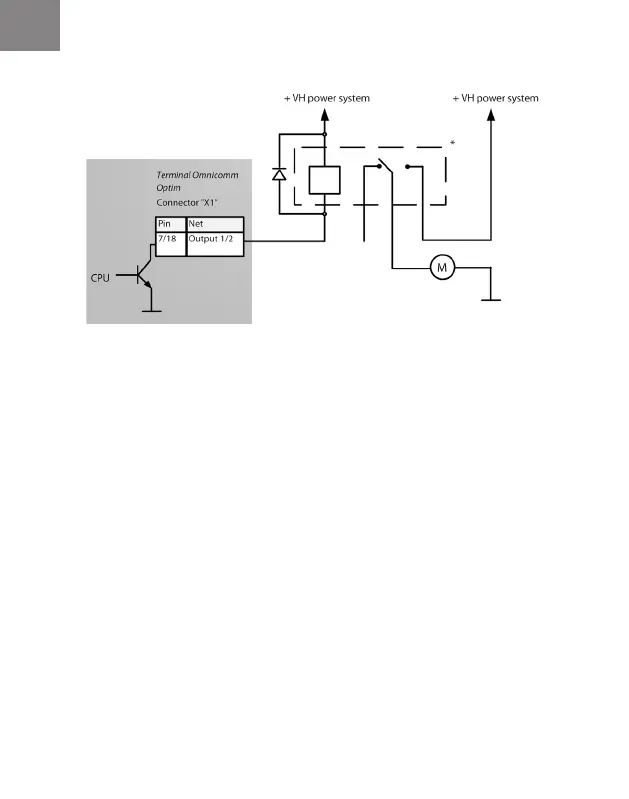
Connecting the controllable auxiliary equipment
*Relay with triggering voltage compatible with voltage of VH power
system of a particular (12 or 24 V)
Transportation and storage
A transport packaging is strongly recommended for transportation
of the device. The device can be transported at temperatures ranging
from – 25 to + 70 °С and the relative humidity not exceeding 50 %
(at 35 °С).
The device is allowed to be transported in the enclosed transport
of all types. While transporting by air, the device must be kept in a
heated and sealed compartment.
The devices shelf life cannot exceed 5 years following the date of
manufacture.
Figure 17. Scheme of connection to controllable auxiliary equipment

Related product manuals