EasyManua.ls Logo

Omron CP1E-ED - Page 187

Omron CP1E-ED
262 pages
Print Icon
To Next Page IconTo Next Page
To Next Page IconTo Next Page
To Previous Page IconTo Previous Page
To Previous Page IconTo Previous Page
Loading...
8 Using Expansion Units and Expansion I/O Units
8-32
CP1E CPU Unit Hardware User’s Manual(W479)
Additional Information
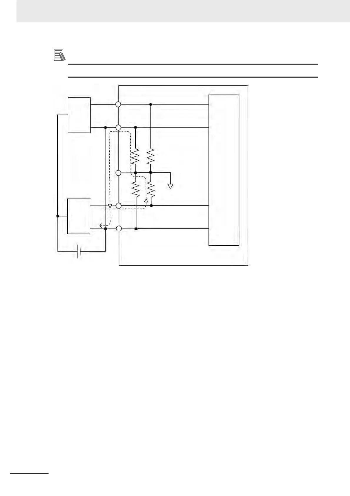
Refer to the following information on open circuits when using voltage inputs.
Example: If connected device 2 is outputting 5 V and the same power supply is being used for both
devices as shown above, approximately 1/3, or 1.6 V, will be applied to the input for input device 1.
If a wiring disconnection occurs when voltage input is being used, the situation described below will
result. Either separate the power supplies for the connected devices, or use an isolator for each input.
If the same power supply is being used by the connected devices and a disconnection occurs at
points A or B in the above diagram, an unwanted circuit path will occur as shown along the dotted line
in the diagram. If that occurs, a voltage of approximately 1/3 to 1/2 of the output voltage of the other
connected device will be generated.
If that voltage is generated while the setting is for 1 to 5 V, open-circuit detection may not be possible.
If a disconnection occurs at point C in the diagram, the negative (-) side will be used for both devices
and open-circuit detection will not be possible.
This problem will not occur for current inputs even if the same power supply is used.
24 VDC
A
CB
Analog
input
device 1
Analog
input
device 2
Internal
circuits

Table of Contents

Related product manuals