EasyManua.ls Logo

Onkyo TX-SR707

Onkyo TX-SR707
128 pages
To Next Page IconTo Next Page
To Next Page IconTo Next Page
To Previous Page IconTo Previous Page
To Previous Page IconTo Previous Page
Loading...
32
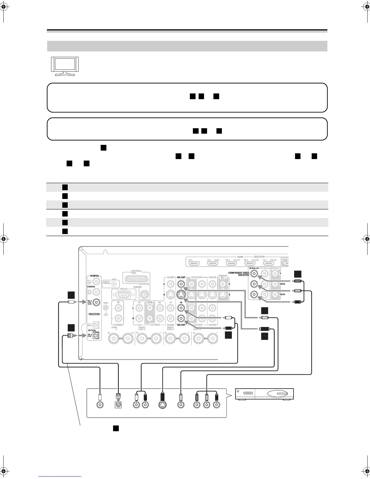
Connecting the AV receiver—Continued
With this hookup, you can use your satellite or cable receiver to listen to your favorite TV programs
via the AV receiver, useful if your TV has no audio outputs.
With connection , you can listen to and record audio from the video source or listen in Zone 2.
To enjoy Dolby Digital and DTS, use connection or . (To record or listen in Zone 2 as well, use and ,
or and .)
Connecting a Satellite, Cable, Terrestrial Set-top box, or Other Video Source
Connection AV receiver Signal flow Video source
COMPONENT VIDEO IN 2 (CBL/SAT) Component video output
CBL/SAT IN S S-Video output
CBL/SAT IN V Composite video output
CBL/SAT IN L/R Analog audio L/R output
DIGITAL COAXIAL IN 3 (CBL/SAT) Digital coaxial output
DIGITAL OPTICAL IN 2 (CD) Digital optical output
Hint!
Step 1: Video Connection
Choose a video connection that matches the video source ( , , or
), and then make the connection.
You must connect the AV receiver to your TV via the same type of connection.
A B C
Step 2: Audio Connection
Choose an audio connection that matches the video source ( , , or ), and then make the connection.
a b c
a
b c a b
a c
A
B
C
a
b
c
COAXIAL
OUT
OPTICAL
OUT
AUDIO
OUT
LR
S VIDEO
OUT
VIDEO
OUT COMPONENT VIDEO OUT
YPB PR
b
a
A
C
B
c
Satellite, cable,
set-top box, etc.
When you use connection , you need to assign the digital audio input (see page 46).
c
TX-SR707_En.book Page 32 Tuesday, July 28, 2009 1:03 PM

Table of Contents

Other manuals for Onkyo TX-SR707

Related product manuals