EasyManua.ls Logo

Opacmare 3040 - Page 19

Opacmare 3040
30 pages
Print Icon
To Next Page IconTo Next Page
To Next Page IconTo Next Page
To Previous Page IconTo Previous Page
To Previous Page IconTo Previous Page
Loading...
18
USE AND MAINTENANCE INSTRUCTIONS
MANUALE DI USO E MANUTENZIONE
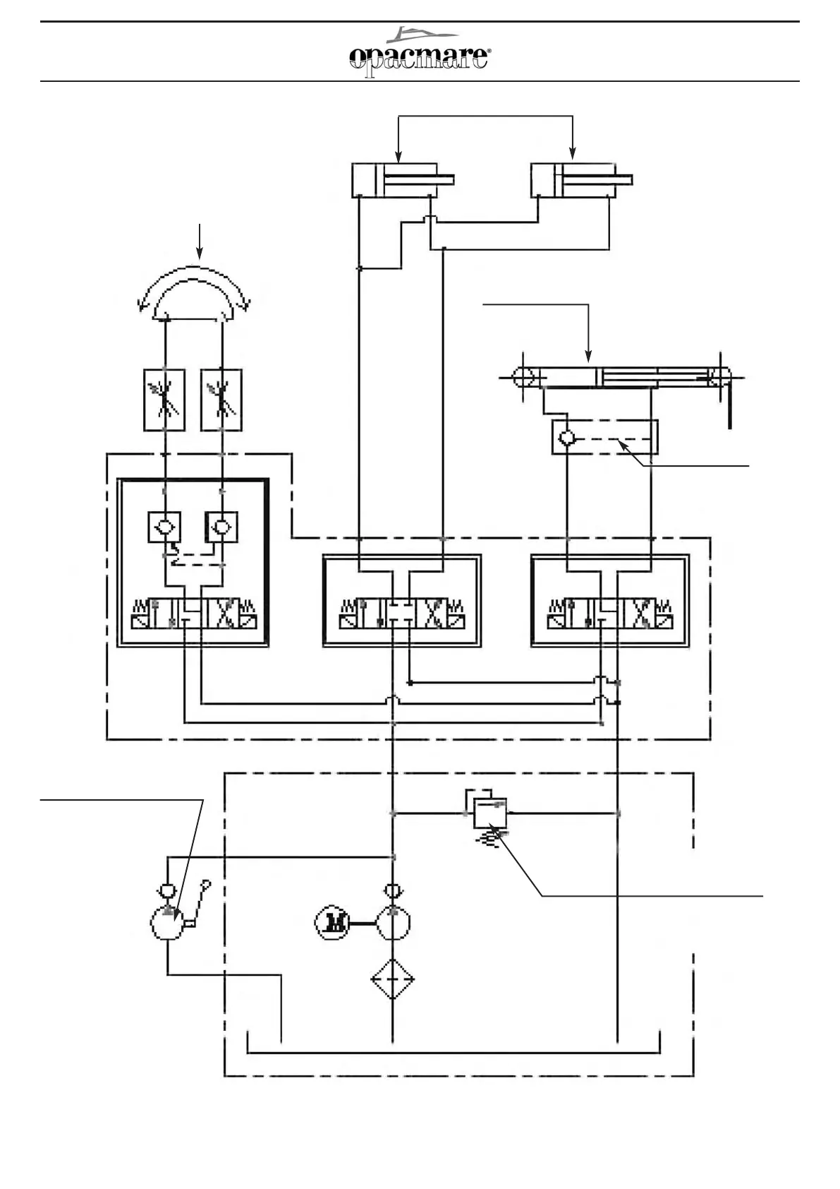
Box crane
Gruette da box
Emergency manual pump
Pompa a mano emergenza
Picture6D: Hydraulic diagram for model 3053 / Fig.6D Schema idraulico per modello 3053
Max pressare regulation
valve (160bar)
Valvola regolatrice di
pressione max (160bar)
Block valve
Valvola di blocco
Hydraulic hoist
Paranco idraulico
Hydraulic actuator
Attuatore idraulico
Extract cylindres
Cilindri di sfilo

Table of Contents