EasyManua.ls Logo

Opacmare 3040 - Hydraulic Diagram Mod.3040-3042-3045-3051; Schema Idraulico Mod.3040-3042-3045-3051

Opacmare 3040
30 pages
Print Icon
To Next Page IconTo Next Page
To Next Page IconTo Next Page
To Previous Page IconTo Previous Page
To Previous Page IconTo Previous Page
Loading...
14
USE AND MAINTENANCE INSTRUCTIONS
MANUALE DI USO E MANUTENZIONE
Box crane
Gruette da box
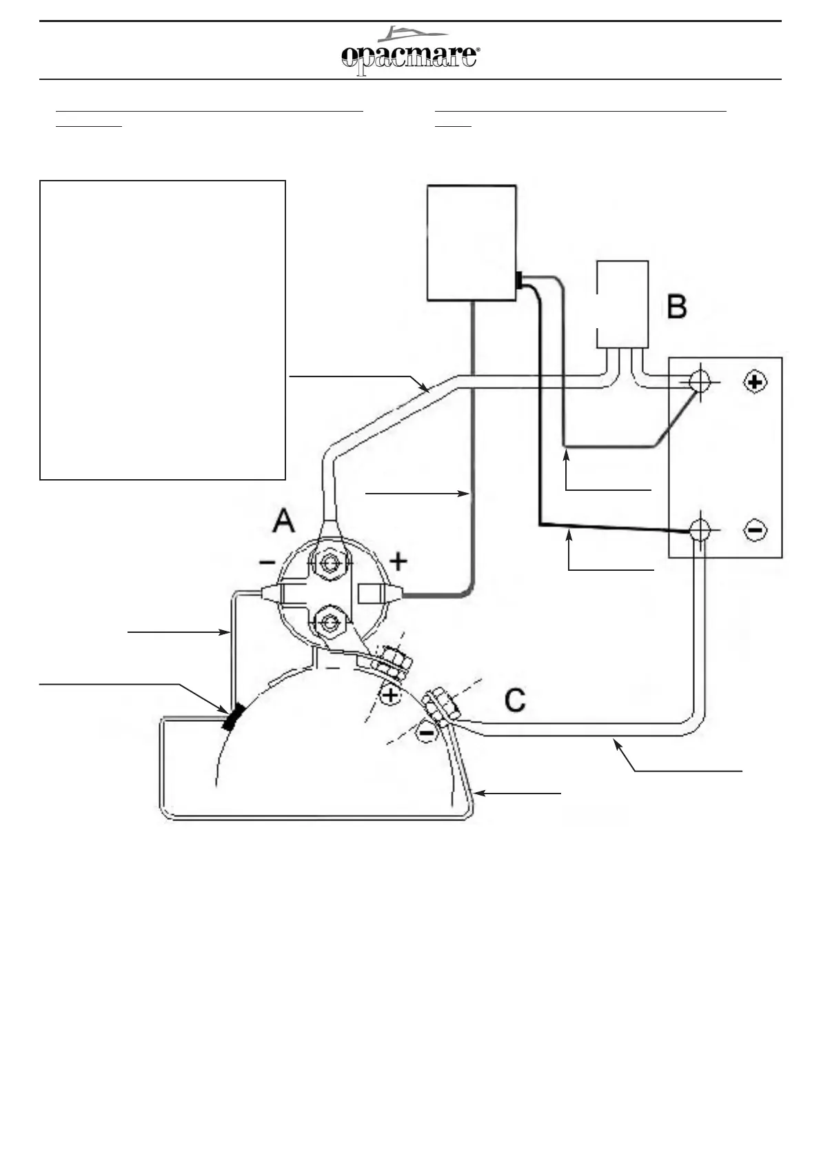
ã Electric connection for hydraulicpower motors
(picture 5)
ã Collegamento elettrico motore su centralina
(fig.5)
THE FEEDER OF THE ELECTRONICS
SYSTEM MUST BE KEEP IN PARALLEL
ON THE + AND – OF THE BATTERY.
THE FEEDER OF THE MOTOR MUST BE
CARRY OUT CONNECTING WITH THE
CABLES OF THE POWER THE POSITIVE
OF THE BATTERY TO THE RELAY “A” BY
THE FUSE”B” AND THEN CONNECTING
THE NEGATIVE TO THE BATTERY
CONNECTOR “C”.
L’ALIMENTAZIONE DELLA CENTRALINA
ELETTRONICA DEVE ESSERE PRESA IN
PARALLELO AL + E – DELLA BATTERIA.
L’ALIMENTAZIONE DEL MOTORE DEVE
ESSERE ATTUATA COLLEGANDO CON I
CAVI DI POTENZA IL POSITIVO DELLA
BATTERIA AL CONTATTO DI POTENZA
DEL RELÈ “A” ATTRAVERSO IL FUSIBILE
“B” E IL NEGATIVO DELLA BATTERIA
AL MORSETTO “C”.
Electronics
system
Centralina
elettronica
Cable of power
Cavo di potenza
Yellow cable
Filo giallo
Thermic switch
Interruttore termico
Motore
Motor
Yellow cable
Filo giallo
Cable of power
Cavo di potenza
Black cable
Filo nero
Battery
Batteria
Fuse
Fusibile
Red cable
Filo rosso
Red cable
(relay control)
Filo rosso
(comando relè)

Table of Contents