Home
Optimum
Drill
OPTIDRILL B 23PRO
Page 64 (B33 Pro, B33 Pro Vario)
Optimum OPTIDRILL B 23PRO - B33 Pro, B33 Pro Vario
86 pages
Manual
Save Page as PDF
To Next Page
To Next Page
To Previous Page
To Previous Page
Loading...
OPTIMUM
MASCHINEN - GERMANY
Ersatzteile - S
pare p
arts - B17Pro, B23Pro, B26Pro, B33Pro - (V
ario)
V
ersion 2.0.2 2014-1
1-04
64
Originalbetriebsanleitung
B17Pro | B23Pro | B26Pro | B33Pro
DE | GB
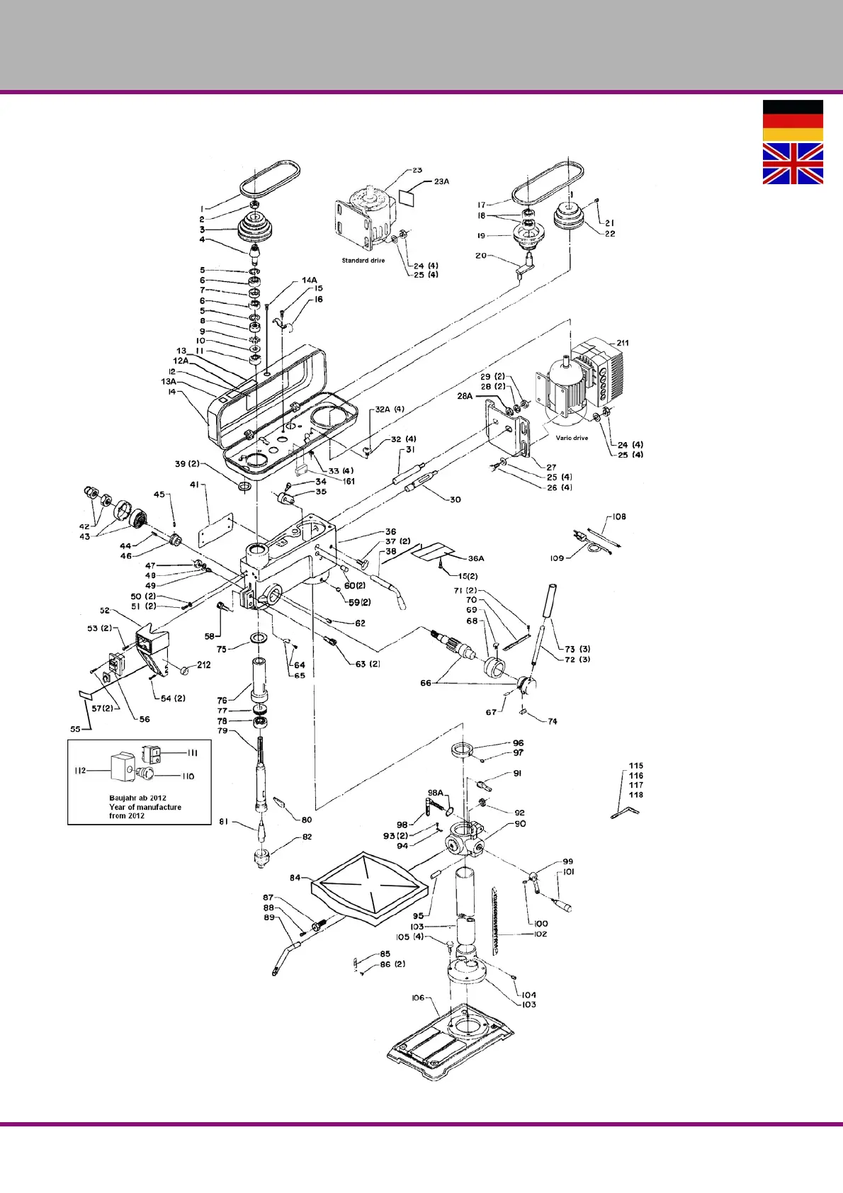
7.4
B33Pro, B33Pro V
ario
Abb.
7-4: B33Pro, B33Pro V
ario
63
65
Table of Contents
Main Page
Default Chapter
2
Table of Contents
2
1 Safety
6
Safety Instructions (Warning Notes)
8
Classification of Hazards
8
Other Pictograms
9
Intended Use
9
Reasonably Foreseeable Misuse
10
Avoiding Misuses
10
Possible Dangers Caused by the Drilling Machine
11
Qualification of the Staff
11
Target Group
11
Authorized Staff
12
Operator Positions
13
Safety Measures During Operation
13
Safety Devices
13
EMERGENCY-STOP Push Button
14
Separating Protective Devices
14
Covering Cap of the Pulley
14
Drill Chuck Protection
14
Drilling Table
15
Prohibition, Warning and Mandatory Signs
15
Safety Check
15
Individual Protection Gear
16
Safety During Operation
17
Safety During Maintenance
17
Disconnecting and Securing the Drilling Machine
17
Using Lifting Equipment
17
Mechanical Maintenance Work
18
Accident Report
18
Electrical System
18
2 Technical Data
19
Electrical Connection
19
Power Drive Motor
19
Drilling Capacity in Steel S235JR
19
Continuous Drilling Capacity in Steel S235JR
19
Spindle Seat
19
T-Slots - Size
19
Spindle Stroke
19
Throat Depth
19
Machine Height
19
Emissions
20
Weight of Machine [Kg]
20
Spindle Speeds
20
Environmental Conditions Temperature
20
3 Assembly 3.1 Scope of Delivery
22
Transport
22
Storage
23
Installation and Assembly
23
Requirements to the Installation Site
23
Assembly
24
Installation
27
Fixing
27
First Commissioning
29
Warming up the Machine
30
Drilling Machines with Frequency Converter
30
4 Operation
31
Control and Indicating Elements
31
Operation 4.1 Control and Indicating Elements
31
Safety
32
Drill Depth Stop
32
Inclination Table
32
Speed Change
33
Speed Tables
33
Standard Values for Speeds with HSS - Eco - Twist Drilling
37
Switching on the Machine
37
Switching off the Machine
37
Quick-Action Drill Chuck
37
Disassembly Quick- Action Drill Chuck
38
Assembly Quick- Action Drill Chuck
38
Cooling
38
Before Starting Work
39
During Work
39
5 Determining the Cutting Speed and the Speed
40
Speed Table
40
Examples to Calculatory Determine the Required Speed for Your Drilling Machine
42
6 Maintenance
43
Safety
43
Preparation
43
Restarting
43
Inspection and Maintenance
44
Repair
46
Customer Service Technician
46
7 Ersatzteile - Spare Parts - B17Pro, B23Pro, B26Pro, B33Pro - (Vario)
47
OPTI B17Pro
47
Bohrfutterschutz Alter Typ - Drill Chuck Protection Old Type - B17Pro
48
Ersatzteilliste B17Pro
48
Bohrfutterschutz Neuer Typ - Drill Chuck Protection New Type - B17Pro
51
B23Pro, B23Pro Vario
52
Ersatzteilliste B23Pro, B23Pro Vario
53
Bohrfutterschutz Alter Typ - Drill Chuck Protection Old Type - B23Pro
56
Bohrfutterschutz Neuer Typ - Drill Chuck Protection New Type - B23Pro
57
OPTI B26Pro, B26Pro Vario
58
Ersatzteilliste B26Pro, B26Pro Vario
59
Bohrfutterschutz Alter Typ - Drill Chuck Protection Old Type - B26Pro
62
Bohrfutterschutz Neuer Typ - Drill Chuck Protection New Type - B26Pro
63
B33Pro, B33Pro Vario
64
Ersatzteilliste B33Pro, B33Pro Vario
65
Bohrfutterschutz Alter Typ - Drill Chuck Protection Old Type - B33Pro
68
Bohrfutterschutz Neuer Typ - Drill Chuck Protection New Type - B33Pro
69
Schaltplan - Wiring Diagram - B17Pro, B23Pro - 230V
70
Schaltplan - Wiring Diagram - B23Pro, B26Pro, B33Pro - 400 V
71
Schaltplan - Wiring Diagram - B23Pro Vario, B26Pro Vario, B33Pro Vario
72
8 Malfunctions
73
Malfunctions on the Drilling Machine
73
Malfunctions 8.1 Malfunctions on the Drilling Machine
73
9 Annex
74
Copyright
74
Terminology/Glossary
74
Change Information Manual
74
Annex 9.1 Copyright
74
Liability Claims for Defects / Warranty
75
Advice for Disposal / Options of Re-Use
75
Decommissioning
76
Disposal of the Packaging of the New Machine
76
Disposal of the Used Machine
76
Disposal of Electrical and Electronic Components
76
Disposal of Lubricants and Cooling Lubricants
77
Disposal Via Municipal Collecting Points
77
Rohs , 2002/95/CE
77
Product Follow-Up
77
EC - Declaration of Conformity B17Pro
78
EC - Declaration of Conformity B23Pro
79
EC - Declaration of Conformity B23Pro Vario
80
EC - Declaration of Conformity B26Pro
81
EC - Declaration of Conformity B26Pro Vario
82
EC - Declaration of Conformity B33Pro
83
EC - Declaration of Conformity B33Pro Vario
84
Related product manuals
Optimum Optidrill B 24H
113 pages
Optimum OPTIdrill B 40GSP
79 pages
Optimum OPTIDRILL B 17PRO
86 pages
Vario Select OptiDrill B 30VGM
70 pages
Optimum Optidrill DM35
74 pages
Optimum OPTIdrill DP 26
46 pages
Optimum OptiDrill DQ 22
64 pages
Optimum OptiDrill DQ 14
64 pages
Optimum OptiDrill DH45V
76 pages
Optimum OptiDrill DQ 18
64 pages
Optimum OPTIdrill D17 Pro
136 pages
Optimum OPTidrill DH 28GSV
116 pages