EasyManua.ls Logo

Optimus Compact - Módulo de Alimentación y Control A495 MP

Optimus Compact
68 pages
Print Icon
To Next Page IconTo Next Page
To Next Page IconTo Next Page
To Previous Page IconTo Previous Page
To Previous Page IconTo Previous Page
Loading...
COMPACT versión 5.2.002 ESP
7
Matriz de audio modular
con conexión IP
COMPACT
4ETH
R + D Department
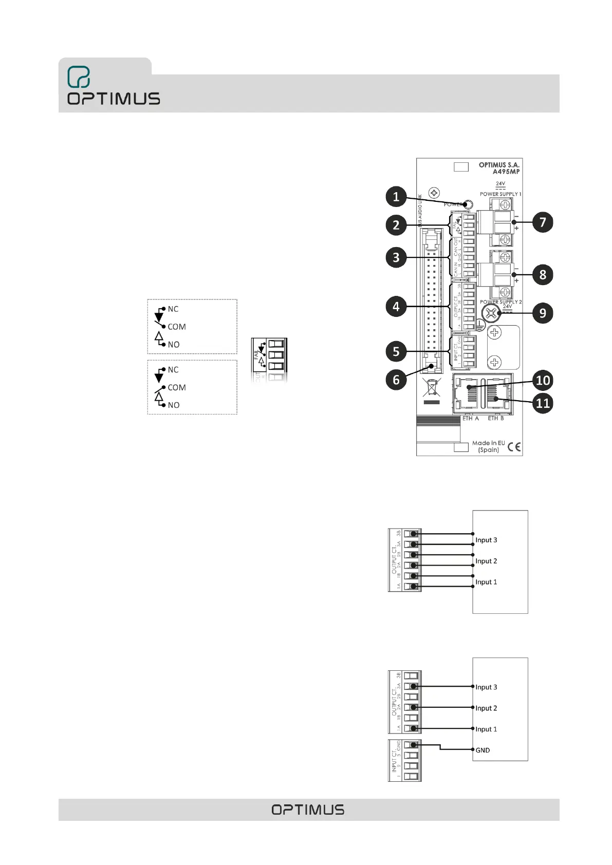
3.1. Módulo de alimentación y control A495MP
1) Indicador POWER. Indicador de alimentación del equipo.
2) Contactos FAIL
Relé indicador de fallo en el sistema.
El contacto COM unido al contacto NO indica que no hay alarmas en el
sistema. Si, por el contrario, COM está unido a NC, indica equipo
apagado o alarmas detectadas (figura 4).
Máxima corriente de carga DC: 150 mA.
Máximo voltaje de carga DC o AC peak: 350V
3) Contactos BUS CAN
Bus de comunicación de datos entre la matriz COMPACT, las matrices
de expansión COMPACT-E y los periféricos CAN.
Para su conexión se recomienda la utilización de un cable de par
trenzado y apantallado AWG24. Vea apartados 5.3. Conexión entre
COMPACT y COMPACT-E y 5.4. Conexión entre COMPACT y periféricos
CAN.
4) Contactos de salida OUTPUT CT
Dispone de tres contactos de salida. Cada contacto está formado por
dos terminales (A y B) configurables mediante unos DIP switchs internos
como contactos secos (con o sin resistencia de 3K3) o referenciados a
masa (contacto A). Para su configuración siga la figura 7 de la página
siguiente.
La funcionalidad y el estado de reposo (NC/NO) se configuran a través
del software Call Point. Pueden configurarse como contactos de
propósito general, o en sistemas de evacuación como contactos de
notificación de fallo, indicador de Modo Emergencia activado…
Para su conexión como contactos secos siga la figura 5. Si desea
contactos referenciados a masa, siga la figura 6.
ATENCIÓN: Max. Corriente de carga DC: 150 mA.
Max. voltaje de carga DC o AC peak: 350V.
Figura 3
Figura 4
Equipo
apagado
o alarmas
detectadas
Sin
alarmas
Figura 5
CONEXIÓN DE LOS CONTACTOS DE
SALIDA COMO CONTACTOS SECOS
EQUIPO
EXTERNO
Figura 6
CONEXIÓN DE LOS CONTACTOS DE SALIDA
COMO CONTACTOS REFERENCIADOS A MASA
EQUIPO
EXTERNO

Table of Contents

Other manuals for Optimus Compact

Related product manuals