EasyManua.ls Logo

Optimus Compact - 3.1. Power and Control Module

Optimus Compact
68 pages
Print Icon
To Next Page IconTo Next Page
To Next Page IconTo Next Page
To Previous Page IconTo Previous Page
To Previous Page IconTo Previous Page
Loading...
COMPACT version 5.2.002 ENG
7
Modular audio matrix
with IP connection
COMPACT
4ETH
R + D Department
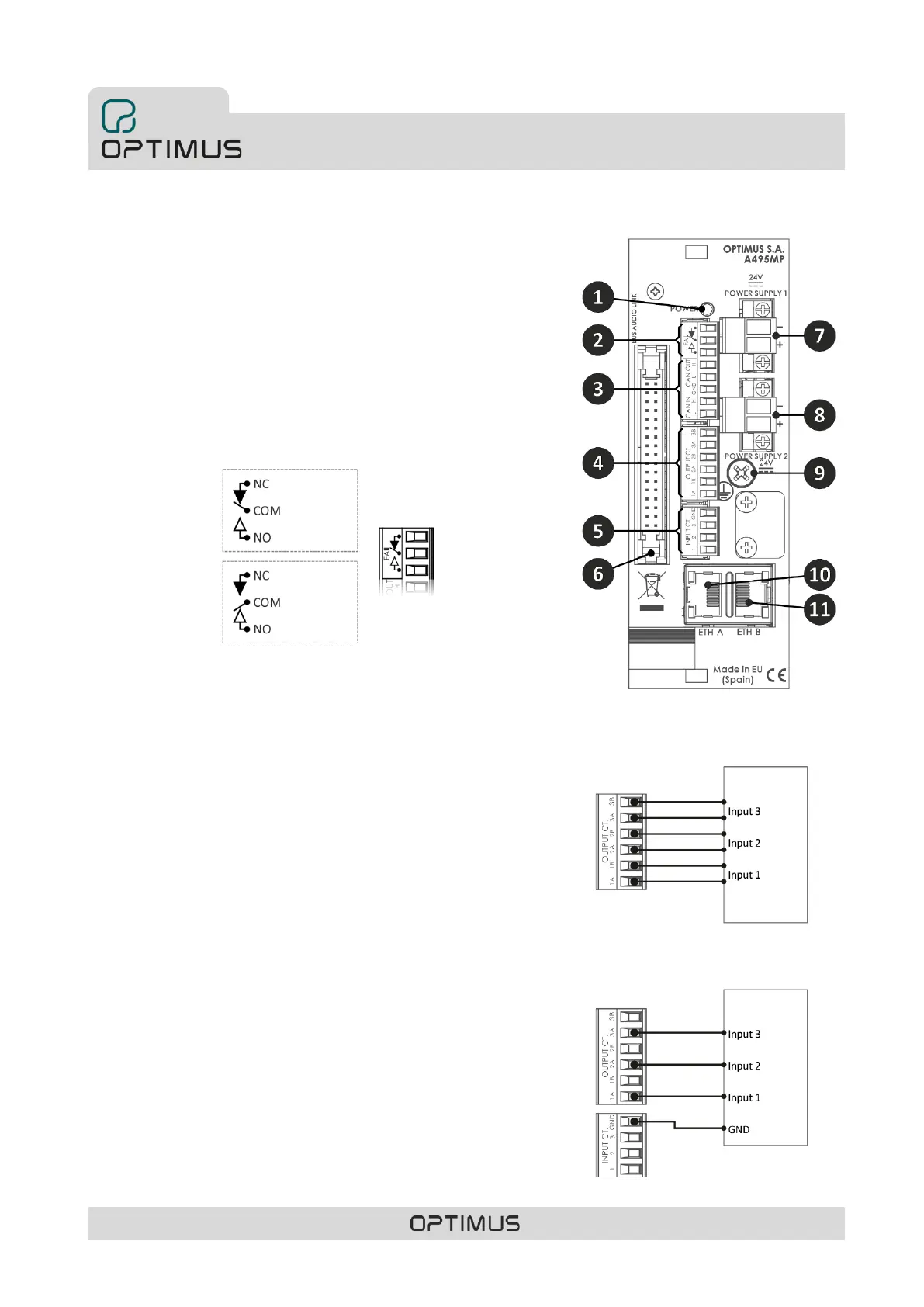
3.1. A495MP Power and control module
1) POWER indicator of the equipment.
2) FAIL contacts
Output relay used to indicate a system failure.
If the COM contact is linked to the NO contact, it indicates that there
are no faults or alarms in the system. If on the other hand, COM is linked
to NC, it indicates that the equipment is switched off or alarms detected
(figure 4).
Maximum DC charge current: 150mA
Maximum DC or AC peak charge voltage: 350V
3) BUS CAN contacts
Data communication bus between the COMPACT matrix, the
COMPACT-E expansion unit and CAN peripherals.
For the connection of the CAN bus it is recommended to use a shielded
twisted pair AWG24 cable. See section 5.3. Connection between the
COMPACT and COMPACT-E units and 5.4. Connection between
COMPACT and CAN peripherals.
4) OUTPUT CT contacts
It has three output contacts. Each contact consists of two terminals (A
and B) that can be configured, by means of internal DIP switches as dry
contacts (with or without 3K3 resistor) or referenced to ground (contact
A). For configuration follow figure 7 on the next page.
The functionality and the idle state (NC/NO) are configured via the Call
Point software. They can be configured as general-purpose contacts, or
in evacuation systems as fault notification contacts, Emergency Mode
activated indicator....
To connect as dry contacts, follow figure 5. If contacts referenced to
ground are desired, follow figure 6.
Attention: Max. DC charge current: 150 mA. Max.
DC or AC peak charge voltage: 350 V.
Figure 3
Figure 4
COMPACT
OFF or
alarms
detected
No alarms
Figure 5
CONNECTION OF THE OUTPUT
CONTACTS AS DRY CONTACTS
EXTERNAL
DEVICE
Figure 6
CONNECTION OF THE OUTPUT CONTACTS
AS CONTACTS REFERENCED TO GROUND
EXTERNAL
DEVICE

Table of Contents

Other manuals for Optimus Compact

Related product manuals