EasyManua.ls Logo

Oval EL1810 - Flow Signal Input Wiring

Oval EL1810
32 pages
Print Icon
To Next Page IconTo Next Page
To Next Page IconTo Next Page
To Previous Page IconTo Previous Page
To Previous Page IconTo Previous Page
Loading...
E-215-7-E
9
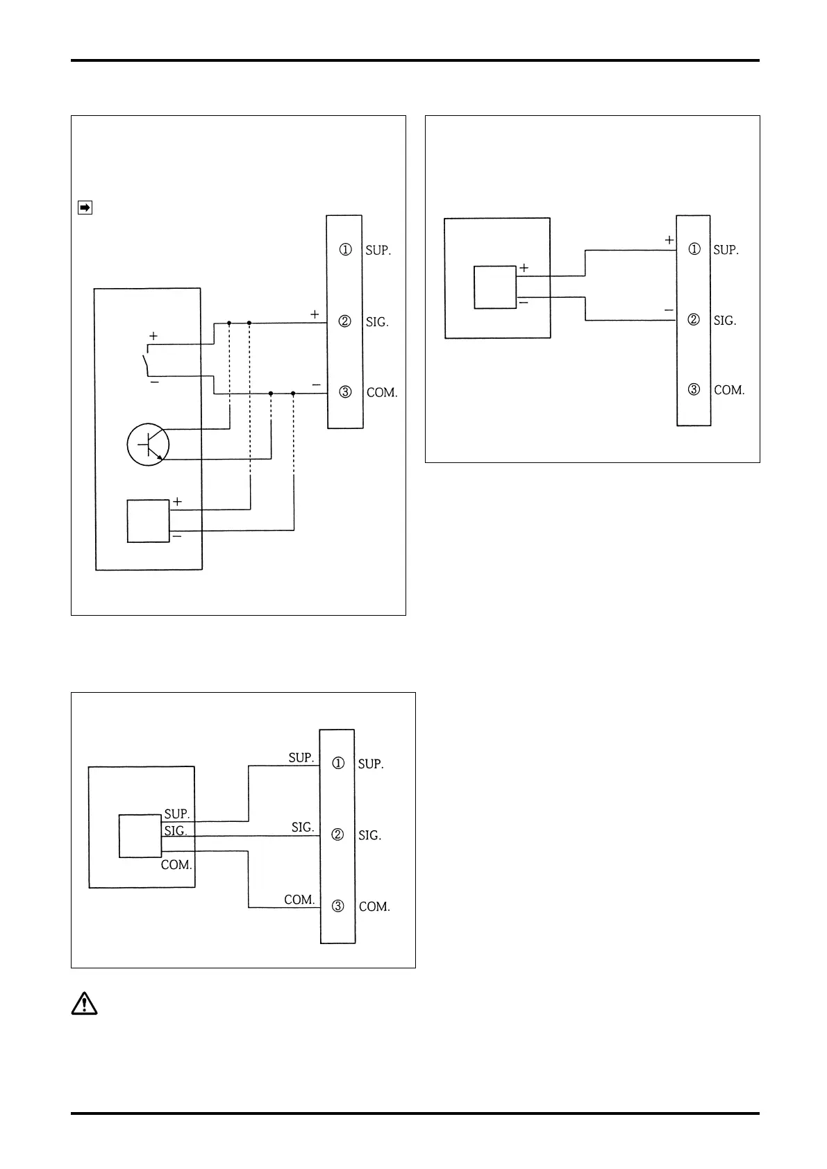
5.6 Flow Signal Input Wiring Connections
(1) C o ntac t -clos u re puls e , 2-wire v o ltag e
pulse,open collector pulse (PG20, Coriolis
owmeter)
(2) Current pulse [(PA14, 15, 25, NPG60A(E)]
Contact-closure
pulse
NOTE:
This does not mean to accept three
different types of pulse generators
at the same time.
EL1810
Terminal block
EL1810
Terminal block
Current pulse
Open collector
Pulse
Voltage pulse
Pulse generator
Pulse generator
Fig. 5.3
Fig. 5.4
Contact-closure
pulse
NOTE:
This does not mean to accept three
different types of pulse generators
at the same time.
EL1810
Terminal block
EL1810
Terminal block
Current pulse
Open collector
Pulse
Voltage pulse
Pulse generator
Pulse generator
Fig. 5.3
Fig. 5.4
(3) 3-wire open collector pulse
3-wire voltage pulse
[PG30, NPG60A (F), NPG60A (E3), FLOWPET-EG]
EL1810
Terminal block
Pulse generator
Fig. 5.5
CAUTION: Before making wiring connections, verify the validity of flowmeter (pulse generator)
and receiving instrument combination by referring to their product No., tag No., etc.

Table of Contents