EasyManua.ls Logo

Panasonic DMR-E53EG - Page 102

Panasonic DMR-E53EG
285 pages
Print Icon
To Next Page IconTo Next Page
To Next Page IconTo Next Page
To Previous Page IconTo Previous Page
To Previous Page IconTo Previous Page
Loading...
D103
D120 ZD104
D101
D102
D106
D107
C011
H
L
L
L
H
H
H
H
F/B2
4
Vadj
Q106
Q115
5Vadj
Q111 :ON
Q107
:ON
Q114
:ON
:ON
Q110
:ON
2
5
(REG.DR+12V)
VOUT
IC106
VIN 3
F103
125V 2.5A
G
SD
(REG.DR+5V)
Q113
Q105
Q116-Q119
Q101-Q104
IC102
CIRCUIT
DC-DC
G
F102
125V 3.2A
2VIN
1 :ON
IC103
4
(REG.D+3.3V)
VOUT
125V 4A
F101
SD
(REG.D+1.8V)
2
IP101
1
S4
IC101
BACK
FEED
A
1,8
P1501
P1501 P102
4,5
P102
K
R
3
86IC7501-
10
P1502PS102
16,17
2
12,13
3,4
18
19,20
21,22
S3
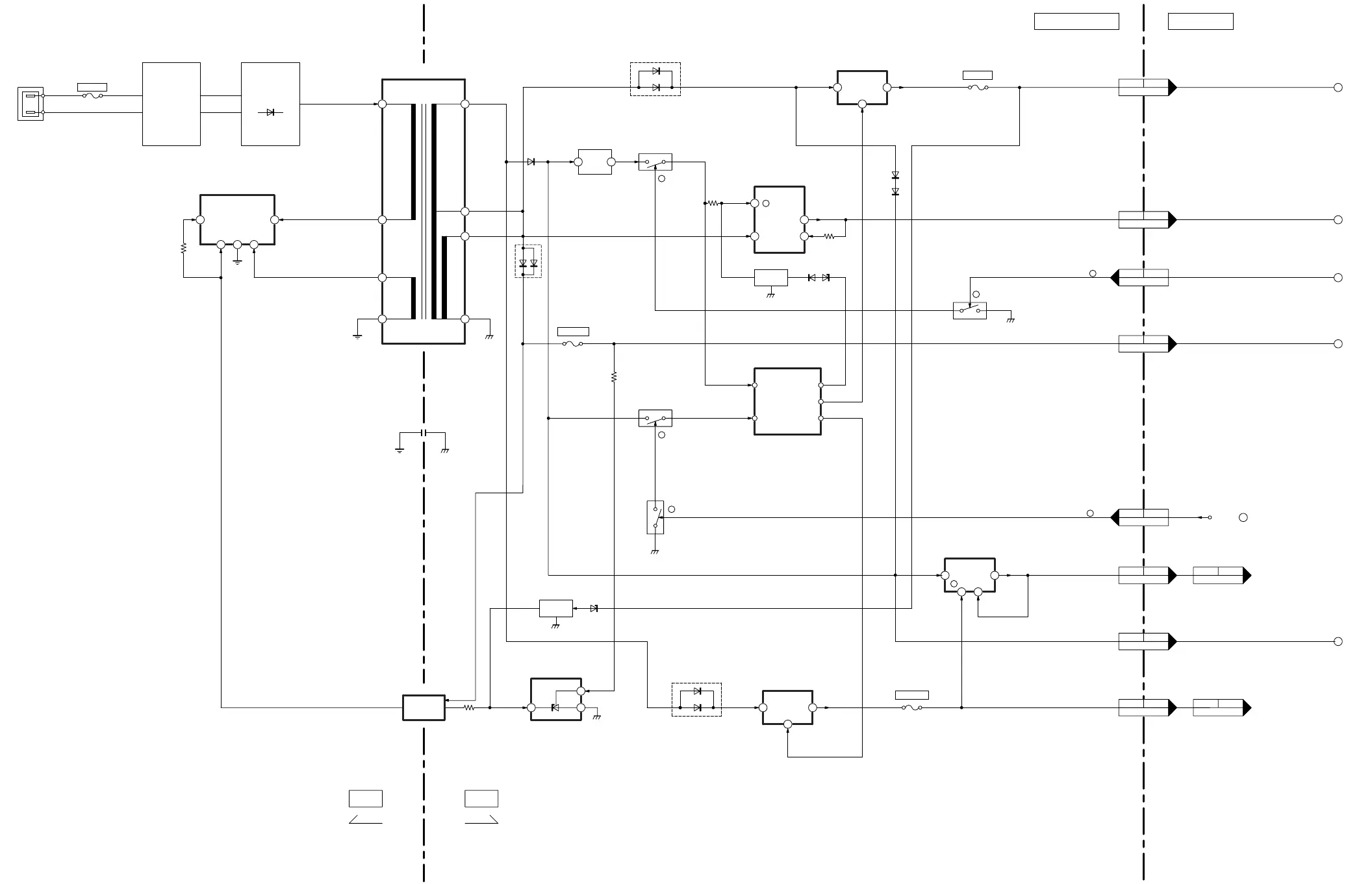
DMR-E53EG,E55EB/EG/EBL/EP
Power Supply Block Diagram
Z/C
5
PS102 P1502
P1502PS102
B1
B2
E
D
C
B
A
(ERROR VOLTAGE DET.)
MAIN P.C.B.POWER P.C.B.
DR P ON
(TO DVD RAM DRIVE)
DR+5V
X SW+5.8V P1502PS102
(TO DVD RAM DRIVE)
DR+12V
X SW+13V
POWER ON
D+3.3V
D+1.8V
P1502PS102
P1502PS102
P1502PS102
P1502PS102
S1
S2
COLDHOT
PC001
P1
(SW IC)
IC001
VCC
DRAIN 1
4
TRANSFORMER
POWER
T001
P2
RECTIFIER
C009
D001-D004
Z001,L002
ABSORBER
SURGE
AND
SUPPRESSOR
SURGE
250V2A
F001
P001
AC SOCKET
D108

Table of Contents

Related product manuals