EasyManua.ls Logo

Panasonic DMR-E53EG - Page 103

Panasonic DMR-E53EG
285 pages
Print Icon
To Next Page IconTo Next Page
To Next Page IconTo Next Page
To Previous Page IconTo Previous Page
To Previous Page IconTo Previous Page
Loading...
CONT
(Audio Main Sec.)
(Timer Sec.)
(Timer Sec.)
(Audio Main Sec.)
(Main Net Sec.)
H
H
H
H
H
H
H
H
H
H
H
H
H
H
H
H
L
2
5
1
2
8
IC4007- ,
IC4005- /IC4006- /
JC REG+5V
DIGITAL P.C.B.
:ON
:ON
SCART P.C.B.
14IC3901-
24IC3901-
29IC3901-
PS+5V
QR7401
PWR SAVE
E55EB
58IC7501-
4DU7402-
IC3001(+5.0V)
1DU7402-
:ON
:ON
:ON
PS3901
14
PP7401PS+12V
PS3901REG.+5V PP7401
5
PS3901PP7401
4
BOOSTER +5V
2
(REG.PS+12V)
IC7401
VOUTVIN 31
2
(REG.+5V)
IC7403
VOUTVIN 31
1
IC7402
VIN
3
VOUT
(REG.+5V)
6
N SW+5V
N SW+5V
IC7504
IC7502/
IC7501/
IC7501
11IC7501-4
(RESET)
OUTVDD
IC7508
5
12
4
D7508
3
356IC7301- /
(RESET)
OUTVDD 31
IC7302
PK7301
3
116
2514
IC3003- /
IC3002-
DU7402- /
:ON
:ON
:ON
:ON
:ON
IC3401(+5V)
26
8
30
8
IC7501-
CONT
5
5 CONT
VB3
4
2VB
STBY
:ON
1VIN
IC1509
3
(REG.D+1.2V)
VOUT
68
IC7301-
83
NICAM/DECODER P.C.B.
REG.JC+5V PK7701
7
IC4009/IC4012-
IC4001-VOUTVIN31
(REG.AU+9V)
IC4013
(REG.AU+12V)
IC4010
VOUTVIN 3
2
1
IC7501- 802
IC7503
VDD OUT
(RESET)
1
8VIN
IC1505
1
(REG.XSW+5.2V)
VOUT
75
79
74,76
78,80,84
82,86,88
D+3.3V
IC50002/IC6701/IC6702(+3.3V)
IC6004/IC6005/IC50001/
IC4403/IC6001/IC6002/IC6003/
IC3401/IC3402/IC3404/IC3408/
P9001P7402
REG.ANA+5V P9001P7402
81IC7501-
DMR-E53EG,E55EB/EG/EBL/EP
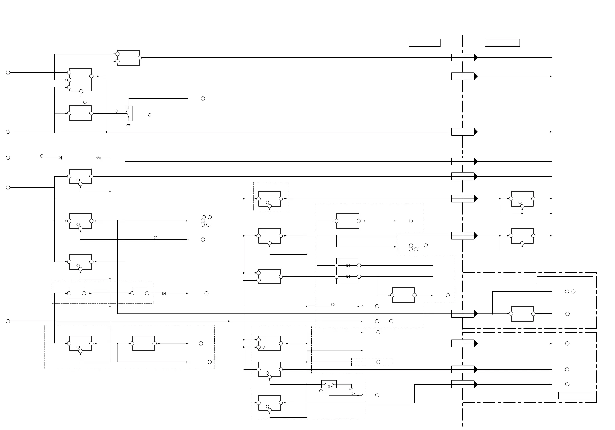
Power Supply Block Diagram
DMR-E53EG,E55EB/EG/EBL/EP
Power Supply Block Diagram
MAIN P.C.B.
IC3406(+3.3V)
IC4402/IC4406(+3.3V)
(REG.DAC+3.3V)
VOUTVIN 6
3
1
IC4404
A
E
D
C
B
REG.D+5V
REG.AU+5V
REG.ANA+3.3V
REG.D+1.5V
REG.D+1.2V
IC7501- 89
JC P ON
X SW+5.8V
POWER ON
(REG.D+3.3V)
VOUTVIN 4
1
3
IC3409
IC4402/IC4405/IC4406(+5V)
IC3401/IC3404/IC6001(+3.3V)
IC3404(+1.5V)
IC6001(+1.2V)
P9001P7402
P9001P7402
P9001P7402
P9001P7402
P9001P7402
IC7506- /Q7512-
POWER ON
88
UNREG+38V
16TO DU7402-6
(DISPLAY REG.)
T7501
42
IP7501
1
(REG.ANA+3.3V)
IC1508
1
2
3VIN VOUT
(REG.D+5V)
IC1507
VOUTVIN 18
(REG.AU+5V)
IC4011
4
3
5VIN VOUT
(REG.ANA+5V)
IC1506
4
3
5VIN VOUT
(REG.JC+5V)
IC1502
1
2
3VIN VOUT
X SW+13V
(SYS PFAIL OUT)
QR7502
OUTVDD
(SYS PFAIL OUT)
1
IC7505
2
D+3.3V
VOUT
VIN
VIN
1
8
IC1510
7
(REG.D+1.5V)
D+1.8V

Table of Contents

Related product manuals