EasyManua.ls Logo

Panasonic DMR-E53EG - Page 130

Panasonic DMR-E53EG
285 pages
Print Icon
To Next Page IconTo Next Page
To Next Page IconTo Next Page
To Previous Page IconTo Previous Page
To Previous Page IconTo Previous Page
Loading...
H
H
H
H
H
H
L1501 22u
:ON
10V47
C1518
T DR P ON
TVA
TDDGND
TFAN GND
GND M
220
25V
C1543
470
10V
C1541
25V47
C1540
1000
6V
C1539
270
R1516
270
R1515
TA
A
MX SW 13V
MX SW 5.8V
TD3.3V M
1
C1534
1
C1533
D1.5V M
25V100
C1537
1800
R1511
2000
R1512
22
R1510
D1.2V M
10V47
C1531
33
R1507
200
R1508
1000
R1509
1
C1528
1
C1527
12345
IC
(REG.D+1.2V)
C0DBEFG00003
IC1509
C0DBEGG00003
IC1510
(REG.D+1.5V)
270
R1504
ANA3.3V M
270
R1506
10V47
C1524
1
C1523
12345
IC
(REG.ANA+3V)
C0DBEGD00002
IC1508
AD5V M
MANA5V
0.1
C1519
1
C1516
(REG.ANA+5V)
C0CBCDD00002
IC1506
C0CBCDD00006
IC1507
(REG.D+5V)
SHUTDOWN
THERMAL
LIMITTER
CURRENT
DRIVER BIAS
REFERENCE
8
1234
567
330P
C1522
1
C1521
100
R1503
MA2C165001VT
D1501
3300
R1502
1
C1512
8200
R1501
1
C1520
1
C1513
JC REG5V VTM
10V47
C1505
0.1
C1504
1
C1503
(REG.JC+5V)
C0DBAHG00013
IC1502
T JC P ON
0.1
C1515
1
C1514
POWER ON
X SW 5.2VA
T
T
(REG.XSW+5.2V)
C0CBCDD00008
IC1505
J0JKB0000003
LB1505
J0JKB0000003
LB1504
J0JHC0000032
LB1501
J0JHC0000032
LB1503
D1.8V
D1.8V
D3.3V
D3.3V
POWER ON
DR5V
DR5V
DRGND
DRGND
DR12V
DR12V
DR P ON
GND
GND
GND
GND
X SW5.8V
X SW5.8V
X SW13V
23
22
21
20
19
18
17
16
15
14
13
12
11
10
9
8
7
6
5
4
3
2
1
P1502
POWER P.C.B.
TO PS102
DR12V
GND
GND
DR5V
DR5V
GND
GND
DR12V
P1501
RAM DRIVE UNIT
TO P102
IC
54
321
GNDGND
SHUTDOWN
THERMAL
LIMIT
CURRENT
VOLTAGE
REFERNCE
+
-
8
1234
567
SHUTDOWN
THERMAL
BIAS
LIMITTER
CURRENT
DRIVER
REFERENCE
8765
4321
IC
54321
8
7
6
5
4
3
2
1
IN THE PARTS LIST,AND MAY BE SLIGHTLY DIFFERNT OR AMENDED SINCE THIS DRAWING WAS PREPARED.
NOTE:DO NOT USE THE PART NUMBER SHOWN ON THIS DRAWING FOR ORDERRING.THE CORRECT PART NUMBER IS SHOWN
1110987654321
G
F
E
D
C
B
A
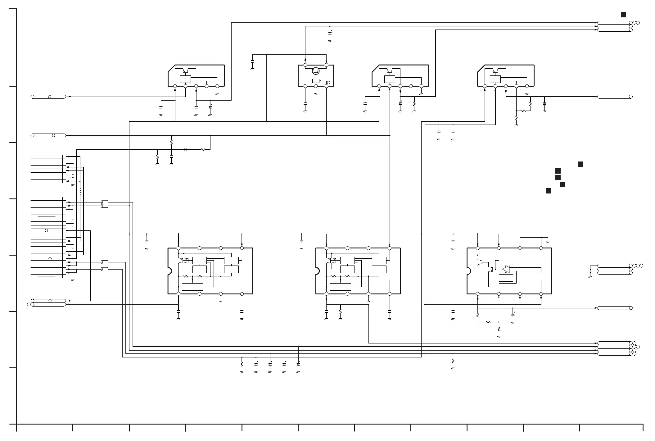
DMR-E53EG,E55EB/EG/EBL/EP
Sub Power Supply Section
(Main P.C.B.(1/5))
Schematic Diagram(P)
A
P:Sub Power Supply Section(Page: )
A
M:Main Net Section(Page: )
B
V:Video I/O Section(Page: )
C
A:Audio Main Section(Page: )
D
T:Timer Section(Page: )
E

Table of Contents

Related product manuals