EasyManua.ls Logo

Panasonic DMR-E53EG - Page 104

Panasonic DMR-E53EG
285 pages
Print Icon
To Next Page IconTo Next Page
To Next Page IconTo Next Page
To Previous Page IconTo Previous Page
To Previous Page IconTo Previous Page
Loading...
L
H
H
3
2
1
Y
V
PAL:576P/576I
NTSC:480P/480I
AV2 V IN
TUNER VIDEO
SCART VIDEO
C OUT A
Y/V OUT A
C3 IN
C2 IN
C1 IN
Y3 IN
Y2 IN
Y1 IN
VIDEO 3 IN
VIDEO 2 IN
VIDEO 1 IN
AV2 B IN
DVD B/Pb IN
AV2 G IN
DVD GPY IN
AV2 R/C IN
DVD R/Pr IN
DVD C IN
C
Y
B
G
R/C
CONTROL
IIC BUS
VIDEO
SW3
SW2
SW1
CLAMP
LPF
AMPBUF
CLAMP
CLAMP
CLAMP
LPF
AMP
DR
75
CLAMP
AMP
LPF
DR
75
C
B
A
D
C
B
A
C
B
A
SECTION
TIMER
FROM
22
21
28
29
IC7501-
IIC CLK
IC7501-
IIC DATA
VIDEO OUT
COMPONENT
JK3901
PR
PB
Y
L2 IN CPS
L2 IN CPNC
L2 IN CPNY
PR OUT
PB OUT
Y OUT PS3901PP7401
20
PS3901PP7401
18
16
PS3901PP7401
SYNC DET
SECTION
TIMER
FROM
SLICER VIDEO
AMP
Q3007
7
PS3902PP7402
BUFFER
Q7406
BUFFER
Q7405
BUFFER
Q7404
BUFFER
Q3009
BUFFER
Q3006
B/C B IN
G/C Y IN
R/CR IN
RGB CPS V IN
V Y IN DM
CPN C IN DM
P.C.B.
DIGITAL
TO
9
P9001 P7402
5
P9001 P7402
13
P9001 P7402
6
P9001 P7402
2
P7402P9001
1
P7402P9001
TUNER
DU7402
VIDEO OUT
VIDEO IN
24
6
E55EB
Q7402
BUFFER
SECTION
TIMER
FROM
IC3001
(VIDEO PROCESSOR)
CONTROL
IIC BUS
57
58
29
28
IC7501-
IIC DATA
IC7501-
IIC CLK
69
65
59
67
0/6dB
BIAS24
BIAS17
BIAS10
CLAMP21
CLAMP14
CLAMP7
CLAMP19
CLAMP12
SW A
MIX A
MIX A
0dB
0dB
0dB
DET.
SYNC
+
C-SW A
Y-SW A
V-SW A
CLAMP5
SW2SW1
47
CLAMP
BIAS
LPF
6M
LPF
6M
LPF
6M
51 BIAS
53 BIAS
BIAS49
6dB
6dB
6dB
75
75
75
Pb/B-SW
Py/G-SW
Pr/R/C-SW
32
33
36
37
34
35
45 BIAS
BIAS43
LPF
6M
41
LPF
6M
BIAS
Q3010
BUFFER
IC3002
(SELECTOR SWITCH)
2
1
6
4
PY/CY
6M LPF12
17
19
21
22
14
8
6M LPF
12M LPF
750hm
6dB
750hm
6dB
750hm
6dB
Y OUT DM
C OUT DM
SECTION
TIMER
FROM
MIX
MAIN P.C.B.
4
3
12
11
50
IC7501-
RGB
Q3901
AMP
MAIN P.C.B.
P.C.B.
DIGITAL
FROM
V OUT
C OUT
Y OUT
C
Y
IC3003
(VIDEO BUFFER)
IC3901
(BUFFER AND SWITCH)
7
13
26
23
25
28
CPN Y
CPS V
VIDEO
TUNER
V OUT
SCART
18
5
6
PS3901PP7401
8
PS3901PP7401
10
PS3901PP7401
PS3901
12
PP7401
13
PS3902PP7402
PP7402 PS3902
11
9
PS3902PP7402
B OUT
R/C OUT
G OUT PP7402 PS3902
3
5
PS3902PP7402
1
PS3902PP7402
29
30
32
24
25
6M LPF
BPF
1.5-6M
5
3
CPN Y OUT
CPS V OUT
26
P7402P9001
GPYOUT DM
30
P7402P9001
BPBOUT DM
34
P7402P9001
RPROUT DM
18
P7402P9001
+
750hm
6dB
750hm
6dB
750hm
6dB
10
9
15
13
VIDEO
OUT
S-VIDEO
REAR JACK
JK3001
AV4
IN(AV2)
VIDEO
OUT(AV2)
VIDEO
IN(AV1)
VIDEO
OUT(AV1)
VIDEO
VIDEO/Y IN
20
19
7
11
15
(DECODER/EXT)
JK3904
VIDEO OUT
BLUE IN
RED/C IN
GREEN IN
AV2
VIDEO IN
20
P9001 P7402
22
3
2
AV4
4
REAR JACK
JK3001
S-VIDEO IN
1
IN
VIDEO
14
15
42
31
VIDEO IN
S-VIDEO IN
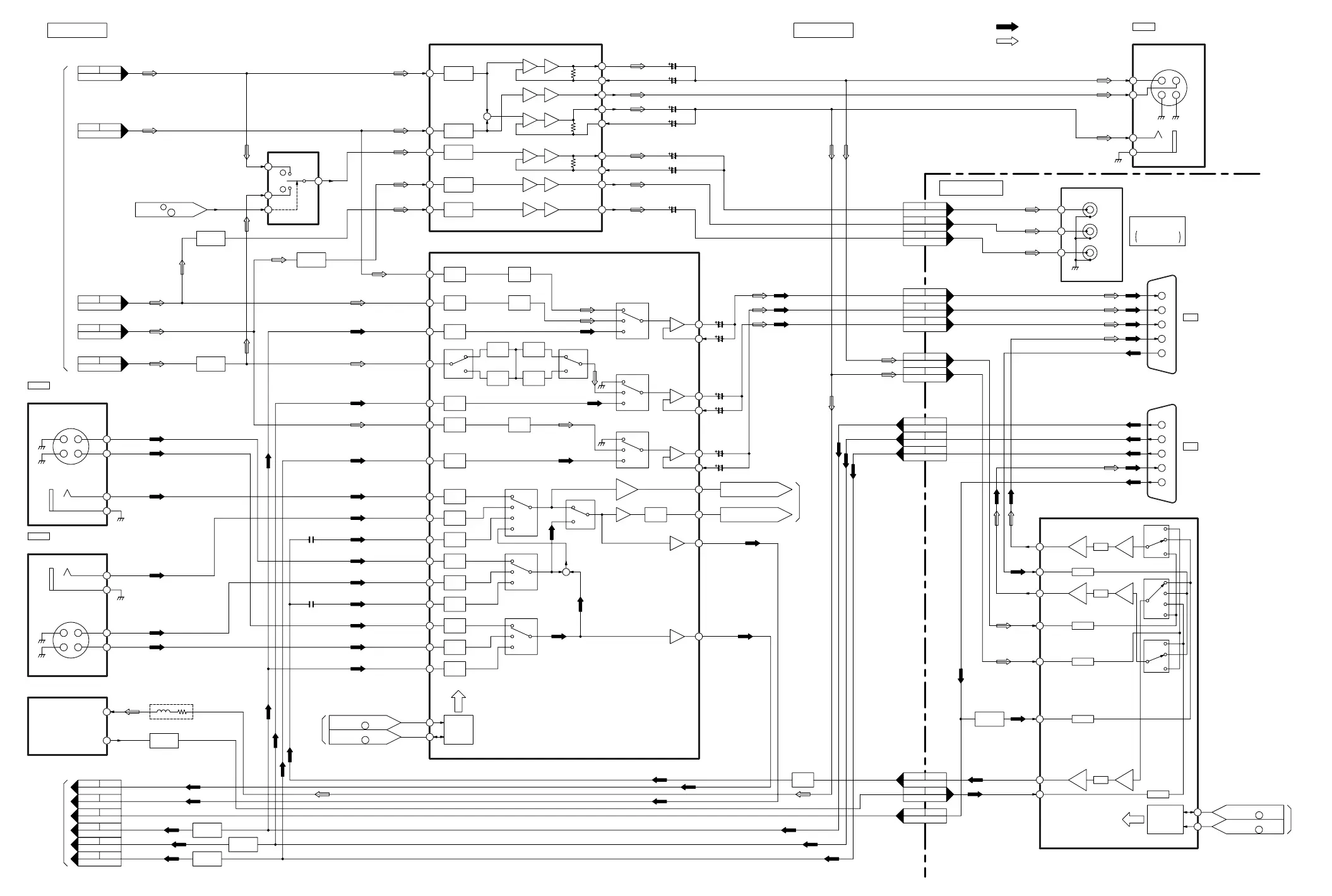
DMR-E53EG,E55EB/EG/EBL/EP
Analog Video Block Diagram
AV3
FRONT JACK
JK7501
19
11
7
15
(TV)
JK3905
VIDEO/Y OUT
GREEN OUT
BLUE OUT
RED/C OUT
SCART P.C.B.
AV1
6
7
:PB SIGNAL
:REC SIGNAL

Table of Contents

Related product manuals