EasyManua.ls Logo

Panasonic DMR-E53EG - Page 143

Panasonic DMR-E53EG
285 pages
Print Icon
To Next Page IconTo Next Page
To Next Page IconTo Next Page
To Previous Page IconTo Previous Page
To Previous Page IconTo Previous Page
Loading...
GN
DGND
GN
GN
GN
EN
GN
GN
GN
MC
GN
MC
MC
GN
GN
GN
GN
GN
GN
MC
MC
MC
EN
R4425 5600
R4428 0
R4427 0
R4426 0
X1DA LP
DEC SCK
DEC SDTO
XDMUTE
XRESET
MIXLOUT DM
MIXROUT DM
AMUTE
ADLRCK
ADBCK
ADDATA
ENCMCK2
AUGND
XADC PD
AADC L
AADC R
AU5V
VINL
J0JGC0000020
LB4403
J0JHC0000032
LB4402
J0JGC0000020
LB4404
F1H0J4740004
FL4402
VIN
C4408 0.1
F1H0J4740004
FL4401
R4404 0
R4405 0
R4406 0
1DALRCK
1DADATA
1DABCK
768FS1
BCK
16V10
C4402
0.1
C4403
0
R4402
0
R4403
J0JGC0000020
LB4401
C4424 1000P
C4423 1000P
C4421 1000P
R4415 0
0.1
C4411
6V100
C4412
220
R4418
5.6K
R4412
5.6K
R4409
0.1
C4426
0.1
C4416
6V47
C4415
0.1
C4409
6V330
C4410
0.1
C4406
10V10
C4417
0.1
C4418
0.1
C4405
6V100
C4404
16V10
C4407
R4420 0
R4421 0
R4422 0
R4419 0
R4414 0
R4407 10K
R4411 10K
456
123
ON NR
GND
OUT
GND
(REG.DAC+3.3V)
C0CBCBD00002
IC4404
OUTA
678
123
+INA -INB
5
4
VEE +INB
-INA
VCC
OUTB
(AUDIO BUFFER)
C0ABBB000105
IC4405
GND
OUTY
INAINB
VCC
MA3Z142K0LG
D4401
C0JBAD000107
IC4403
(XD MUTE OUT)
3
1
2
45
321
BCK
DOUT
DGND
VDD
SCKI
TEST
MODE0
FMT0
MODE1
VINR
FMT1
VREF2
VCC
AGND
XPDWN
BYPAS
FSYNC
LRCK
VREF1
C0FBAK000008
IC4406
(AUDIO A/D CONVERTER)
10987654321
1112131415161720 19 18
AGND
VCOM
ZEROA
NC
ML
MDI
SCK
DATA
MC
DGND
VDD
VCC
VOUTL
VOUTR
LRCK
C0FBBK000035
IC4402
(AUDIO 2CH D/A CONVERTER)
87654321
91011121316 15 14
GN
D3.3V
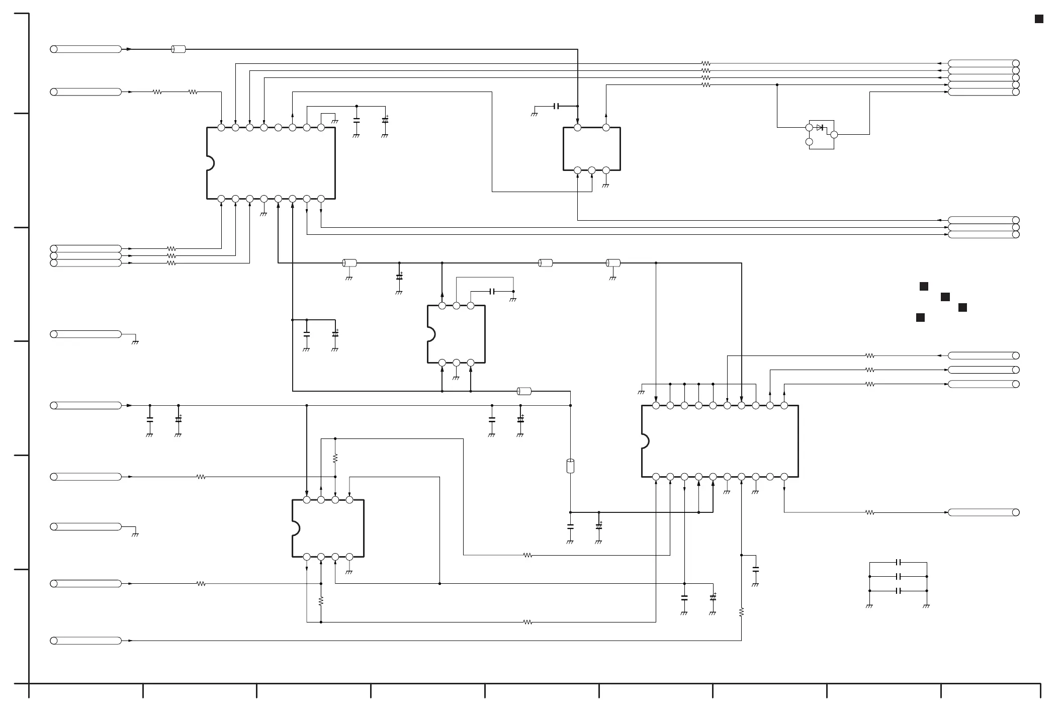
Schematic Diagram (AI)
Audio I/O Section (Digital P.C.B.(4/4))
DMR-E53EG,E55EB/EG/EBL/EP
IN THE PARTS LIST, AND MAY BE SLIGHTLY DIFFERNT OR AMENDED SINCE THIS DRAWING WAS PREPARED.
NOTE:DO NOT USE THE PART NUMBER SHOWN ON THIS DRAWING FOR ORDERING. THE CORRECT PART NUMBER IS SHOWN
987654321
F
E
D
C
B
A
I
GN:Glue Net Section(Page: )
F
EN:AVENC/RTSC Section(Page: )
I
MC:AVDEC/Main CPU Section(Page: )
H
AI:Audio I/O Section(Page: )
G

Table of Contents

Related product manuals