EasyManua.ls Logo

Panasonic DMR-E53EG - Page 245

Panasonic DMR-E53EG
285 pages
Print Icon
To Next Page IconTo Next Page
To Next Page IconTo Next Page
To Previous Page IconTo Previous Page
To Previous Page IconTo Previous Page
Loading...
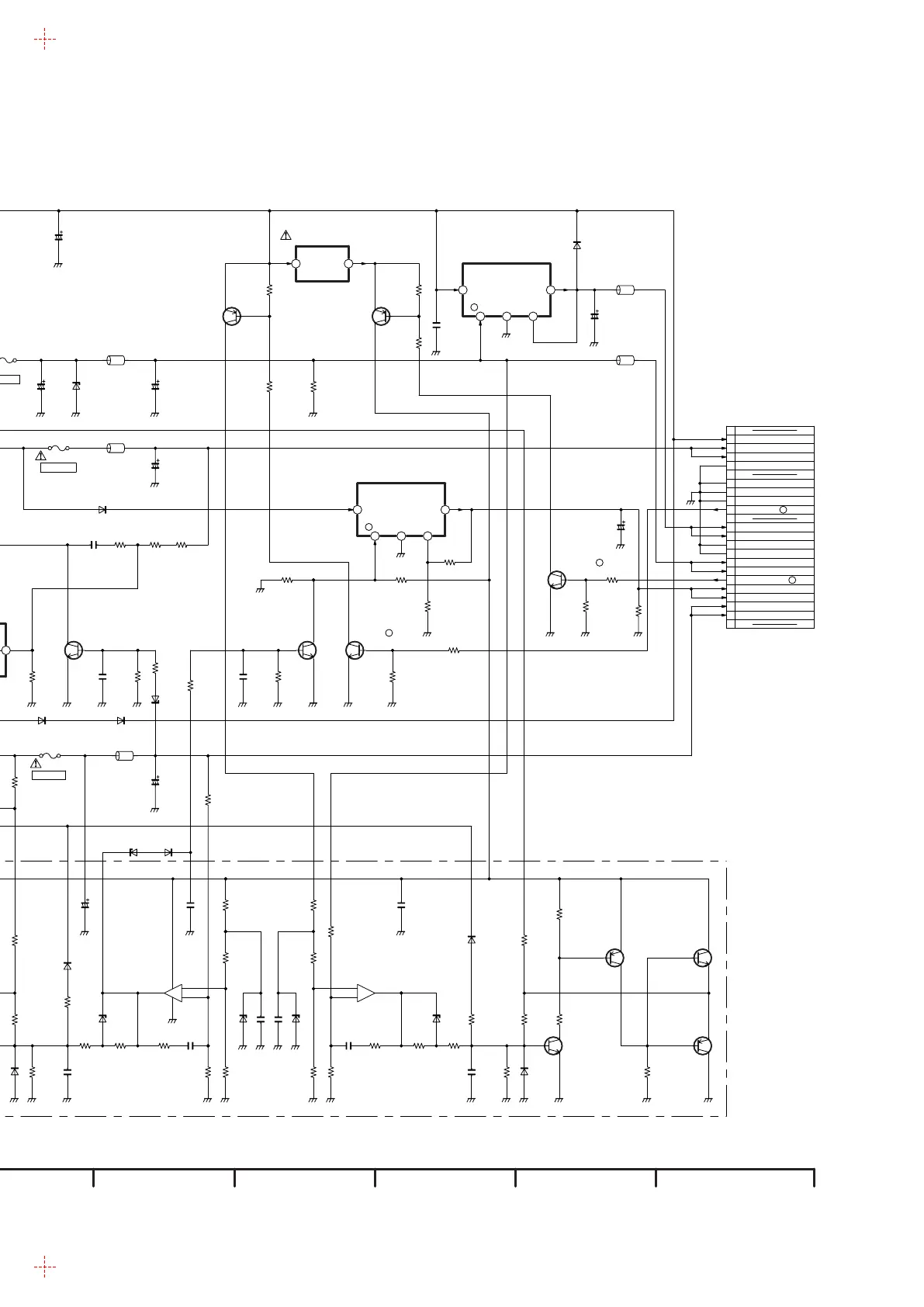
17.2. Main Power Supply Schematic Diagram
H
H
H
H
H
H
GPP20J
D114
GND Vadj
VOUT
:ON
VIN
330P
C010
GPP20J
D004
EXCELSR35
L005
D
G
S
10V470
C112
50V10
C118
:ON
VadjGND
VOUTVIN
D
G
S
VCCGND
DRAINF/B
(SW IC)
3300
R160
7
6
5
1
4
2
3
8
147
R124
12.7K
R007
-
+
21
PS102
(SUB POWER SEC.)
MAIN P.C.B.
TO P1502
MBRF1560CT
D103
EXCELDR35
L101
-
+
681
R145
4700
R178
100
R172
470
R174
4700
R175
220K
R173
MA165
D112
7500
R170
MA165
D113
4700
R171
1000P
C130
MA8051
ZD106
1K
R169
18K
R163
6800
R158
0.033
C127
221
R157
3.32K
R154
C142 1
ZD105 MAZ8051
C129 1
C113 1
ZD102 MAZ8051
10K
R153
10K
R165
10K
R125
10K
R126
3.32K
R127
221
R120
C125 10V1000
MA165
D105
0.068
C110
3300
R115
18K
R122
1000
R112
MA8051
ZD103
7500
R111
1000P
C107
4700
R108
MA165
D104
100
R106
220K
R107
4700
R105
470
R104
4700
R101
MA111
D120
MA8082
ZD104
25V680
C120
(REG.D+1.8V)
2SK3366
Q105
6.8u
L104
MA165
D107
MA165
D106
1.5U
L102
158
VR101
1210
R128
100
R117
1
C111
A
R
K
1000
R121
0.1
C109
1000
R116
MA4039
ZD101
100
R114
2200
R164
12K
R139
8200
R143
1
C131
10K
R166
8200
R130
10K
R131
4700
R132
10K
R176
22K
R179
24.3K
R177
EXCELSA35
L105
EXCELSA35
L107
25V220
C124
MA165
D111
0.1
C141
1500
R137
1500
R136
2200
R144
1500
R168
1500
R167
4.7u
L109
250V220
C117
10V470
C128
RD6.2ESB
ZD107
1000
10V
C119
2SK3366
Q113
(REG.DR+5V)
470
R113
2200
R109
10V2200
C106
10
R103
1000P
C104
1000P
C102
FCQ20A6
D102
FCH0510A
D108
EXCELDR35
L108
EXCELDR35
L103
RK49
D101
10
R102
220P
C103
220P
C101
DC/DC CIRCUIT
LM2904DR
IC102
0.22
C115
2SD601A
Q116
2SB709A
Q117
2SB710A
Q119
2SD602A
Q118
LM2904DR
IC102
2SD601A
Q104
(POWER CTL.)
2SB709A
Q103
2SB710A
Q102
2SD602A
Q101
10K
R110
F101
125V 4A
(POWER ON :ON)
2SD601A
Q111
(POWER CTL.)
2SD601A
Q115
(DR P ON :ON)
2SD601A
Q107
(REG.D+3.3V)
4
5
SI3010KM
IC103
31
2(FEED BACK)
PS2571L1V
PC001
F102
125V 3.2A
(POWER CTL.)
2SD601A
Q106
DET.
VOLTAGE
ERROR
TL431AILPR
IC101
ICPN10
IP101
(POWER ON/OFF)
2SB710A
Q114
(POWER ON/OFF)
2SB710A
Q110
10K
R159
F103
125V 2.5A
250V470
C105
(REG.DR+12V)
3
4
SI3120J
IC106
12
5
D1.8V
D1.8V
D3.3V
D3.3V
POWER ON
DR5V
DR5V
DRGND
DRGND
DR12V
DR12V
DR P ON
GND
GND
GND
GND
X SW5.8V
X SW5.8V
X SW13V
23
22
21
20
19
18
17
16
15
14
13
12
11
10
9
8
7
6
5
4
3
2
1
ST3D200
D005
STRG6353
IC001
1
435
2
1000P
C011
GPP20J
D002
GPP20J
D001
GPP20J
D003
1000P
C008
MA4068N
ZD002
450V47
C009
237K
R010
237K
R006
0.22
C014
0.22
C015
5.6K
R008
50V22
C013
ER91-02
D006
ELESN150KA
L004
220K
R009
220K
R005
470P
C012
MA8051
ZD004
MA728
D007
0.47
R003
680
R002
EXCELSA35
L011
EXCELSA35
L010
1M
R001
GA
DMR-E53EG,E55EB/EG/EBL/EP
Main Power Supply
Schematic Diagram
S3
(FEED BACK)
AC SOCKET
P001
WHEN REPLACING ANY OF THESE COMPONENTS.ONLY THE SAME TYPE.
COMPONENTS IDENTIFIED WITH THE MARK HAVE THE SPECIAL CHARACTERISTICS FOR SAFETY.
IMPORTANT SAFETY NOTICE:
IN THE PARTS LIST,AND MAY BE SLIGHTLY DIFFERNT OR AMENDED SINCE THIS DRAWING WAS PREPARED.
NOTE:DO NOT USE THE PART NUMBER SHOWN ON THIS DRAWING FOR ORDERRING.THE CORRECT PART NUMBER IS SHOWN
HOT COLD
S4
S2
PS2571L1V
PC001
0.1
C002
19m
L002
P1
B2
B1
P2
LN
250V 2A
F001
GA GA
470V
Z001
0.33
C003
GAGA
GA
GA
GAGA
1000P
C001
1000P
C006
GA
GA
POWER TRANSFORMER
ETB28BF1U6A
T001
111098
G
S1
F
7654321
E
D
C
B
A
48

Table of Contents

Related product manuals