EasyManua.ls Logo

Panasonic DMR-E53EG - Page 246

Panasonic DMR-E53EG
285 pages
Print Icon
To Next Page IconTo Next Page
To Next Page IconTo Next Page
To Previous Page IconTo Previous Page
To Previous Page IconTo Previous Page
Loading...
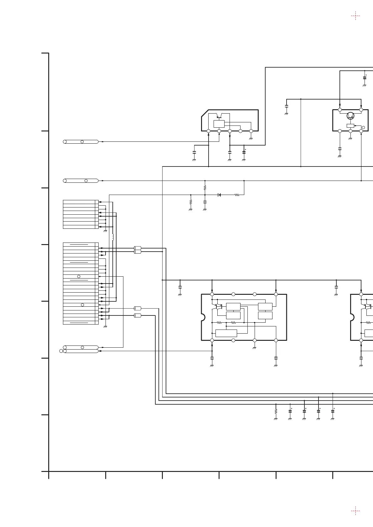
17.3. Sub Power Supply Section (Main P.C.B. (1/5)) Schematic Diagram (P)
H
H
H
H
H
H
L1501 22u
:ON
10V47
C1518
T DR P ON
TVA
TDDGND
TFAN GND
GND M
220
25V
C1543
470
10V
C1541
25V47
C1540
1000
6V
C1539
270
R1516
270
R1515
TA
A
MX SW 13V
MX SW 5.8V
TD3.3V M
1
C1534
1
C1533
D1.5V M
25V100
C1537
1800
R1511
2000
R1512
22
R1510
D1.2V M
10V47
C1531
33
R1507
200
R1508
1000
R1509
1
C1528
1
C1527
12345
IC
(REG.D+1.2V)
C0DBEFG00003
IC1509
C0DBEGG00003
IC1510
(REG.D+1.5V)
270
R1504
ANA3.3V M
270
R1506
10V47
C1524
1
C1523
12345
IC
(REG.ANA+3V)
C0DBEGD00002
IC1508
AD5V M
MANA5V
0.1
C1519
1
C1516
(REG.ANA+5V)
C0CBCDD00002
IC1506
C0CBCDD00006
IC1507
(REG.D+5V)
SHUTDOWN
THERMAL
LIMITTER
CURRENT
DRIVER BIAS
REFERENCE
8
1234
567
330P
C1522
1
C1521
100
R1503
MA2C165001VT
D1501
3300
R1502
1
C1512
8200
R1501
1
C1520
1
C1513
JC REG5V VTM
10V47
C1505
0.1
C1504
1
C1503
(REG.JC+5V)
C0DBAHG00013
IC1502
T JC P ON
0.1
C1515
1
C1514
POWER ON
X SW 5.2VA
T
T
(REG.XSW+5.2V)
C0CBCDD00008
IC1505
J0JKB0000003
LB1505
J0JKB0000003
LB1504
J0JHC0000032
LB1501
J0JHC0000032
LB1503
D1.8V
D1.8V
D3.3V
D3.3V
POWER ON
DR5V
DR5V
DRGND
DRGND
DR12V
DR12V
DR P ON
GND
GND
GND
GND
X SW5.8V
X SW5.8V
X SW13V
23
22
21
20
19
18
17
16
15
14
13
12
11
10
9
8
7
6
5
4
3
2
1
P1502
POWER P.C.B.
TO PS102
DR12V
GND
GND
DR5V
DR5V
GND
GND
DR12V
P1501
RAM DRIVE UNIT
TO P102
IC
54
321
GNDGND
SHUTDOWN
THERMAL
LIMIT
CURRENT
VOLTAGE
REFERNCE
+
-
8
1234
567
SHUTDOWN
THERMAL
BIAS
LIMITTER
CURRENT
DRIVER
REFERENCE
8765
4321
IC
54321
8
7
6
5
4
3
2
1
IN THE PARTS LIST,AND MAY BE SLIGHTLY DIFFERNT OR AMENDED SINCE THIS DRAWING WAS PREPARED.
NOTE:DO NOT USE THE PART NUMBER SHOWN ON THIS DRAWING FOR ORDERRING.THE CORRECT PART NUMBER IS SHOWN
1110987654321
G
F
E
D
C
B
A
DMR-E53EG,E55EB/EG/EBL/EP
Sub Power Supply Section
(Main P.C.B.(1/5))
Schematic Diagram(P)
A
P:Sub Power Supply Section(Page: )
A
M:Main Net Section(Page: )
B
V:Video I/O Section(Page: )
C
A:Audio Main Section(Page: )
D
T:Timer Section(Page: )
E
49

Table of Contents

Related product manuals