EasyManua.ls Logo

Panasonic DMR-E53EG - Page 256

Panasonic DMR-E53EG
285 pages
Print Icon
To Next Page IconTo Next Page
To Next Page IconTo Next Page
To Previous Page IconTo Previous Page
To Previous Page IconTo Previous Page
Loading...
L
H
H
H
H
H
L
L
H
H
H
(DISPLAY DRIVE)
<N SW+5V>
<N SW+5V>
<N SW+5V>
<X SW+13V>
GNDNCNCNC
SDASCL
WE
(5V)
VCC
A
B
C
D
E
A38
A1
A31
A22
A23
A21
A6
A7
A25
A40
A39
A19
A15
A14
A11
A10
A20
0.1
C7511
FAN MOTOR
A12A5
A4
0.01
C7588
GND P
MA2C18500E
D7504
A27
A28A13A2A3A24A26
0.1
C7652
IN THE PARTS LIST,AND MAY BE SLIGHTLY DIFFERNT OR AMENDED SINCE THIS DRAWING WAS PREPARED.
NOTE:DO NOT USE THE PART NUMBER SHOWN ON THIS DRAWING FOR ORDERRING.THE CORRECT PART NUMBER IS SHOWN
DR P ON P
0.01
C7650
0.01
C7620
VSYNC DET
VAV4 S IN L
ASCART MUTE
TL7501
MRFC A MUTE
RGB V
UARTG2P M
UARTP2G M
6.3V47
C7529
0.1
C7528
6.3V47
C7527
0.1
C7526
0.1
C7546
C0EBE0000218
IC7508
(RESET)
VDD
VOUT NC
GND
5
43
2
1DST
TL7519TL7518
GND
IR
N SW 5V
TIME WARP LED
KEYIN1
KEYIN3
KEYIN2
12
11
10
9
8
7
6
5
4
3
2
1
P7504
FRONT(R) P.C.B.
TO P7801
VA
VAM
M
IIC DATA
IIC CLK
10P
C7592
10P
C7593
4700
R7546
4700
R7547
22K
R7599
TL7520
100
R7548
R7552 100
R7626 100
C3EBJC000038
IC7504
(EEPROM)
8765
4321
M
FAN GND P
FANLOCK
GND
FANDCOUT
3
2
1
P7503
0
LB7502
0.01
C7637
1
C7636
10K
R7600
(FAN MOTOR DRIVE)
C0ABBA000073
IC7506
GND
VDD
-
+
+
-
8765
4321
10K
R7601
18K
R7603
820
R7602
0.1
C7639
(FAN MOTOR DRIVE)
123
2SD0874A0L
Q7512
PX SW 5.2V
0
LB7501
(FILAMENT :ON)
UNR511300L
QR7507
47
6.3V
C7503
47
6.3V
C7504
TW7501
47K
R7595
0.1
C7618
C0EBJ0000110
IC7503
(PFAIL OUT)
NC NC
GNDVDD
54
321
OUT
47K
R7596
(SYS PFAIL OUT)
UNR521200L
QR7502
PD3.3V
0.01
C7626
(SYS PFAIL CTL.)
C0EBE0000194
IC7505
15K
R7597
NC NC
GNDVDDOUT
54
321
J0JGC0000020
LB7511
0.047
C7507
180
R7598
J0JGC0000020
LB7510
6.3V100
C7633
B0JDCE000002
D7508
2
3
1
4
MPOWER SAVE
50V10
C7551
MAZ4240NMF
D7501
PX SW 13V12
D4FAR4000001
IP7501
J0JKB0000037
LB7503
MUNREG 38V
47K
R7513
35V47
C7558
MAZ4300NLF
D7506
50V10
C7560
MA2C18500E
D7505
100
R7514
0.022
C7559
(PSAVE :ON)
UNR521400L
QR7503
DDGND P
(SWITCH)
2SD1994BR1VT
Q7503
3300
R7510
(DISPLAY REG.)
ETS13TB119AP
T7501
10
9
7
65
4
3
2
1
25V220
C7555
16V220
C7556
B0AAGM000007
D7502
5.6
R7508
0.01
C7550
0.1
C7552
TL7502
VWJ0023=5
R7506
330
R7507
L7502
10K
R7593
2SD132800L
Q7513
100P
C7525
27K
R7505
VP
DIG00
DIG01
DIG02
DIG03
DIG04
DIG05
DIG06
DIG07
NC
NC
NC
NC
SEG41
SEG40
SEG39
SEG38
SEG37
SEG36
SEG35
SEG00
SEG01
SEG02
SEG03
SEG04
SEG05
SEG06
SEG07
SEG08
SEG09
SEG10
SEG11
NC
NC
NC
NC
NC
NC
NC
SEG19
SEG20
SEG21
SEG22
SEG23
SEG24
SEG25
VCC2
SEG26
SEG27
SEG28
SEG29
SEG30
SEG31
NC
NC
NC
VCC1
XIN
XOUT
VSS
SDATA
SCK
CS
RESET
(DISPLAY DRIVE)
C0HBB0000033
IC7502
64
63
62
61
60
59
58
57
56
55
54
53
52
51
50
49
48 47 46 45 44 43 42 41 40 39 38 37 36 35 34 33
32
31
30
29
28
27
26
25
24
23
22
21
20
19
18
17
16151413121110987654321
TIMER DISPLAY
A2BD00000074
DP7501
F-
NX
NX
NX
NX
NX
P32
P31
P30
P29
P28
P27
P26
P25
P24
P23
P22
P21
P20
P19
P18
P17
P16
P15
P14
P13
P12
P11
P10
P9
P8
P7
P6
P5
P4
P3
P2
P1
NX
NX
NX
NX
8G
7G
6G
5G
4G
3G
2G
1G
NX
NX
NX
F+
5958555453525150494847464544434241403938373635343332313029282726252423222120191817161514131211109876521
2221201918171615141312
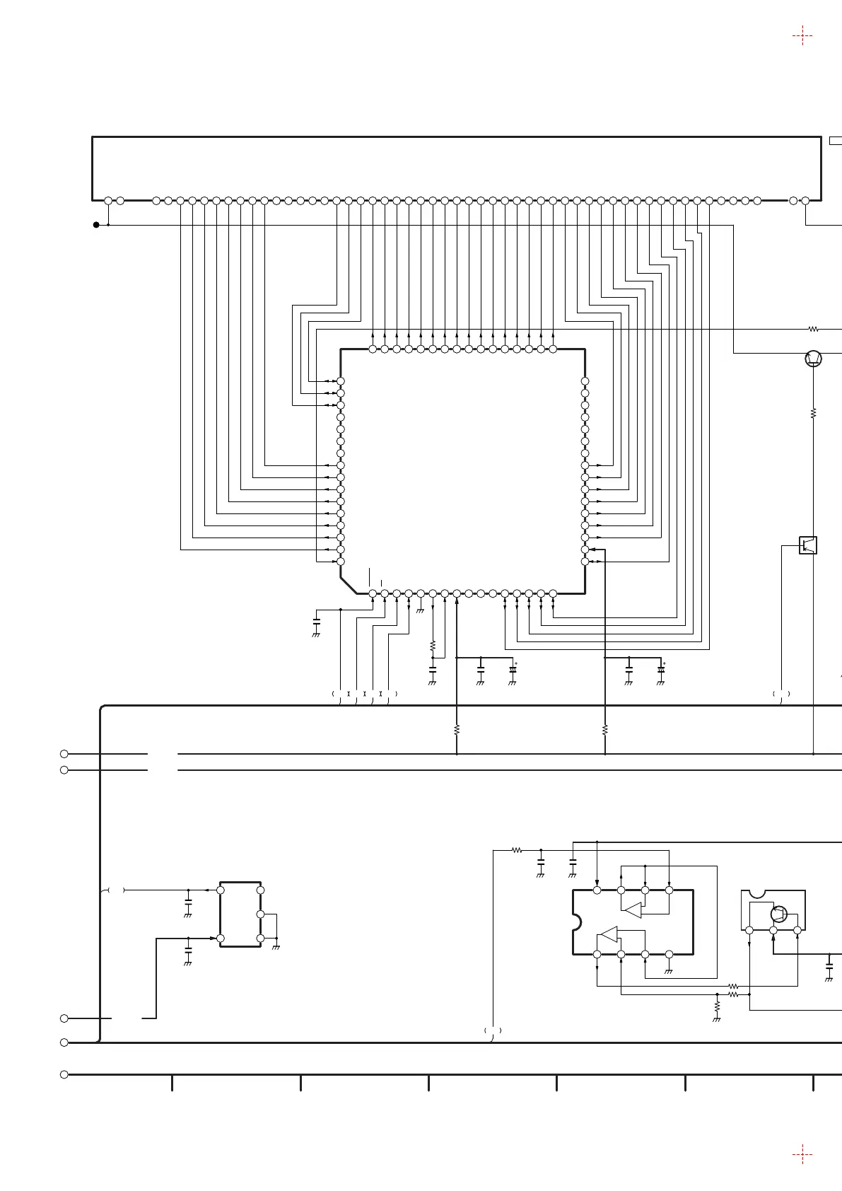
DMR-E53EG,E55EB/EG/EBL/EP
Timer Section(Main P.C.B.(5/5)) Schematic Diagram(T)
DMR-E53EG,E55EB/EG/EBL/EP
Timer Section(Main P.C.B.(5/5)) Schematic Diagram(T)
E
P:Sub Power Supply Section(Page: )
A
M:Main Net Section(Page: )
B
V:Video I/O Section(Page: )
C
A:Audio Main Section(Page: )
D
T:Timer Section(Page: )
E
54

Table of Contents

Related product manuals