EasyManua.ls Logo

Panasonic DMR-E53EG - Page 279

Panasonic DMR-E53EG
285 pages
Print Icon
To Next Page IconTo Next Page
To Next Page IconTo Next Page
To Previous Page IconTo Previous Page
To Previous Page IconTo Previous Page
Loading...
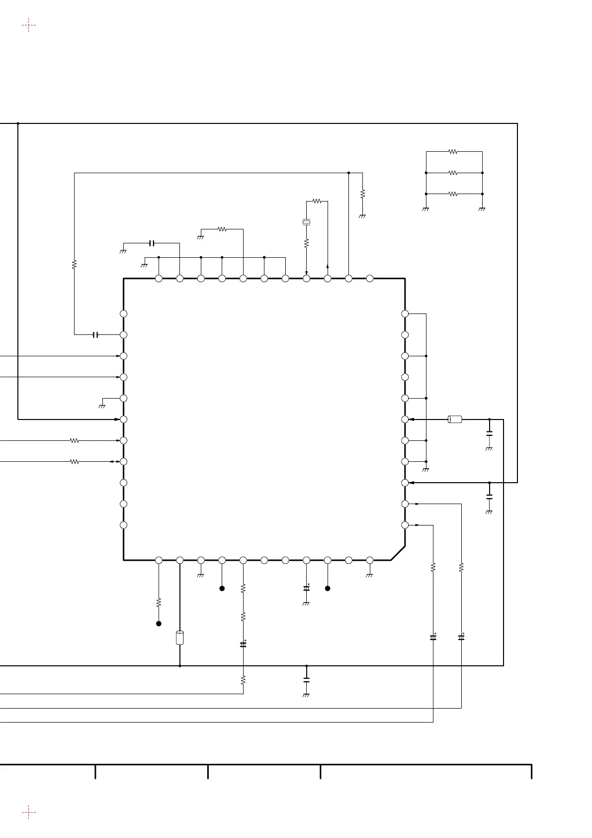
17.14. Nicam Decoder Schematic Diagram
0
R7314
(RESET)
0
K7303
0
C7329
J0JCC0000080
LB7303
0
R7319
R7317 0
0
R7315
0
R7307
8200
C7330
100
R7304
VSSA4
OUT M
P2
V REF2
EXTIL
EXTIR
MONO IN
P1
VSSD3
VDDD3
SYS CLK/CTRIG
PCLK
ADDR1
XTALO
XTALI
TP3
TEST2
1 REF
ADDR2
VSSA2
VDDA2
TEST1
OUT L
OUT R
VDDA1
VSSA1
VSSD1
VDDD1
VSSD2
VDEC2
TP2
NICAM
TP1
SCK/AF21
WS/AF20
SDO/LPF
SDA
SCL
VDDA3
VSSA3
CRESET
SIF1
VREF1
SIF2
OUTGIN
C0EAH0000051
IC7302
DECODER AUDIO(L)
GND
DECODER AUDIO(R)
SDA
SCL
JC 5V
TU AUDIO IN
GND
SIF
0.1
C7314
J0JCC0000124
LB7302
10K
R7309
TL7301
TL7302
TL7303
16V47
C7317
16V10
C7318
220
R7311
220
R7312
16V10
C7313
16V10
C7312
220
R7313
0.1
C7324
1000P
C7323
J0JCC0000124
LB7301
0
R7322
H0D245500016
X7301
0.1
C7332
C7333 0.1
R7325 100
R7324 100
100P
C7311
10P
C7307
10P
C7308
100P
C7310
100P
C7309
C7302 0
0
R7301
0.1
C7301
321
50V2.2
C7334
0.01
C7306
6V100
C7303
G0C1R0JA0019
L7303
6V100
C7305
0.1
C7335
C1AB00001404(NICAM/A2)
IC7301
K7305 0
K7301 0
K7302 0
PK7302
(MAIN NET)
MAIN P.C.B.
TO PK7702
1
2
3
5
6
4
7
6
5
4
3
2
1
PK7301
(MAIN NET)
MAIN P.C.B.
TO PK7701
34 35 36 37 38 39 40 41 42 43 44
22 21 20 19 18 17 16 15 14 13 12
23
24
25
26
27
28
29
30
31
32
33
11
10
9
8
7
6
5
4
3
2
1
F
FOR ORDERING.WHEN YOU ORDER A PART,PLEASE REFER TO PARTS LIST.
DO NOT USE ANY PART NUMBER SHOWN ON THIS SCHEMATIC DIAGRAM
NOTE:
87654321
E
D
C
B
A
DMR-E53EG,E55EB/EG/EBL/EP
Nicam Decoder Schematic Diagram
65

Table of Contents

Related product manuals