EasyManua.ls Logo

Panasonic DMR-EH57EC

Panasonic DMR-EH57EC
98 pages
To Next Page IconTo Next Page
To Next Page IconTo Next Page
To Previous Page IconTo Previous Page
To Previous Page IconTo Previous Page
Loading...
H
VINVOUT
NR GND
:ON
123
45
IC
CLAMP
V
TUNER
30
LOGIC
IIC BUS
SDA
89
SCL
88
(SW10)
CLAMP
CLAMP
CLAMP
CLAMP
BIAS
CLAMP
SLICER
85
OUT
ADC
V/Y
83
OUT
C-ADC
81
TUNER V
AV2 V/Y
AV2 R/C
AV3 V
AV4 V
AV4 Y
AV4 C
AV3 C
AV3 Y
AV1 V
CIRCUIT
SWITCH
SELECT
OUTPUT
ADC
OUT
V
AV2
28
SV2
e
d
c
b
a
OUT
V/Y/C
AV1
26
SV1
e
d
c
b
a
a
b
(SW9)
OUT
V
AV4
24
23
a
b
(SW8)
OUT
C
AV4
22
(SW7)
a
b
OUT
Y
AV4
20
19
OUT
G
AV1
17
6MHz
(SW5)
12MHz
a
b
c
15
OUT
Y
COMP
14
(SW6)
a
b
c
d
OUT
B
AV1
12
OUT
B-Y
COMP
11
6MHz
(SW4)
12MHz
a
b
c
d
OUT
R-C
AV1
9
(SW3)
a
b
c
OUT
R-Y
COMP
7
(SW2)
a
b
c
(SW1)
12MHz
6MHz
CLAMP
BIAS
CLAMP/
CLAMP
BIAS
CLAMP/
+
LPF
6MHz
CLAMP
BPF
6MHz
BIAS
a
b
CLAMP
BIAS
c
b
a
AV2 V/Y
AV2 B
AV2 G
AV2 R/C
AV3 V
AV3 C
AV3 Y
AV1 V
31
5
3
1
37
45
41
33
99
97
95
93
91
(SA4L)
SELECT SWITCH
OUTPUT
71
AV1 Lch
78
ADC Lch
73
AV2 Lch
74
AV2 Rch
79
ADC Rch
AV1 Rch
72
LPF
BUFF.
MUTE
AGC
AMP
ADC Lch
LPF
BUFF.
MUTE
LPF
BUFF.
MUTE
d
c
b
a
MUTE
BUFF.
LPF
AMP
ADC Rch
AGC
MIX
+
VCAMUTE
RF OUT
76
TUN Lch
62
54
TUN Rch
AV4
TUN
(SA5L)
BUFF.
e
d
c
b
a
(SA1L)
e
d
c
b
a
(SA3L)
e
d
c
b
a
(SA2L)
58
AV3 Lch
d
c
b
a
(SA4R)
SELECT SWITCH
OUTPUT
AV3 Rch
50
(SA5R)
TUN
AV4
BUFF.
e
d
c
b
a
(SA2R)
AV2 Lch
61
AV2 Rch
53
AV1 Lch
AV1 Rch
DAC Lch
DAC Rch
60
52
e
d
c
b
a
(SA3R)
e
d
c
b
a
(SA1R)
64
56
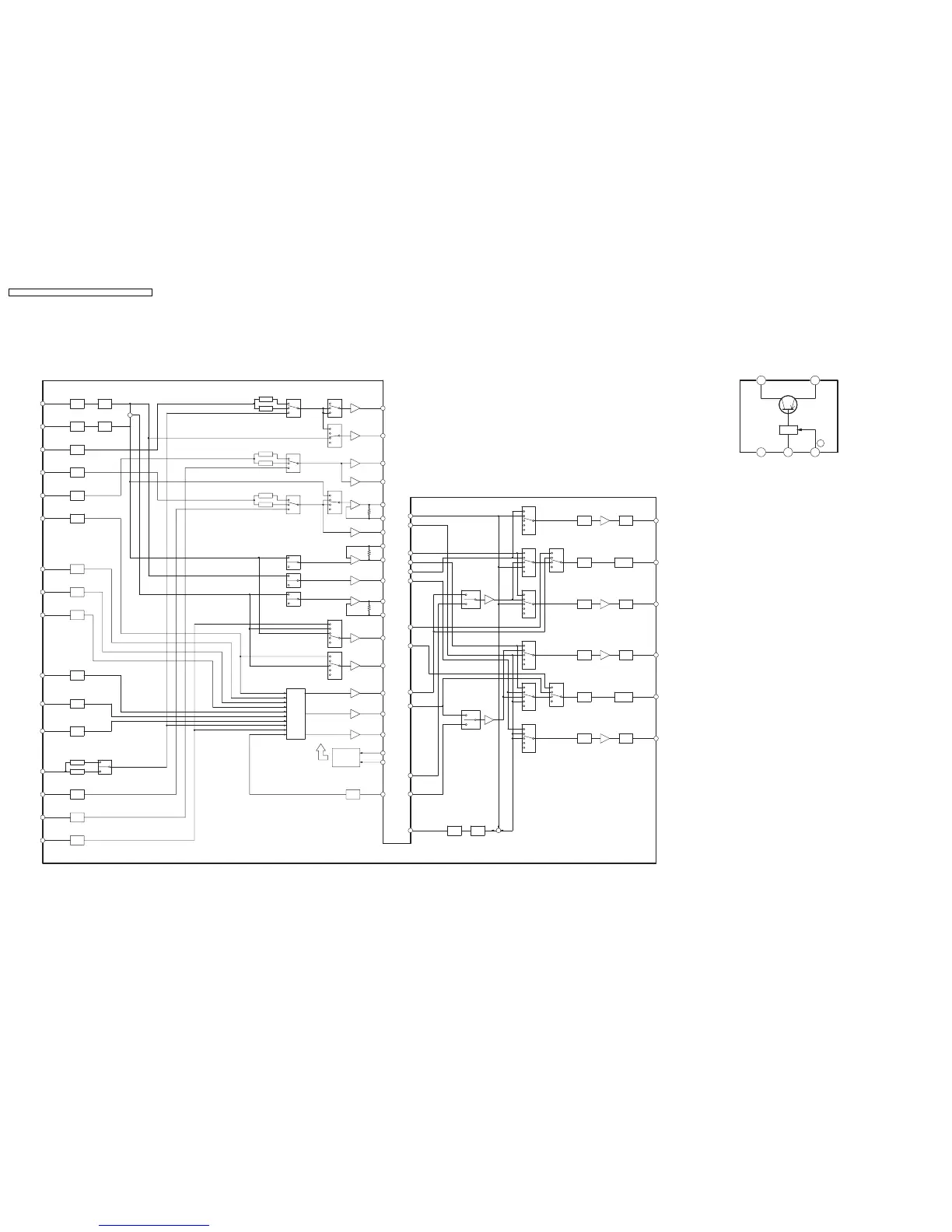
IC3001
VIDEO/AUDIO PROCESSOR
IC-DETAIL BLOCK DIAGRAM
IC4001
AU +5V SWITCHING REGULATOR
IC-DETAIL BLOCK DIAGRAM
CLAMP
AV4 V
35
CLAMP
AV4 Y
39
BIAS
AV4 C
43
59
AV4 Lch
AV4 Rch
51
IC3001 Detail Block Diagram
IC4001 Detail Block Diagram
DMR-EH57EC/EP/EE,EH575EG IC-Detail Block Diagram
DMR-EH57EC / DMR-EH57EP / DMR-EH57EE / DMR-EH575EG
62

Table of Contents

Related product manuals