EasyManua.ls Logo

Panasonic DMR-EH57EC

Panasonic DMR-EH57EC
98 pages
To Next Page IconTo Next Page
To Next Page IconTo Next Page
To Previous Page IconTo Previous Page
To Previous Page IconTo Previous Page
Loading...
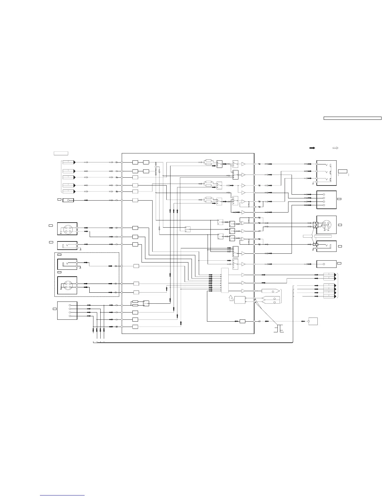
11.2. Analog Video Block Diagram
DMR-EH57EE
(SW17C)
a
b
(SW17V)
a
b
(SW17Y)
a
b
DMR-EH57EC/EP/EE,EH575EG
Analog Video Block Diagram
V/Y IN DM
CPN CIN DM
MAIN P.C.B.
1.0V
2.3V
5V
:PB SIGNAL:REC SIGNAL
CLAMP
V
TUNER
30
INTERLACE
PROGRESSIVE/
VIDEO OUT
COMPONENT
Y
PB
PR
1
4
JK3903
3
2
RED/C15
VIDEO/Y19
GREEN11
(TV)
AV1
BLUE7
21PIN JACK
JK3901
OUT
C
Y
S-VIDEO
JK3001
3
4
OUT
VIDEO OUT
JK3001
15
14
(DECODER/EXT)
AV2
VIDEO19
21PIN JACK
JK3901
U/V TUNER
TU7801:DMR-EH57EC
TU7802:DMR-EH57EE/EP,EH575EG
17
OUT
VIDEO
DIGITAL P.C.B.
TO
P59001P7402
71
75
P7402 P59001
P59001P7402
83
88
P7402 P59001
P59001P7402
84
87
P7402 P59001
LOGIC
IIC BUS
SDA
89
SCL
88
SECTION
TIMER
FROM/TO
IIC DATA
IC7501- 30
29IC7501-
IIC CLK
BQ7501,Q7503-
(SW10)
CLAMP
CLAMP
CLAMP
CLAMP
BIAS
CLAMP
SLICER
85
OUT
ADC
V/Y
83
OUT
C-ADC
81
TUNER V
AV2 V/Y
AV2 R/C
AV3 V
AV3 C
AV3 Y
AV1 V
CIRCUIT
SWITCH
SELECT
OUTPUT
ADC
OUT
V
AV2
28
SV2
e
d
c
b
a
OUT
V/Y/C
AV1
26
SV1
e
d
c
b
a
a
b
(SW9)
OUT
V
24
23
a
b
(SW8)
OUT
C
22
(SW7)
a
b
OUT
Y
20
19
OUT
G
AV1
17
6MHz
(SW5)
12MHz
a
b
c
15
OUT
Y
COMP
14
(SW6)
a
b
c
d
OUT
B
AV1
12
OUT
B-Y
COMP
11
6MHz
(SW4)
12MHz
a
b
c
d
OUT
R-C
AV1
9
(SW3)
a
b
c
(VIDEO PROCESSOR)
IC3001
OUT
R-Y
COMP
7
(SW2)
a
b
c
(SW1)
12MHz
6MHz
CLAMP
BIAS
CLAMP/
CLAMP
BIAS
CLAMP/
+
LPF
6MHz
CLAMP
BPF
6MHz
BIAS
a
b
CLAMP
BIAS
c
b
a
AV2 V/Y
AV2 B
AV2 G
AV2 R/C
AV3 V
AV3 C
AV3 Y
AV1 V
AV2 V/Y
< B >
< RGB CPSV >
< R >
< G >
AV2 B
AV2 G
AV2 R/C
AV3 V
AV3 C
AV3 Y
31
5
3
1
(DECODER/EXT)
AV2
VIDEO/Y
BLUE
GREEN
RED/C
20
7
11
15
21 PIN JACK
JK3901
VIDEO IN
37
S-VIDEO IN
45
AV3
JK3802
FRONT JACK
AV3
JK3801
FRONT JACK
41
7
6
4
3
2
1
4
3
33
99
97
95
93
91
AV1 VIDEO
(TV)
AV1
20
21 PIN JACK
JK3901
FROM
DIGITAL P.C.B.
BPBOUT DM
GPYOUT DM
RPROUT DM
Y OUT DM
C OUT DM
P59001
67
P7402
P7402P59001
63
59
P59001 P7402
51
P59001 P7402
55
P7402P59001
< R >
< B >
< RGB CPSV >
< G >
AV4 V
AV4 Y
AV4 C
14
15
35
JK3001
REAR JACK
AV4
VIDEO
IN
4
31
24
3
S-VIDEO IN
39
JK3001
S-VIDEO
AV4
43
Y
C
AV4 V
AV4 Y
AV4 C
AV4 V
AV4 Y
AV4 C
CLAMP
BIAS
CLAMP
(EE) only
9
10
13
DMR-EH57EC/EP, EH575EG
DMR-EH57EC / DMR-EH57EP / DMR-EH57EE / DMR-EH575EG
47

Table of Contents

Related product manuals