EasyManua.ls Logo

Panasonic KX-TG2873BXS

Panasonic KX-TG2873BXS
103 pages
To Next Page IconTo Next Page
To Next Page IconTo Next Page
To Previous Page IconTo Previous Page
To Previous Page IconTo Previous Page
Loading...
10
KX-TG2873BXS/KX-TGA280BXS
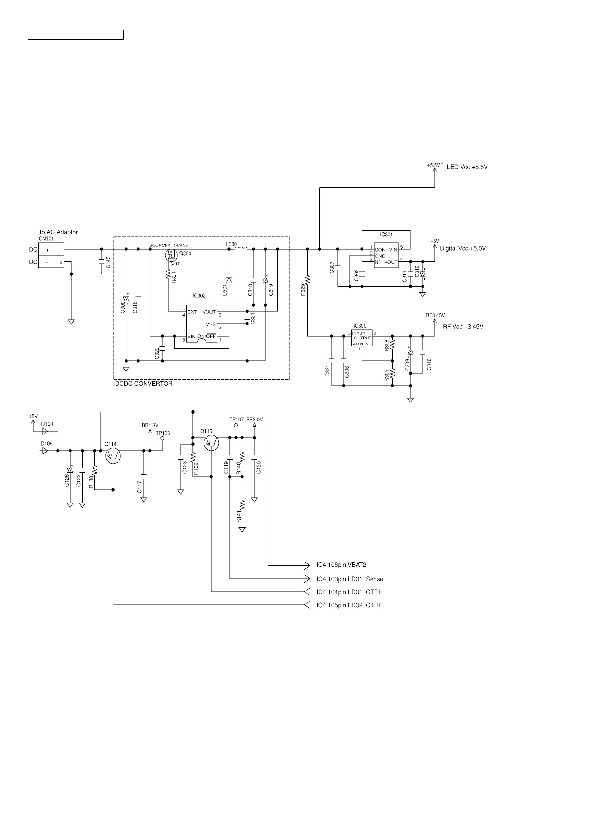
4.3.3. Power Supply Circuit
Function:
The power supply voltage from AC adaptor is converted to the desired voltage of each block.
Circuit Operation:
Q304 and IC302: +5.5V DCDC Converter
IC301 +5.0V Regulator
IC601 +3.45V Regulator
Q115 +3.0V IC4 I/O Voltage
Q114 +1.8V IC4 Internal Voltage
The voltage of +5V regulated in IC301 is controlled by IC4 to be made into IC4’s I/O voltage of BB3.0V at Q115 and IC4’s internal
power supply of BB1.8V at Q114.

Table of Contents

Related product manuals