EasyManua.ls Logo

Panasonic KX-TG2873BXS

Panasonic KX-TG2873BXS
103 pages
To Next Page IconTo Next Page
To Next Page IconTo Next Page
To Previous Page IconTo Previous Page
To Previous Page IconTo Previous Page
Loading...
14
KX-TG2873BXS/KX-TGA280BXS
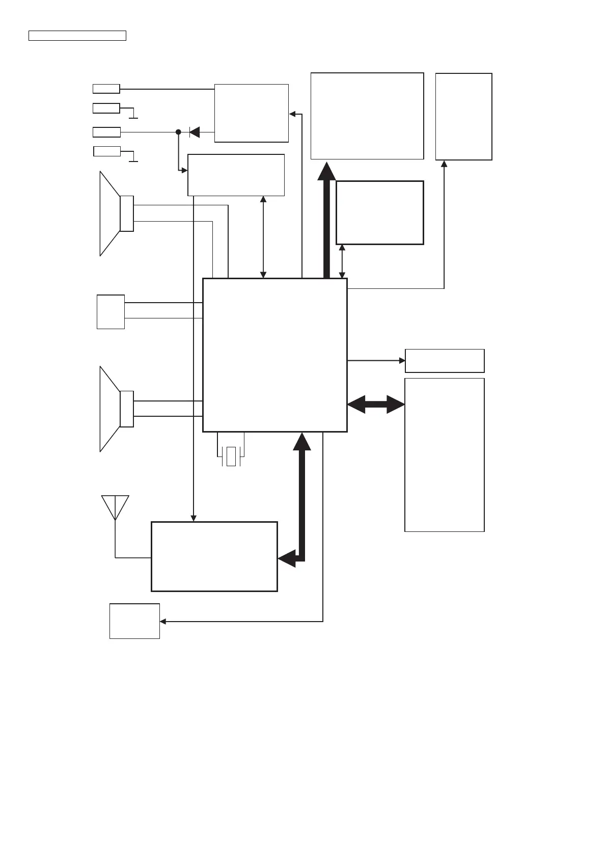
4.4. Block Diagram (Cordless Handset)
Receiver
RF_UNIT
IC700
ANT
X1
10.368MHz
EEPROM
IC2
LCD
Speaker
Charge Control
Q500
Q501
Q502
LCD_Light
LED2,3,4
Q101
D501
ANT_LED
KEY_Light
LED5,6,7,8,Q100
Power Circuit
IC300,IC301
Q300,Q301,Q302
MIC
Charge
Battery
+
+
-
-
BBIC
IC1
KEYS
KX-TGA280 BLOCK DIAGRAM (Cordless handset)

Table of Contents

Related product manuals