EasyManua.ls Logo

Panasonic KX-TG2873BXS

Panasonic KX-TG2873BXS
103 pages
To Next Page IconTo Next Page
To Next Page IconTo Next Page
To Previous Page IconTo Previous Page
To Previous Page IconTo Previous Page
Loading...
68
KX-TG2873BXS/KX-TGA280BXS
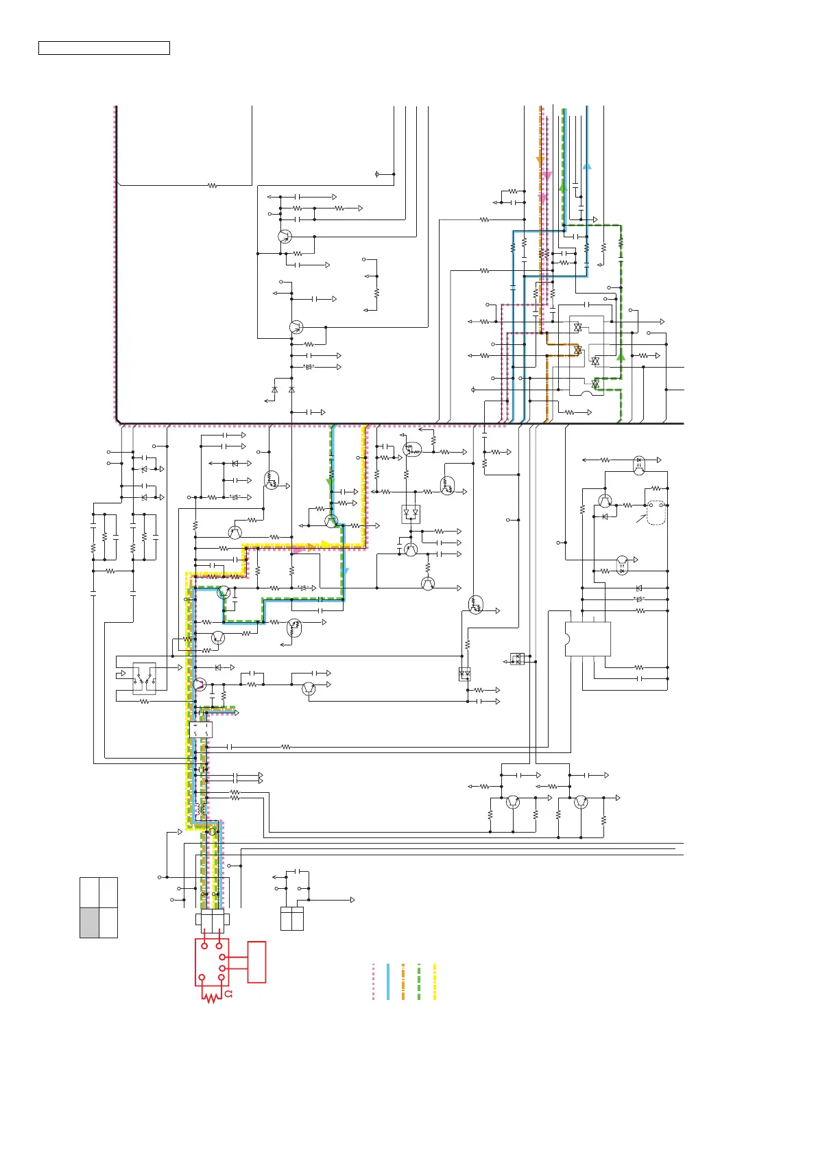
13.2. Schematic Diagram (Base Unit_Main)
Note:
(*1) Refer to Input Level (P.77)
1/4
KX-TG2873BX SCHEMATIC DIAGRAM (Base Unit_Main_1/4)
(a)
(b)
(c)
(d)
(e)
(f)
(g)
(h)
(j)
(m)
(p)
(r)
(s)
(1)
(2)
(3) (4) (5) (6)
(i)
(k)
(n)
(q)
BB1.8V
BB3.0V
+VIN
BB3.0V
DG
DG
DG
DG
DG
DG
DG
DG
DG
+5V
LREF
LREF
DG
DG
DG
TP21
TP207
TP205
TP202
TP208
TP206
TP209
TP211
DG
DG
SW100
123
456
Q115
VBAT2
VBAT2
15k
R138
R216
1K
220k
R209
5.6k
R139
100
R220
( )
NC
R215
DA100
1
23
DG
0R211
0R212
DG
( )
Q100
NC
NC
Q112
Q119
DG
DG
K0.1u
C210
K0.1uC215
K0.1u
C207
( )
NC
C205
( )
NC
C203
TP100
TP101
TP401
TP400
TP407
TP308
TP309
TP106
TP402
TP228
IC200
1
2
3
4
5
6
7
VSS
8
9
10
11
12
13
14
VDD
K1u C120
K1u C122
K1u
C117
K1u
C123
K1000p C109
F13k R140 F5.6k R141
390
R127
( )
NC
R107
22kR115
( )
NC
R102
330k
R113
3.3M R111
Q111
K1u
C129
C3p
C135
D3p
C134
DG
K0.01u C204
C143
Z0.1u
DG
( )
NC
R210
150k
R214
Z0.1u C145
Q114
DG
470
R123
( )
NC
C151
K1000p
C209
C211
K1000p
16V47u
C138
BB1.8V
BB1.8V
TP210
K0.1u
C208
DG
DGDG
LG
DG
0R50
( )
Q101
( )
NC
R101
DG
DG
D108
220k R254
LREF
4.7k
R217
4.7kR218
150k R219
K1u
C213
TP107
( )
NC
R213
BB1.8V
BB1.8VB
TP121
K330p
C237
5.6k
R117
1k
R162
33k
R155
10k
R709
+VSINK
0
R175
Q122
BB3.0V
+5V
6.8k
R178
10k
R177
DG
TP122
+VSINK
Q901
DG
( )
NC
C910
( )
NC
C909
( )
NC
C907
DG
DG DG
330
R171
22k
R168
20VD104
180k
R904
1M
R906
180k
R905
1M
R907
D3p
C902
NC
C903
D900
D901
DG DG
D106
100k
R124
DG
100k
R128
K0.056u C108
22k
R119
4.7k R131
TP109
+5V
IC100
1
LINE1
2
GND
3
CSW
4
RA
5
OUT
6
NC
7
CR
8
LINE8
TP110
TP108
50V4.7u C111
DG
18k R110
D10527V
12k
R200
TP200
18k
R250
DG
K0.01u
C200
15k
R174
DG
Q121
82k
R172
100k
R173
1k
R170
DG
DG
BB3.0V
DG
Q120
+5V
Q110
TP900 TP901
TP902
3000V SA101
100R914
100 R913
22k
R903
( )
NC
R909
D101
A1
A2
K
D102
12
34
10V1000u C126
( )
NC
R900
( )
NC
R901
DA900
NC
1
23
BB1.8V
100k
R910
K0.01u
C911
DG
( )
NC
C103
( )
NC
C104
( )
NC
R105
0R165
R179
DG
6.3V220u
C128
Q104
CN101
1
2
Q109
Q107
D109
K1u
C148
LG
39 1/2W
R126
( )
NC
R908
K2200p
C146
5.6k R180
Q105
C119J15p
C110K4.7u
( )
C150
NC
( )
NC
R258
( )
NC
R257
DG
DG
R166
13k R116
NC
C105
22k
R183
330
R182
TP111
330k
R120
K1000p
C905
K1000p
C904
PC101
1
23
4
PC100
1
23
4
( )
NC
Q900
Q123
C908
J100p
C906
J100p
K0.1u
C149
( )
NC
C206
DG
( )
NC
C921
( )
NC
C920
100k
R112
K1500p
C901
K1500p
C900
250V1u
C106
2.2k 1/3W
R109
2.7k
R114
LG
( )
NC
C922
( )
( )
NC R106
LG
LG
NC R108
K680p C924
L101
1
23
4
K680p C923
K680p
C925
CN100
1
2
3
4
K0.01u
C137
1.5k
R129
10k R917
D110
56k
R133
12k R911
DHRX/HFMIC
DHTX
HSMIC+
nHS
LSR-
HSIN
DHCNT
SPCNT
HSMIC-
SPOUT
LINE_IN-
HSIN
BELL
DP
LSR+
LINEOUT
CIDIN+
CIDIN-
CIDIN+
CIDIN-
RVS2
RVS1
HLDRST
DCRCNT
DW/MICCNT
RCVCNT
8.2
( )
( )
TP for the buzzer
Land for soldering
RED
BLACK
NC: No Components
600
(*1)
FEEDING
circuit
RX (Handset)
DC48 V
+-
TX (Handset)
RX (Speaker)
TX (MIC)
RX (cordless handset)

Table of Contents

Related product manuals