EasyManua.ls Logo

Panasonic NV-SD440EG/ - Page 82

Panasonic NV-SD440EG/
192 pages
Print Icon
To Next Page IconTo Next Page
To Next Page IconTo Next Page
To Previous Page IconTo Previous Page
To Previous Page IconTo Previous Page
Loading...
H
H
H
H
H
H
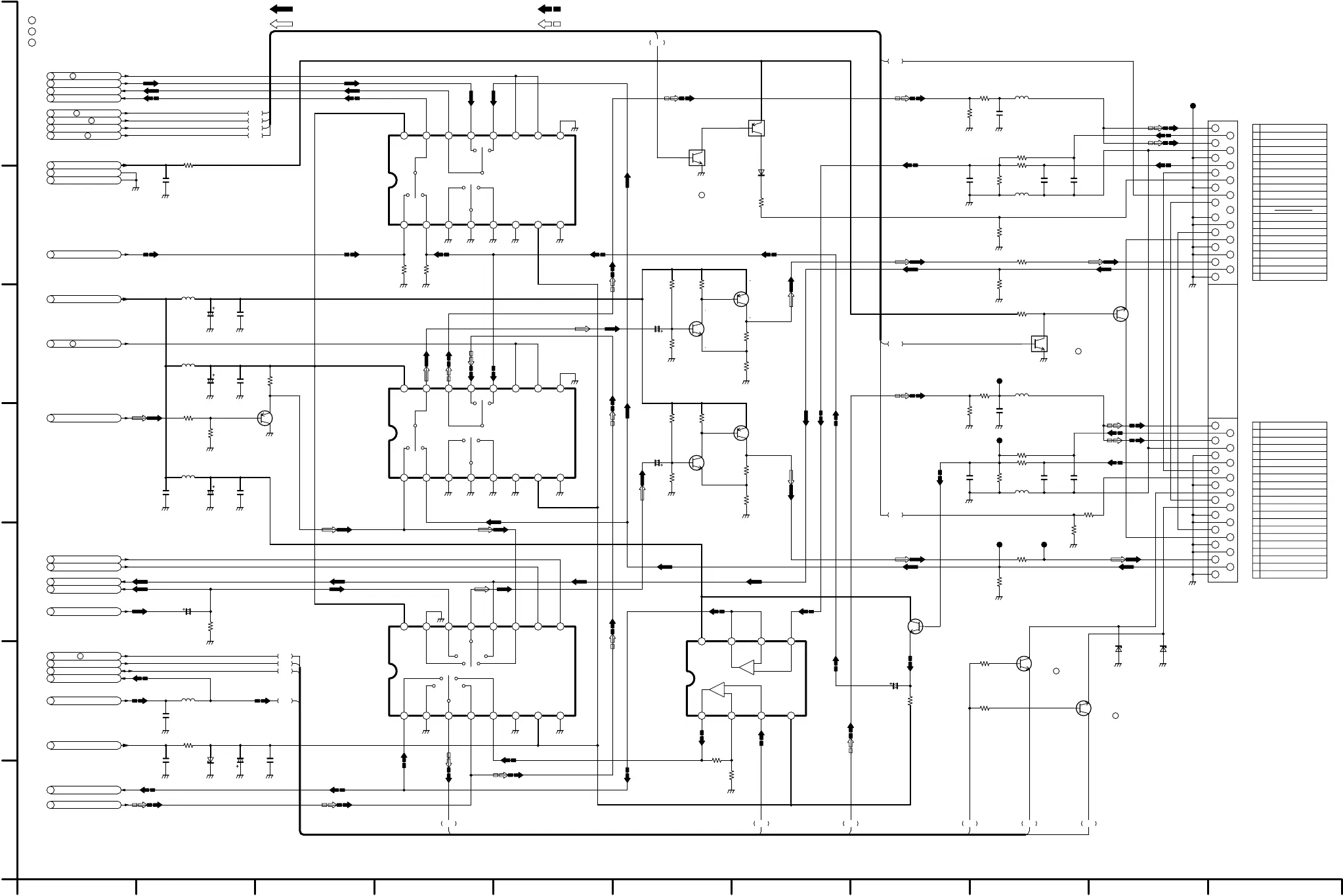
AUDIO MAIN SIGNAL PATH IN PLAYBACK MODE
AUDIO MAIN SIGNAL PATH IN REC MODE
VIDEO MAIN SIGNAL PATH IN PLAYBACK MODE
VIDEO MAIN SIGNAL PATH IN REC MODE
16V10
C4923
ORDER A PART,PLEASE REFER TO PARTS LIST.
SCHEMATIC DIAGRAM FOR ORDERING.WHEN YOU
NOTE:DO NOT USE ANY PART NUMBER SHOWN ON THIS
WITH PAL COLOUR SIGNAL.(SP MODE)
THE MEASUREMENT MODE OF THE DC VOLTAGE OUT OF THE BRACKETS ON THIS DIAGRAM IS PLAYBACK MODE
WITH PAL COLOUR SIGNAL.(SP MODE)
NOTE:THE MEASUREMENT MODE OF THE DC VOLTAGE IN THE BRACKETS ON THIS DIAGRAM IS RECORD MODE
GND
VIDEO IN
VIDEO OUT
GND
GND
BLANKING
RED
GND
GND
IIC DATA
GREEN
IIC CLOCK
GND
PB +12V
BLUE
AUDIO IN
GND
GND(A)
AUDIO OUT
AUDIO IN
AUDIO OUT
21
20
19
18
17
16
15
14
13
12
11
10
9
8
7
6
5
4
3
2
1
(DECODER/EXT)
AV2
GND
VIDEO IN
VIDEO OUT
GND
GND
BLANKING
RED
GND
GND
GREEN
CONTROL
GND
PB +12V
BLUE
AUDIO IN
GND
GND(A)
AUDIO OUT
AUDIO IN
AUDIO OUT
21
20
19
18
17
16
15
14
13
12
11
10
9
8
7
6
5
4
3
2
1
(TV)
AV1
VJS3634
JK4903
20
18
16
14
12
10
8
6
4
2
21
19
17
15
13
11
9
7
5
3
1
75
R4924
75
R4925
MA4075M
D4905
MA4075M
D4906
2SD601A
Q4903
B3
2SD601A
Q4904
B2
47K
R4927
47K
R4926
B1
2SD1328
Q4905
20
18
16
14
12
10
8
6
4
2
21
19
17
15
13
11
9
7
5
3
1
22K
R4915
15K
R4913
A4
47P
C4912
47P
C4913
VLP0147
LB4905
150K
R4918
180P
C4907
5600
R4922
5600
R4921
VLP0147
LB4904
47K
R4917
100
R4920
1000P
C4908
A3
MUN2212
QR4903
4700
R4912
75
R4929
75
R4928
5600
R4909
47P
C4914
47P
C4915
VLP0147
LB4908
5600
R4932
5600
R4930
180P
C4916
150K
R4931
VLP0147
LB4907
100
R4935
1000P
C4919
47K
R4934
A2
2SD601A
Q4910
4700
R4951
16V10
C4924
B5B4
2200
R4959
6800
R4958
NJM4558M
IC4903
+
-
+
-
VSS
VDD
8765
4321
120
R4949
120
R4947
2SB709A
Q4908
330
R4945
2SD601A
Q4909
47K
R4950
68K
R4946
2SB709A
Q4906
120
R4941
120
R4943
2SD601A
Q4907
330
R4939
47K
R4944
16V10
C4920
68K
R4940
910
R4910
1SS254
D4903
MUN2111
QR4902
MUN2212
QR4901
A1
B5
AUDIO OUT
V
AUDIO IN1
V
B4
B3
B2
B1
0.1
C4929
16V22
C4928
MA4056NM
D4907
3900
R4961
2200P
C4933
SW -29V
P
VLP0125
LB4910
1000P
C4938
TUNER AUDIO
P
TUNER AUDIO
OSD IIC DATA
OSD IIC CLOCK
PROG
V
V
V
V
16V47
C4925
330K
R4962
TUNER VIDEO
P
TUNER VIDEO
VIDEO IN1
DEA
DEB
V
V
V
V
VSSVEEINH
Y1Y3
Y
Y2Y0
X3X0
X
X1X2
DEBDEAVDD
MC14052BFR
IC4904
12345678
9
10111213141516
16 15 14 13 12 11 10
9
87654321
MC14053BFR
IC4902
X
VDD
Y
X1 X0
A
Y0
BC
Y1 Z1
Z
Z0
INH VEE VSS
1000P
C4937
0.1
C4927
16V10
C4926
33u
L4903
VIDEO OUT
V
2SB709A
Q4911
1K
R4957
1K
R4956
470
R4955
33u
L4904
10V47
C4931
0.1
C4930
TV
V
1
C4922
6V100
C4921
VLP0125
LB4915
P
EX.SYSTEM 5V
FRONT AUDIO
T
100K
R4953
100K
R4952
MC14053BFR
IC4901
VSSVEEINH
Z0
Z
Z1Y0Y1
CBA
X0X1
XY
VDD
12345678
9
10111213141516A1
A2
A3
A4
0
R4911
2200P
C4934
GND(A)
GND
UNREG 14V
P
P
P
AV1 PB
PROJ.50
RGB OFF
CPB
V
V
V
V
:TO TIMER SECTION(Page:65)
:TO LUMINANCE & CHROMINANCE/AUDIO SECTION(Page:68)
T
V
:TO POWER SUPPLY/RF SECTION(Page:64)
P
AUDIO IN2
VIDEO IN2
FRONT VIDEO
VA
V
V
T
V
1110
987654321
G
F
E
D
C
B
A
H
H
H
H
1.7
1.1
2.3
5.1
1.3
4.4
1.9
0
0
0
0
5.0
0
4.7
0
4.8
0.3
0
-0.5
-1.1
5.1
-5.7
000
000
5.1
2.3
5.1
1.9
1.3
4.4
(0)
14.6
14.6
(14.6)
0
(0)
5.0
-5.7
0000
00
1.70.20.2
0
5.1
-5.7
0
1.7
5.05.0
000
1.75.1
-5.7
00
5.05.0
0000
5.1
( )
TW4906
TW3002TW3003
(PROG :ON)
(PROG :ON)
(RGB ON:ON)
TW4902
TW4907
(RGB OFF :ON)
(AMP)
(AMP)
(AMP)
(AMP)
(AMP)
(AV1 PB:ON)
(AV1 PB :ON)
(AMP)

Table of Contents

Related product manuals