EasyManua.ls Logo

Panasonic PT-VW360

Panasonic PT-VW360
136 pages
To Next Page IconTo Next Page
To Next Page IconTo Next Page
To Previous Page IconTo Previous Page
To Previous Page IconTo Previous Page
Loading...
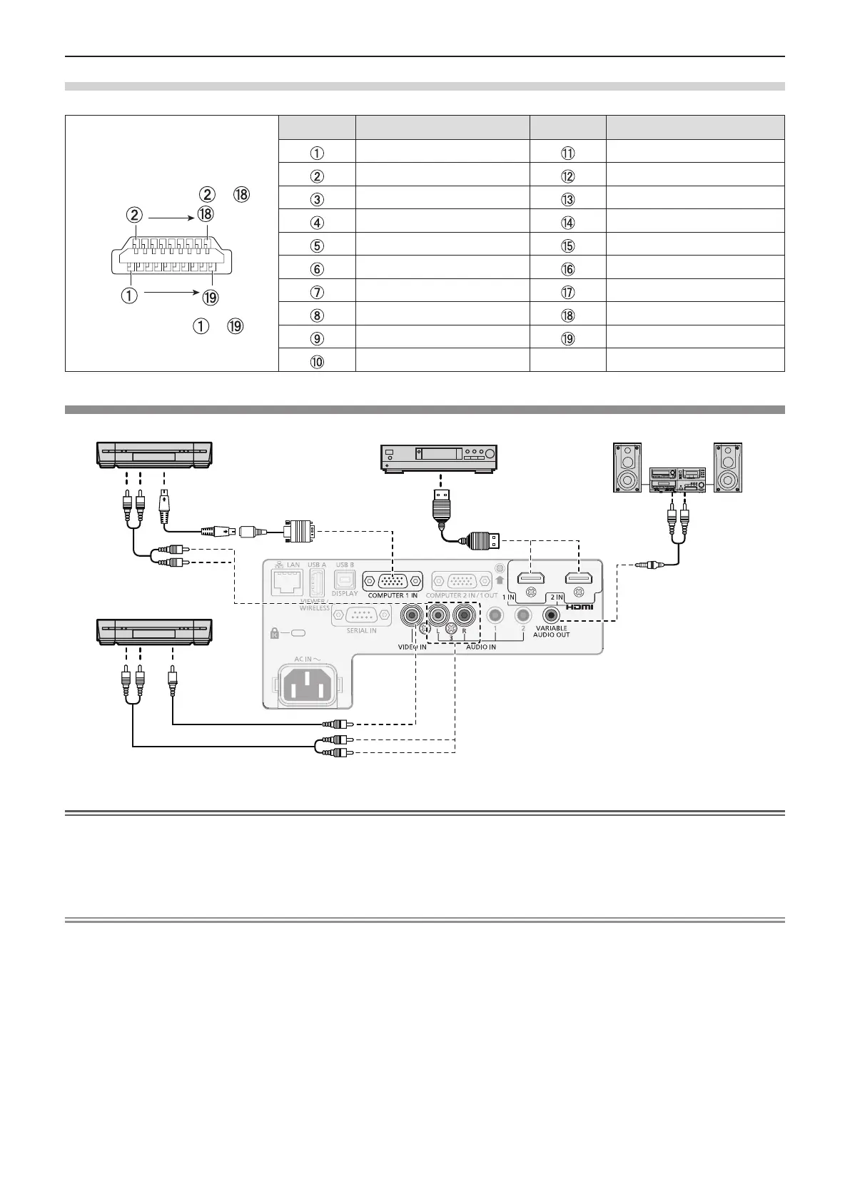
<HDMI 1 IN> terminal / <HDMI 2 IN> terminal pin assignments and signal names
Outside view
Pin No. Signal names Pin No. Signal names
T.M.D.S data 2+ T.M.D.S clock shield
T.M.D.S data 2 shield T.M.D.S clock
-
T.M.D.S data 2
-
CEC
T.M.D.S data 1+
T.M.D.S data 1 shield SCL
T.M.D.S data 1
-
SDA
T.M.D.S data 0+ DDC/CEC GND
T.M.D.S data 0 shield +5 V
T.M.D.S data 0
-
Hot plug detection
T.M.D.S clock +
Connecting example : AV equipment
Video deck (TBC built-in)
Blu-ray disk player
Audio equipment
S-video
cable
D-SUB - S Video
conversion cable
Video deck (TBC built-in)
Attention
f Always use one of the following when connecting a VCR.
- A VCR with built-in time base corrector (TBC).
- A time base corrector (TBC) between the projector and the VCR.
f If nonstandard burst signals are connected, the image may be distorted. In such case, connect the time base corrector (TBC) between the
projector and the external devices.
Note
f For the HDMI cable, use an HDMI High Speed cable that conforms to the HDMI standards. If a cable that does not conform to the HDMI
standards is used, images may be interrupted or may not be projected.
f The <HDMI 1 IN> terminal / <HDMI 2 IN> terminal can be connected to an external device with the DVI-D terminal by using an HDMI/DVI
conversion cable. However, this may not function properly for some external devices, and image may not be projected.
f This projector does not support the Viera link (HDMI).
f To output audio, properly set the [PROJECTOR SETUP] menu → [AUDIO SETTING] → [AUDIO IN SELECT].
f When Y/C signals are input to the <COMPUTER 1 IN> terminal, switch the setting by using the [PROJECTOR SETUP] menu →
[COMPUTER1 INPUT SETTING] (x page 74). In addition, When Y/C signals are input, please use the optional D-SUB - S Video
conversion cable (Model No.: ET-ADSV).
f When the <VARIABLE AUDIO OUT> terminal is connected with cable, the sound will not be output from the built-in speaker.
Odd-numbered pins to
Even-numbered pins to
ENGLISH - 35
Chapter 2 Getting Started - Connecting

Table of Contents

Related product manuals