EasyManua.ls Logo

Panasonic SA-AK330EE - Page 65

Panasonic SA-AK330EE
108 pages
Print Icon
To Next Page IconTo Next Page
To Next Page IconTo Next Page
To Previous Page IconTo Previous Page
To Previous Page IconTo Previous Page
Loading...
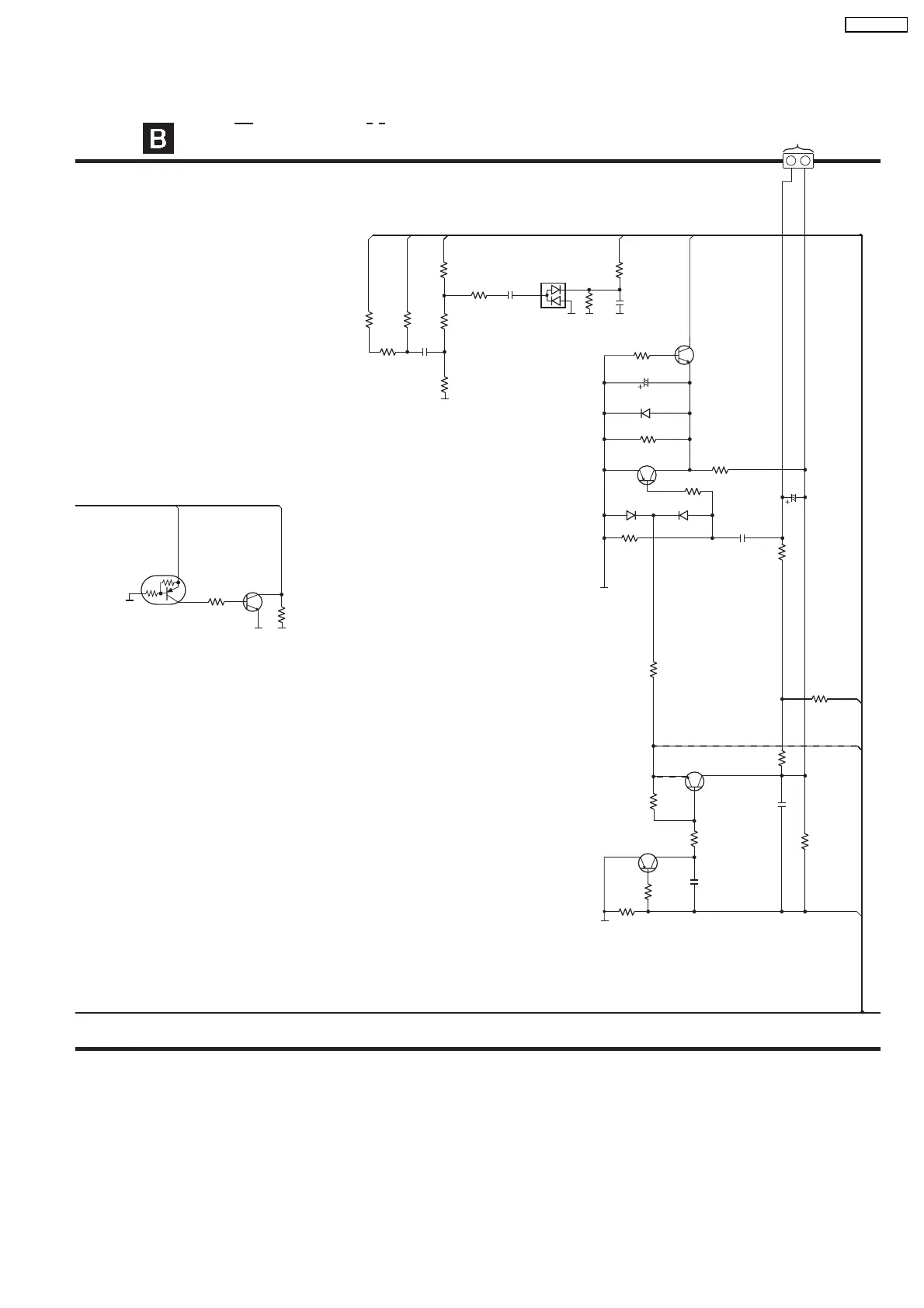
MAIN CIRCUIT
SCHEMATIC DIAGRAM - 6
: +B SIGNAL LINE
Q2701
C2705
16V10
C2708
16V100
C2706
0.01
C2701
0.01
D2705
B0ACCK000005
R2708
10K
R2709
100K
R2710
220K
R2711
100
R2713
100K
R2715
10K
R2705
4.7K
R2701
2.2M
Q2705
Q2704
C2707
10V10
1
2
CN2810
DCDET
-9V
SW5V
Q2701
2SD0592ARA
SWITCH
D2703
B0ACCK000005
FAN
D2704
B0ACCK000005
Q2706
2SD0601AHL
SWITCH
R2712
22
R2707
1K
TO FAN UNIT
R2714
120K
R2702
3.3K
R2704
0
Q2704,Q2705
2SB0709AHL
LOW FREQUENCY AMPLIFIER
R2332
22K
R2591
330K
+9V
R2331
0
R2333
0
C2332
0
D2332
B0ADCC000002
C2334
0.22
R2337
470K
R2338
1K
LM_L
Q2511
B1GDCFJJ0023
SWITCH
R2527
1K
HARMONIC_SW
R2525
100K
Q2512
B1ABCF000131
SWITCH
CONN4
R2706
4.7K
VIN2
R2339
1K
VIN1
R2439
1K
R2592
0
C2331
1
: -B SIGNAL LINE
65
SA-AK330EE

Table of Contents

Related product manuals