EasyManua.ls Logo

Panasonic SA-AK330EE - Cabinet

Panasonic SA-AK330EE
108 pages
Print Icon
To Next Page IconTo Next Page
To Next Page IconTo Next Page
To Previous Page IconTo Previous Page
To Previous Page IconTo Previous Page
Loading...
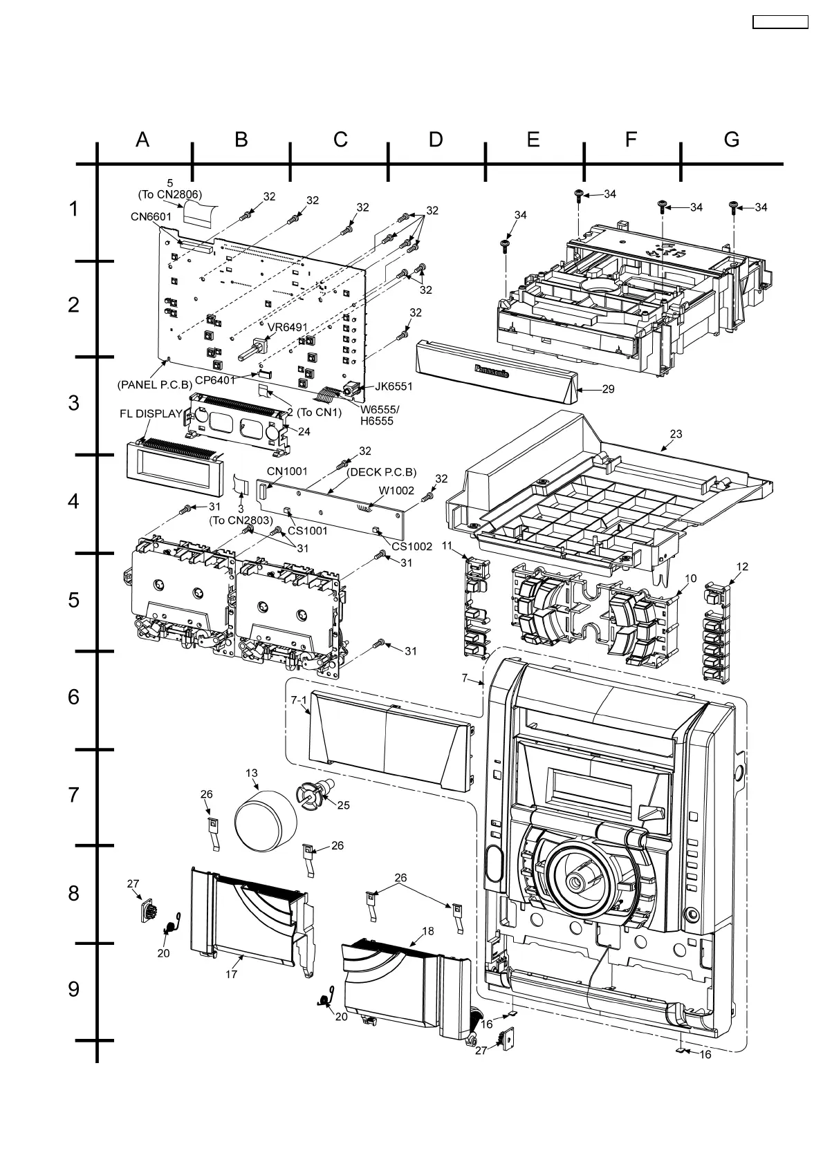
22.3.1. Cabinet Parts Location
22.3. Cabinet
97
SA-AK330EE

Table of Contents

Related product manuals