EasyManua.ls Logo

Panasonic SA-PM28E - Schematic Diagram - 12

Panasonic SA-PM28E
169 pages
Print Icon
To Next Page IconTo Next Page
To Next Page IconTo Next Page
To Previous Page IconTo Previous Page
To Previous Page IconTo Previous Page
Loading...
3 5421
1
2
4
6
8
7
5
3
CN1303
Q1302
DTA114EKA146
DECK MUTING CONTROL
Q1201
W1903
Q1303
DTC143XKA146
SWITCH
3
5
7
9
8
6
4
2
1
CN1304
7 986
CP1902
Q1304
DTC143XKA146
SWITCH (REC:H)
Q1314
Q1314
DTA143XKA146
SWITCH (MOTOR SUPPLY)
Q1316
2SD09650RA
SWITCH
R1345
1K
R1206
100K
R1106
100K
R1209
1K
R1109
1K
R1205
2.2K
R1105
2.2K
R1314
1K
R1308
22
R1307
22
R1309
470
R1110
33K
R1210
33K
R1344
27K
R1343
3.3K
R1341
470
C1209
50V3.3
C1109
50V3.3
C1326
10V10
Q1315
Q1315
KTA12710YTA
SWITCH
D9V
9V_GND
9V
BPL
RECH1
VREF+
AN6
AN7
MOTOR_L
PL_L
VREF-
VREF+
AN6
AN7
BP
BP
REC
DMT
MOTOR_GND
REC Lin
AF_GND
PB Lout
MOTOR_9V
4.7K
10K
MOTOR_VCC
R1316
1K
Q1305
DTC114EKA146
SWITCH
: PLAYBACK SIGNAL LINE
: REC SIGNAL LINE
: +B SIGNAL LINE
C1123
270P
Q1304
Q1305
Q1303
Q1316
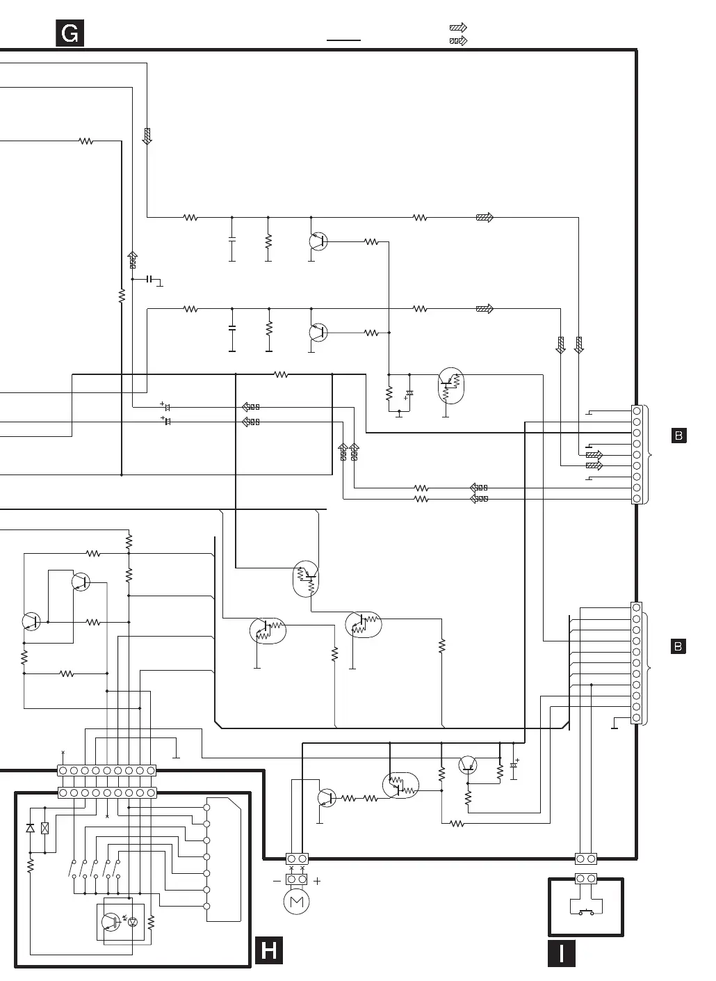
DECK MECHANISM
CIRCUIT
Q1101, 1201
2SD2114K1V
MUTING SWITCH
TO
MAIN CIRCUIT
(H309/W309) ON
SCHEMATIC
DIAGRAM - 5
TO
MAIN CIRCUIT
(H307/W307) ON
SCHEMATIC
DIAGRAM - 6
DECK CIRCUIT
SCHEMATIC DIAGRAM - 12
PB Rout
REC Rin
9
10
REC
VREF-
C1110
6800P
C1210
6800P
Q1101
Q1302
R1207
1K
R1107
1K
R1313
10K
C1310
50V0.1
PHOTO
R1342
47K
R1374
470
11
TAPE_EJECT
S602
TAPE EJECT
TAPE EJECT
CIRCUIT
W308B
3 5421
D971
MA2C16500E
R972
820
PL
S973
S972
HALF
CRO2
PL
GND
IC971
CNB13030R2AU
PHOTO INTERUPTOR
7 986
CS971
AN7
R973
39K
S974
RECINH_R
S971
MODE
S975
RECINH_F
Z971
RGSD12A1445T
RADA RESISTOR
R1319
12K
R1371
22K
R1318
10K
R1320
100K
PL_VCC
GND2
PHOTO
VREF+
VREF-
R1322
82K
R1321
47
AN7
Q1306
Q1307
Q1306, 1307
2SC2412KT96R
SWITCH
W308A
21 21
21
7
6
5
3
4
2
1
VREF+
VREF-
AD_OUT
RECINH_F
MODE
HALF
RECINH_R
Z971

Related product manuals