EasyManua.ls Logo

Panasonic SA-VK61D - Page 40

Panasonic SA-VK61D
156 pages
Print Icon
To Next Page IconTo Next Page
To Next Page IconTo Next Page
To Previous Page IconTo Previous Page
To Previous Page IconTo Previous Page
Loading...
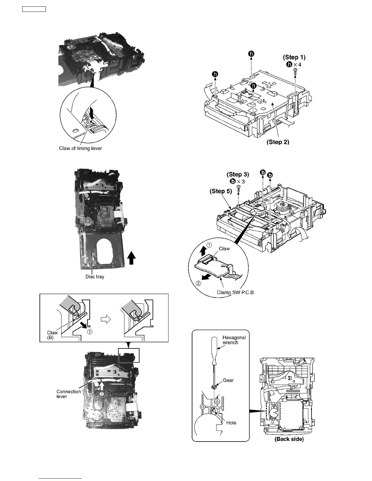
Step 3 Force the claw of timing lever.
Step 4 Force the disc tray fully.
Step 5 With pressing the claw (B) in the direction of arrow (1),
force the connection lever in the direction of arrow (2).
17.8.2. Replacement for the disc tray
Step 1 Remove 4 screws.
Step 2 Remove the upper plate.
Step 3 Remove 3 screws.
Step 4 With lifting the claw in the direction of (1), draw the
clamp SW P.C.B. in the direction of arrow (2).
Step 5 Remove the mechanism cover.
40
SA-VK61DGS

Table of Contents

Related product manuals