EasyManua.ls Logo

Panasonic SB-WA310 - Page 174

Panasonic SB-WA310
210 pages
Print Icon
To Next Page IconTo Next Page
To Next Page IconTo Next Page
To Previous Page IconTo Previous Page
To Previous Page IconTo Previous Page
Loading...
C3012
C3815
L3002
QR3151
QR3151
Q3853
Q3853
C3004
R3816
R3014
C3020
C3008
R3015
C3033
IC3001
L3003
VREG5V
R3008
R3007
C3017
C3016
K3002
K3011
R3011
C3002
Q3050
L3050
R3053
C3051
R3052
AMPLIFIER
S.VHS:ON
S.VHS:ON
R3013
R3004
R3006
R3854
C3015
C3013
C3014
C3018
C3001
C3003
R3904
C4043
C3007
C3010
C3009
C3810
C3005
L3007
C3034
C3035
C3036
C3023
VIDEO/AUDIO SIGNAL PROCESSOR
C3030
C3029
C3031
C3028
X3002
C3024
C3025
C3032
C5002
C5004
R4061
C4061
R4062
C4062
R4063
C4064
C4063
C4041
C5003
L5001
C4010
R4014
C3040
C3039
L3008
R4013
C3043
C3038
C4042
0.1
220u
47P
1800
10K
0
0.1
560
50V2.2
15u
3.3K
2200
0.1
6.3V22
0
150P
180u
560
150P
56
3.9K
1500
1200
47K
0.1
50V2.2
50V1
0.22
0.01
0.1
6200
6.3V22
0.1
25V3.3
50V1
0.1
0.1
56u
50V1
0.01
25V4.7
25V3.3
0.033
0.1
25V4.7
4700P
4P
0.022
0.47
0.1
0.1
330K
95
91
96
VREG5V
0.01
10K
6.3V33 270
1800P
25V3.3
25V4.7
6.3V100
56u
16V10
22K
0.1
6.3V47
56u
15K
50V1
16V10
25V4.7
0.01
UNR521300L
2SC229500L
C1AB00001506
H0D357400036
S_VHS_PB_H
TRK_ENV
IN_NORMAL
OUT_NORMAL
AVR_L
A HEAD[W]
27
1
2
3
4
5
6
7
8
9
10
11
12
13 14
15
16 17
18
19 20
21
22
23
24
25
31
32
33
34
35
36
37
38
39
40
41
42
43
44
45
46
47
48
49
50
56
5758
59
6061
62
63
6465
66
67
68
69
70
7172
73
74
75
76
77
78
79
80
81
82
83
84
85
86
87
88
89
90
91
92
93
94
95
96
97
98
99
100
26
27 28
28
30
51
52
53
54
55
SP L
SP COM
SP R
EP L
EP COM
EP R
H_SW2
95
91
96
S
ANIME_L
S
A
A
PB_X5_H
VBI
SEP C OUT
CON C
22
VREG5V
S
S
SEP IN
SEP Y OUT
S
: +B SIGNAL LINE
: MAIN SIGNAL LINE
: DVD VIDEO SIGNAL LINE
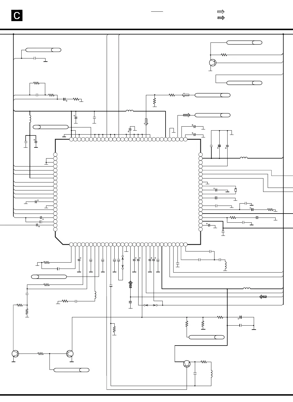
MAIN (VIDEO:V) CIRCUIT
SCHEMATIC DIAGRAM-26
Q3001
R3010
2700
HIFI AMP
V IN 1
TUN_VIDEO_IN
27
A
OSD_VIDEO_IN
S
REG12V
2SB1218A0L
2SD1819A0L
C3019
330
L3004
G0C390JA0019

Related product manuals