EasyManua.ls Logo

Panasonic SC-UA3E - Service Position; Checking Main P.C.B. and SMPS Module

Panasonic SC-UA3E
74 pages
Print Icon
To Next Page IconTo Next Page
To Next Page IconTo Next Page
To Previous Page IconTo Previous Page
To Previous Page IconTo Previous Page
Loading...
32
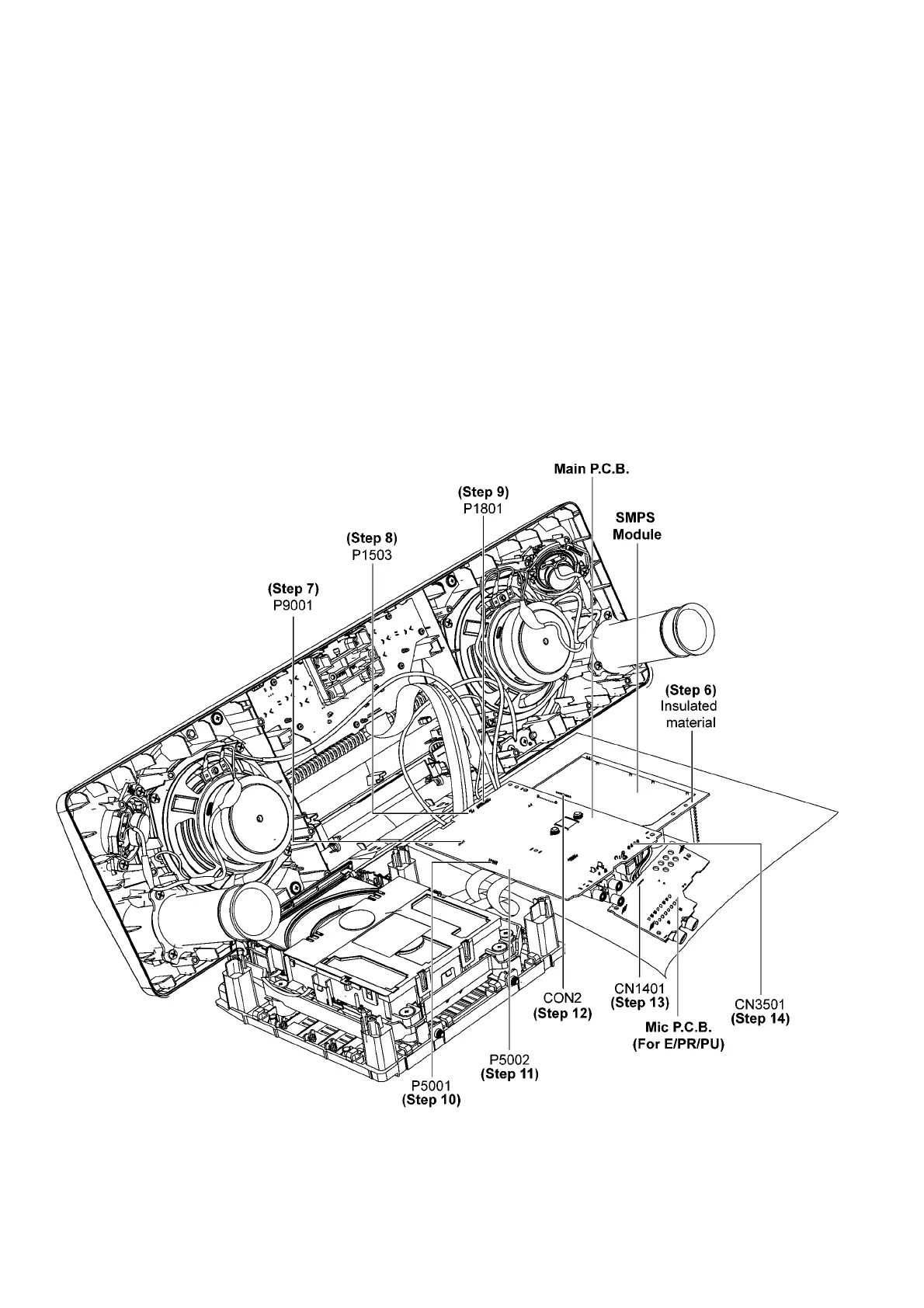
9 Service Position
Note: Refer to Section 8 for disassembly instruction for the related parts.
9.1. Checking of Main P.C.B. and SMPS Module
Step 1 Remove Front Panel Unit.
Step 2 Remove Mic P.C.B.. (For E/PR/PU)
Step 3 Remove Main P.C.B..
Step 4 Remove SMPS Module.
Step 5 Remove CD Mechanism Unit.
Step 6 Place Main P.C.B. and SMPS Module on the insulated material as shown.
Step 7 Attach 4P Wire at connector (P9001) on Main P.C.B..
Step 8 Attach 2P Wire at connector (P1503) on Main P.C.B..
Step 9 Attach 17P FFC at connector (P1801) on Main P.C.B..
Step 10 Attach 10P FFC at connector (P5001) on Main P.C.B..
Step 11 Attach 24P FFC at connector (P5002) on Main P.C.B..
Step 12 Attach 9P Wire at connector (CON2) on SMPS Module.
Step 13 Attach 5P Wire at connector (CN1401) on Mic P.C.B. (For E/PR/PU)
Step 14 Attach 4P Wire at connector (CN3501) on Main P.C.B..
Step 15 Main P.C.B. and SMPS Module can be checked as diagram shown.

Table of Contents

Related product manuals