EasyManua.ls Logo

Panasonic TH-42PY80P - Block Diagrams; System Block Diagrams

Panasonic TH-42PY80P
143 pages
Print Icon
To Next Page IconTo Next Page
To Next Page IconTo Next Page
To Previous Page IconTo Previous Page
To Previous Page IconTo Previous Page
Loading...
29
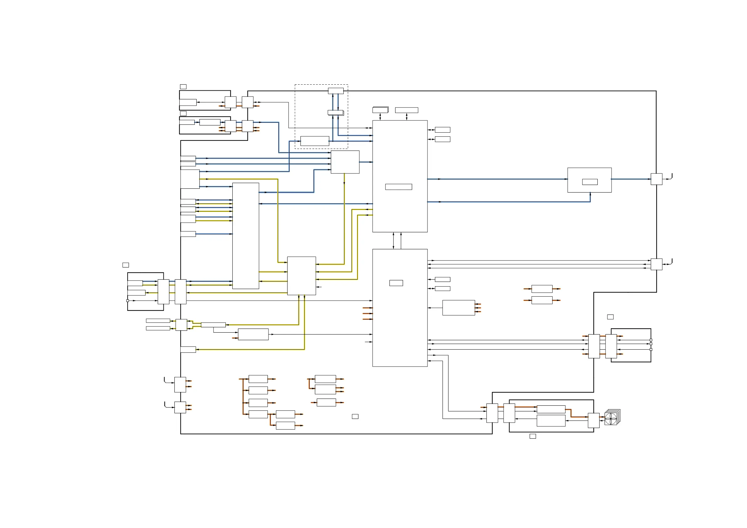
9 Block Diagram
9.1. Block Diagram (1/6)
SIF,AM
+5V(S)
DCDC
SPEAKER(L)
+1.8V(S)
+3.3V(S)
PB33
PB
L,R
A5
RESET
+9/7.2V
P6
+5V(STB)
AUDIO SW
+15V(FAN)
PB30
+3.3V(S)
K1
DCDC
FRONT TERMINAL
POWER LED(R)
+30V(BT)
SOUND SOS
FAN POWER
Y, C , V
SD CARD
CIRCUIT
SD CARD DATA
SOUND SOS DET
CIRCUIT
SUB+3.3V
SOUND
PWM AUDIO OUT
A8
DTV AUDIO
FAN CONT
10bit A/D
SBO2
SBI2
+3.3V(S)
CLOCK GEN
GS52
IIC1
GS
+3.3V(S)
DCDC
+3.3V(STB)
to D5
SUB+3.3V DET
+9V(P)
G
A52
SUB+5V DET
A51
DIGITAL VIDEO DATA
SUB+5V
PROCESSOR
EEPROM
+5V(S)
AI SENSOR
HDMI3 IN
BT+30V
+9V(S)
Peaks Lite2
SUB+1.8V
Y, C , V
RESET
HDMI AUDIO
FRONT END
PROCESSOR
HDMI3
PB32
GH
MONITOR
L,R
KEY SWITCH
KEYSCAN1
A1
A3
A7
HDMI2
AV3
DTV_V
F+15V
FAN CONTROL
CH0 DATA
FAN SOS
+15V(SND)
HDMI1
DIGITAL SIGNAL PROCESSOR
POWER LED
REMOTE
RECEIVER
V
to D3
AUDIO AMP
PANEL STB_ON
SD BOOT
+3.3V(S)
CH0 DATA
REMOTE IN
L,R
KEY SWITCH
FAN SOS DET
DCDC
A11
OPTICAL OUT
G51
REMOTE RECEIVER
+3.3V(S)
A12
SOUND SOS
HDMI I/F
RECEIVER
F+15V
K
L,R
DTV AUDIO
PB31
PANEL STATUS
HDMI
EQUALIZER
from
VIDEO SW
SLOT
+3.3V(STB)
SUB+1.2V
RESET
DDR2
STB MCU
FAN_A-D
A
SUB+9V
TUNER
A6
+1.2V(S)
FAN SOS
+5V(S)
GenX5
+15V(S)
+15V(FAN)
SD CARD DATA
SPEAKER(R)
LED
PAMEL SOS
from P7
AI SENSOR
+15V(FAN)
+15V(SND)
SUB+9V DET
GH11
SD CARD SLOT
+5V(S)
+9V(S)
FAN CONT
PB8
ALL OFF
OPTICAL OUT
+5V(S) +5V(S)
AI SENSOR
HEADPHONE
HP_L,R
HP_L,R
Y,PB,PR
L,R
Y, C , V
AV1
R,G,B
AV2
Y, C , V
L,R
PC
L,RCOMP
LVDS DATA
MIHO
Local 16bit OSD
RGB_30bit
LOSD OUT
(for HQ1)
B/E ONLY
CI SLOT
BUFFER
HSDIN
TS Parallel
EEPROM
FLASH
MONITOR L,R
MONITOR
OUT
FRC+3.3V
FRC+1V
DCDC
+1V(FRC)
DCDC
DCDC
FRC+2.5V
DCDC
FRC+2.6V
+2.5V(FRC)
+2.6V(FRC)
+30V(BT)
TUNER SOS DET
CIRCUIT
+9V(S)
+5V(S)
TUNER SOS
+3.3V(FHD)
FHD+3.3V
DCDC
+5V(S)
+1.2V(MIHO)
MIHO+1.2V
DCDC
+3.3V(FHD)
(LED:12 TIMES)
(LED:11 TIMES)
(LED:12 TIMES)
(LED:10 TIMES)
(LED:10 TIMES)
TH-42PY80P, PZ80B/E
Block (1/6) Diagram
TH-42PY80P, PZ80B/E
Block (1/6) Diagram

Table of Contents

Related product manuals