EasyManua.ls Logo

Panasonic TH-42PY80P - A-Board (11;16) Schematic Diagram

Panasonic TH-42PY80P
143 pages
Print Icon
To Next Page IconTo Next Page
To Next Page IconTo Next Page
To Previous Page IconTo Previous Page
To Previous Page IconTo Previous Page
Loading...
53
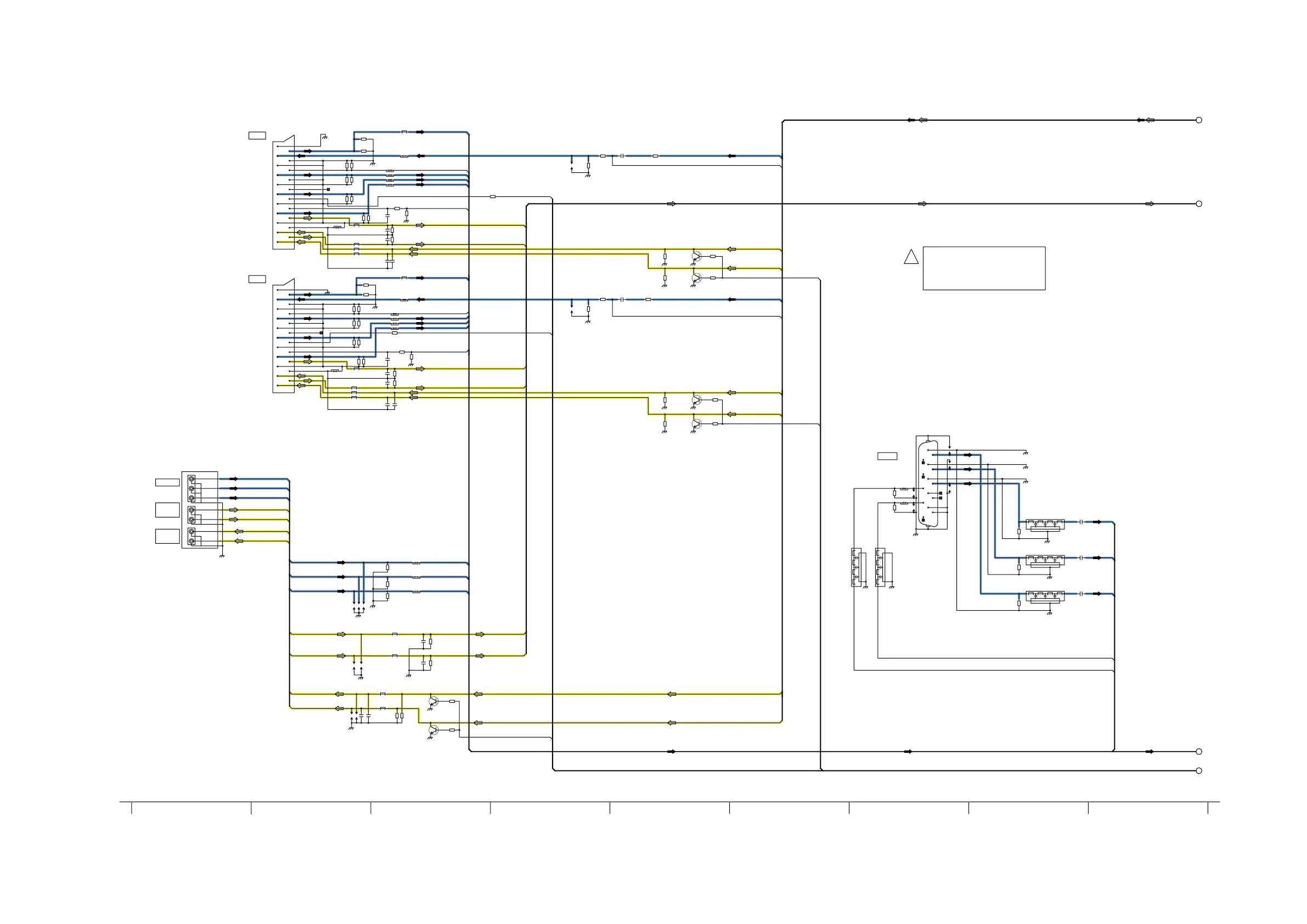
11.15. A-Board (11/16) Schematic Diagram
+
+
AUDIO OUT
AUDIO IN
L
R
PR
L
R
Y
PB
S
S
S
S
S
S
S
S
S
S
S
S
S
S
S
S
S
PC_V_IN
PC_B
PC_R
PC_G
PC_H_IN
E_AV1_VOUT/A_VOUT
MONITOROUT_MUTE
E_AV2_SLOW
E_AV1_VOUT/A_VOUT_FEED_B
MONITOROUT_MUTE
E_AV2_FEED_B
E_AV1_LIN/E_AV2_LIN
E_AV1_RIN/A_AV2_RIN
E_AV2_VOUT
E_AV1_SLOW
E_QLINK_AV1
E_AV2_LIN/A_AV3_LIN
E_QLINK_AV2
E_AV2_RIN/A_AV3_RIN
E_AV2_LOUT
E_AV2_ROUT
E_AV1_ROUT
E_AV1_LOUT
E_PC_RIN/A_AV1_RIN
E_PC_LIN/A_AV1_LIN
E_AV1_V/A_AV2_V
MONITOROUT_MUTE
RCA_AUDIOOUT_L_
RCA_AUDIOOUT_R_
E_PC_LIN/A_AV1_LIN_
E_YPBPR_PR/A_AV1C_PR_
E_YPBPR_PB/A_AV1C_PB_
E_YPBPR_Y/A_AV1C_Y_
E_PC_RIN/A_AV1_RIN_
RCA_AUDIOOUT_R_
RCA_AUDIOOUT_L_
E_PC_LIN/A_AV1_LIN_
E_PC_RIN/A_AV1_RIN_
RCA_AUDIOOUT_R
RCA_AUDIOOUT_L
E_YPBPR_PR/A_AV1C_PR_
E_YPBPR_PB/A_AV1C_PB_
E_YPBPR_Y/A_AV1C_Y_
E_AV2_V_Y/A_AV3_V
E_YPBPR_PB/A_AV1C_PB
E_YPBPR_PR/A_AV1C_PR
E_AV1_RED/A_AV2C_PR
E_AV1_GREEN/A_AV2C_Y
E_AV1_BLUE/A_AV2C_PB
E_AV2_VO
E_AV2_RED_C/A_AV3S_C
E_AV2_FB
E_AV2_GREEN
E_AV2_BLUE
E_YPBPR_Y/A_AV1C_Y
E_AV1_FB
*C3005
50V
560p
*C3107
10V
10u
C3013
50V
560p
C3007
50V
560p
*C3064
50V
1000p
C3014
50V
560p
C3002
50V
560p
C3003
50V
560p
C3008
50V
560p
*C3065
50V
1000p
*C3109
10V
10u
C3010
50V
560p
*C3009
50V
560p
*C3108
10V
10u
*C3004
50V
560p
C3011
50V
560p
*C3012
50V
560p
C3095
16V
100u
*C3097
16V
100u
*FL3004
J0HABB000004
1
2
3
4
*FL3001
J0HABB000003
1
2
3
4
*FL3002
J0HABB000003
1
2
3
4
*FL3005
J0HABB000004
1
2
3
4
*FL3003
J0HABB000004
1
2
3
4
*JK3100A
K2HA7YYA0001
Y
PB
G
L
R
G
R
G
L
PR
*JK3001
K1FB315A0006
1
2
3
4
5
6
7
8
9
10
11
12
13
14
15
*JK3003
K1FY121A0002
1
2
3
4
5
6
7
8
9
10
11
12
13
14
15
16
17
18
19
20
21
*JK3002
K1FY121A0002
1
2
3
4
5
6
7
8
9
10
11
12
13
14
15
16
17
18
19
20
21
L3017
J0JCC0000100
*L3009
J0JCC0000100
L3018
J0JCC0000100
L3002
J0JCC0000100
L3003
J0JCC0000100
L3007
J0JCC0000100
L3011
J0JCC0000100
*L3004
J0JCC0000100
L3014
J0JCC0000100
*L3008
J0JCC0000100
*L3005
J0JCC0000100
L3010
J0JCC0000100
L3006
J0JCC0000100
L3015
J0JCC0000100
R3228
JS3020
JS3001
JS3000
JS3009
VJUMP1608-S
JS3010
VJUMP1608-S
JS3012
JS3013
JS3014
JS3015
VJUMP1608-S
JS3016
JS3018
JS3019
JS3011
JS3008
VJUMP1608-S
JS3007
VJUMP1608-S
R3229
Q3001
2SD0601A0L
Q3000
2SD0601A0L
*Q3002
2SD0601A0L
*Q3003
2SD0601A0L
*Q3004
2SD0601A0L
*Q3005
2SD0601A0L
R3024
100k
1%
*R3079
150
*R3227
4.7k
1%
*R3082
150
1%
*R3081
150
1%
*R3204
150
*R3009
2.2k
1%
*R3073
150
R3004
22k
1%
*R3098
150
1%
*R3083
150
1%
*R3182
13k
*R3200
0
*R3174
100k
1%
*R3104
150
R3025
100k
*R3008
2.2k
*R3153
68
*R3089
68
R3199
0
1%
*R3092
21.5k
1%
R3167
75
1%
R3193
150
1%
R3097
150
1%
*R3234
75
1%
*R3205
150
*R3011
100k
R3169
100k
R3002
22k
R3005
22k
1%
*R3230
75
1%
*R3232
75
1%
R3075
150
*R3226
4.7k
1%
R3084
75
1%
R3077
150
R3001
22k
1%
*R3091
21.5k
*R3006
100k
R3019
2.2k
1%
*R3094
13k
*R3013
2.2k
1%
R3102
150
1%
R3188
150
1%
*R3087
150
1%
R3076
150
R3021
2.2k
*R3012
2.2k
1%
R3072
150
1%
R3086
75
*R3007
100k
R3003
22k
1%
*R3172
75
*R3010
100k
1%
R3074
150
1%
R3085
75
1%
R3198
150
R3000
22k
<
CRNo.3000-3399
PC IN
AVSW
REAR TERMITAL
GND
GND(RED)
L IN
GND(VIDEO)
VIDEO OUT
GND
GND(PLUG)
L IN
TV L OUT
GND
VIDEO IN
BLUE IN
TV R OUT
YPBPR
R IN
FB IN
AUDIO
RED IN
GREEN IN
GND(PLUG)
VIDEO IN
GREEN IN
GND
AV1 SLOW
GND(AUDIO)
GND(BLK)
GND
Q-LINK
AV1
GND(GREEN)
TV R OUT
GND(AUDIO)
GND(BLUE)
Chroma/RED in
TV L OUT
R IN
BLUE IN
AV2
GND(VIDEO)
GND(BLK)
AV2 SLOW
TV VIDEO OUT
FB IN
IN
AUDIO
OUT
94 9593 9692 9997 9891
44
41
43
42
A-BOARD (11/16)
TXN/A1RPTB(B/E)
TXN/A1RPTE(P)
!
TH-42PY80P, PZ80B/E
A-Board (11/16) Schematic Diagram
TH-42PY80P, PZ80B/E
A-Board (11/16) Schematic Diagram

Table of Contents

Related product manuals