EasyManua.ls Logo

Panasonic TH-42PY80P - P-Board Schematic Diagrams

Panasonic TH-42PY80P
143 pages
Print Icon
To Next Page IconTo Next Page
To Next Page IconTo Next Page
To Previous Page IconTo Previous Page
To Previous Page IconTo Previous Page
Loading...
40
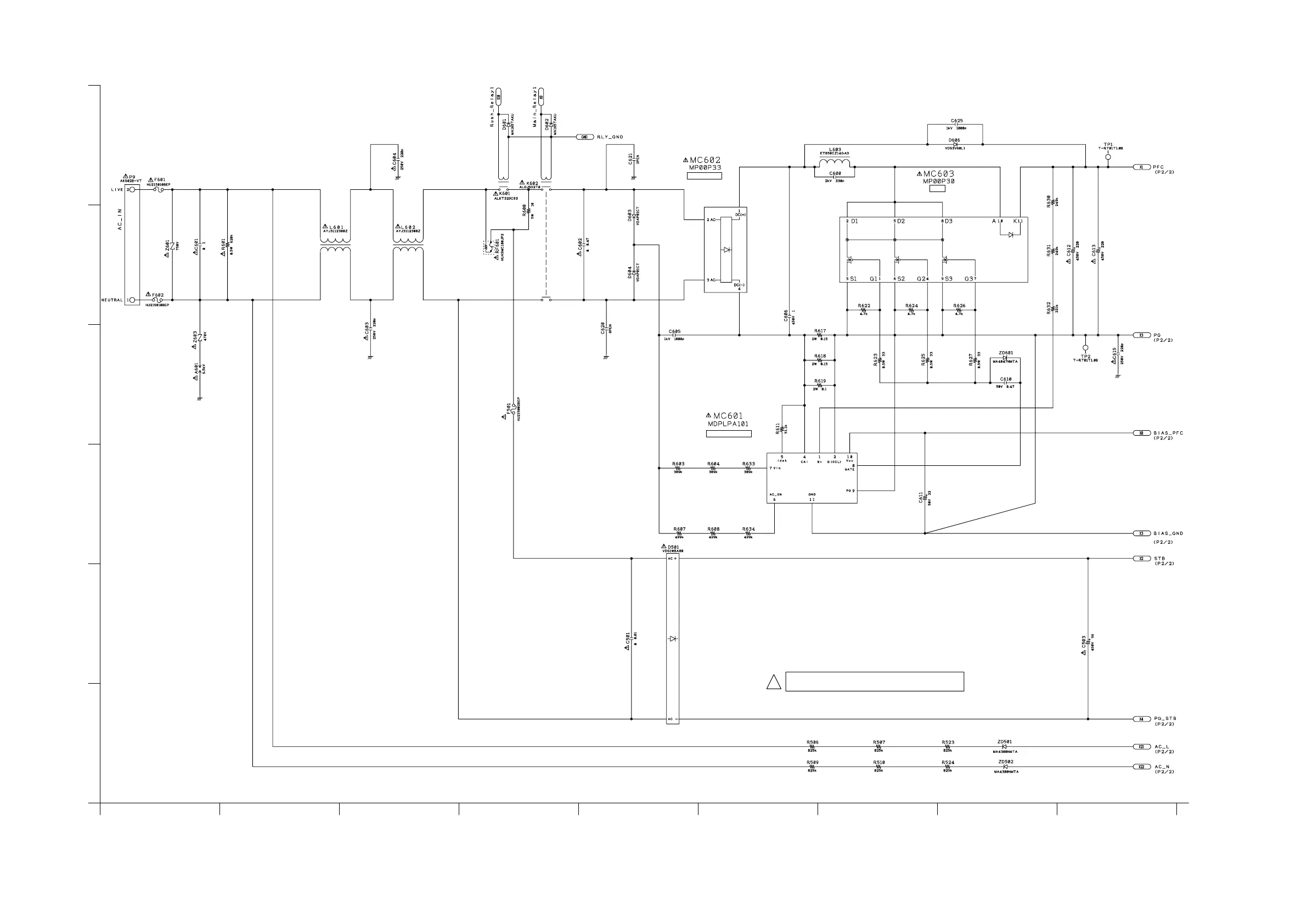
11.2. P-Board (1/2) Schematic Diagram
C
32
B
A
E
657
D
14
F
89
TH-42PY80P, PZ80B/E
P-Board (1/2) Schematic Diagram
TH-42PY80P, PZ80B/E
P-Board (1/2) Schematic Diagram
TO
AC CORD
!
P-BOARD ETX2MM702MFH (1/2)
<Exchange board only>
PFC CONTROL
<Exchange board only>
RECTIFIER
<Exchange board only>
PFC

Table of Contents

Related product manuals