EasyManua.ls Logo

Panasonic TH-42PY80P - P-Board (2;2) Schematic Diagram

Panasonic TH-42PY80P
143 pages
Print Icon
To Next Page IconTo Next Page
To Next Page IconTo Next Page
To Previous Page IconTo Previous Page
To Previous Page IconTo Previous Page
Loading...
41
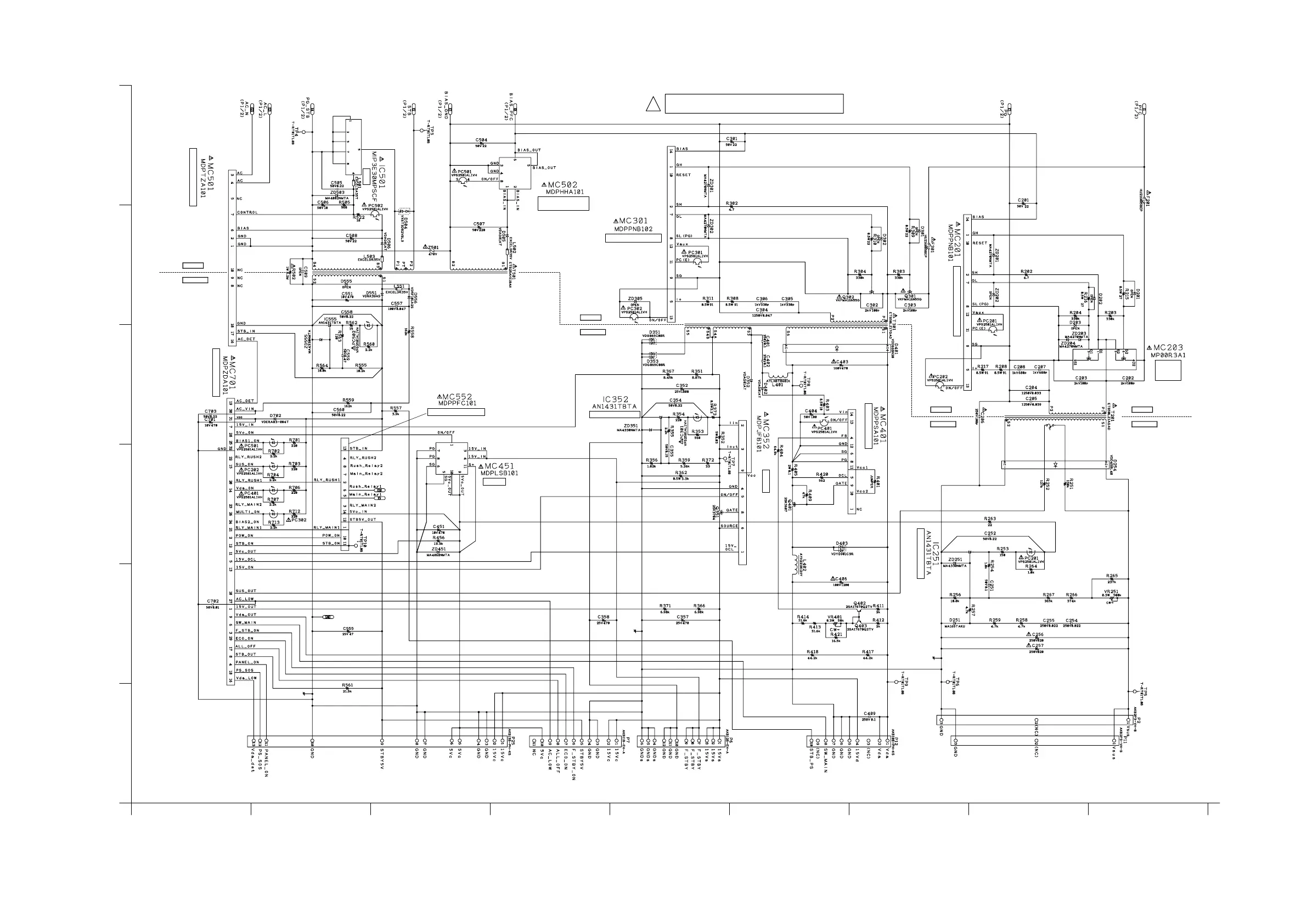
11.3. P-Board (2/2) Schematic Diagram
POWER CONTROL
<Exchange board only>
C
32
B
A
E
657
D
14
F
89
TH-42PY80P, PZ80B/E
P-Board (2/2) Schematic Diagram
TH-42PY80P, PZ80B/E
P-Board (2/2) Schematic Diagram
TO
SC-BOARD
(SC2)
TO
SS-BOARD
(SS11)
TO
SS-BOARD
(SS12)
TO
A-BOARD
(A6)
TO
A-BOARD
(A6)
TO
A-BOARD
(A25)
COLD
HOT
COLD
HOT
COLD
HOT
COLD
HOT
POWER MICOM
<Exchange board only>
CONTROL SWITCH
<Exchange board only>
IPD
BIAS/PFC/MULTI
CONTROL
<Exchange board only>
POWER CONTROL
<Exchange board only>
Vsus POWER CONTROL
<Exchange board only>
Vda CONTROL
<Exchange board only>
Vsus
POWER
SUPPLY
<Exchange
board only>
15VON
<Exchange
board only>
+5V(P)
<Exchange board only>
+15V ERROR DET
Vsus ERROR DET
!
P-BOARD ETX2MM702MFH (2/2)

Table of Contents

Related product manuals