EasyManua.ls Logo

Panasonic TH-65PF10WK - P-Board (1 of 2) Block Diagram

Panasonic TH-65PF10WK
191 pages
To Next Page IconTo Next Page
To Next Page IconTo Next Page
To Previous Page IconTo Previous Page
To Previous Page IconTo Previous Page
Loading...
TH-65PF10WK/TK
40
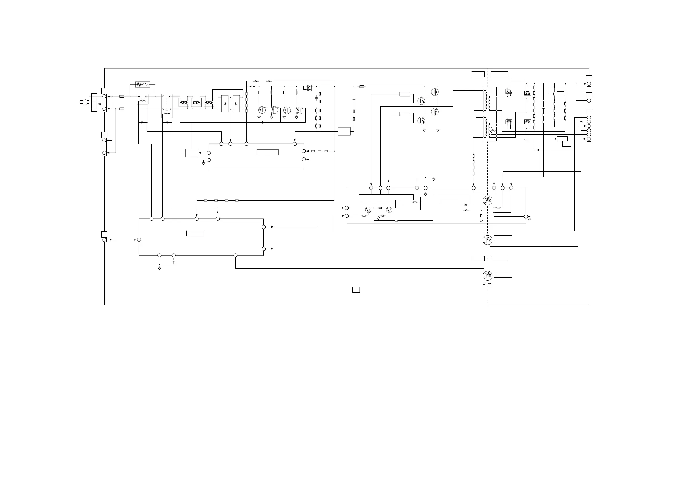
10.2. P-Board (1 of 2) Block Diagram
L.F L.F L.F
+
D1601
F1601
F1602
D1602
L1601 L1602 L1603
R1607
R1605
R1606
R1608
Q1602
G
D
S
Q1603
G
D
S
Q1607
G
D
S
Q1606
G
D
S
D1606
R1635
R1636
R1631
C1620
R1639
R1638
R1637
R1633
R1632
D1605 D1609
ZD1602
F201
R1644 R1642
R1643
R219R221
R222
R220
Q203
G
D
S
Q204
G
D
S
Q202
G
D
S
Q201
G
D
S
K1601
AC CORD
3
P9
K1602
1
RF1601 3A
AC+
AC-
+AC
-AC
L1604
PFC
OVP
9
ON/OFF
4
Q1608
Q1609
1
+SOCL
3
(IDET)
7
11
GATE
6
GND
Q1604
Q1605
MC1601
<Exchange board only>
PFC MODULE
MAIN
7
RUSH
8
RELAY RELAY
6
BIAS-PFC
(VCC-OUT)
PFC-SUS
15
Q206
Q205
2
VDD
V+
9
I+
SH
24
0V
25
SLGL
12
VCCSG
IRS
13
GH
BIAS
Vsus
510
ON/OFF
I+
6
VCO
STOP
22
23
1
P1
P2
P2
T201
P1
Zero Voltage
Switching Controller
MC201
<Exchange board only>
POWER SUPPLY
Vsus
TO SS11
R278
P11
C255
R260
S1
D251
Vsus
R282
R279
R261
Vsus
R264
S2
R267
1
D252
R277
S2
P2
R257
R262
T2
R266
S1
VR251
T1
D255
R281
D253
TO SC2
D254
VSUS
R280
C256
R268
R254
1
R265
PC201
PC202
PFC ON/OFF
Vsus ON/OFF
RELAY/
<Exchange board only>
PFC CONTROL MODULE
MC202
(18V)
VCC
10
VIN
(VDET)
H:ON
L:ON
3
SUS
ON/OFF
PFC
11
ON/OFF
2
ON/OFF
BIAS
L:ON
4
P52
1
1
P54
1
VCC-IN
5
TIMING
4
-GND
CAP
BIAS
GND
P56
PFC_ON
Vs_STOP
7
1
5Vc_OUT
2
6
TO P55
Vs_OUT
8
HV(SUS)_ON
STB_IN5
Q251
AC_N
AC_L
VSUS_VCC
COLD
HOT
COLDHOT
TO P51
TO P53
D1603 D1604
AC INLET
POWER SUPPLY 1/2P
(+4.7V)
Vsus 178V
TH-65PF10WK/TK
P-Board (1 of 2) Block Diagram
TH-65PF10WK/TK
P-Board (1 of 2) Block Diagram

Table of Contents

Related product manuals