EasyManua.ls Logo

Panasonic TX-PR42U10 - Page 35

Panasonic TX-PR42U10
139 pages
Print Icon
To Next Page IconTo Next Page
To Next Page IconTo Next Page
To Previous Page IconTo Previous Page
To Previous Page IconTo Previous Page
Loading...
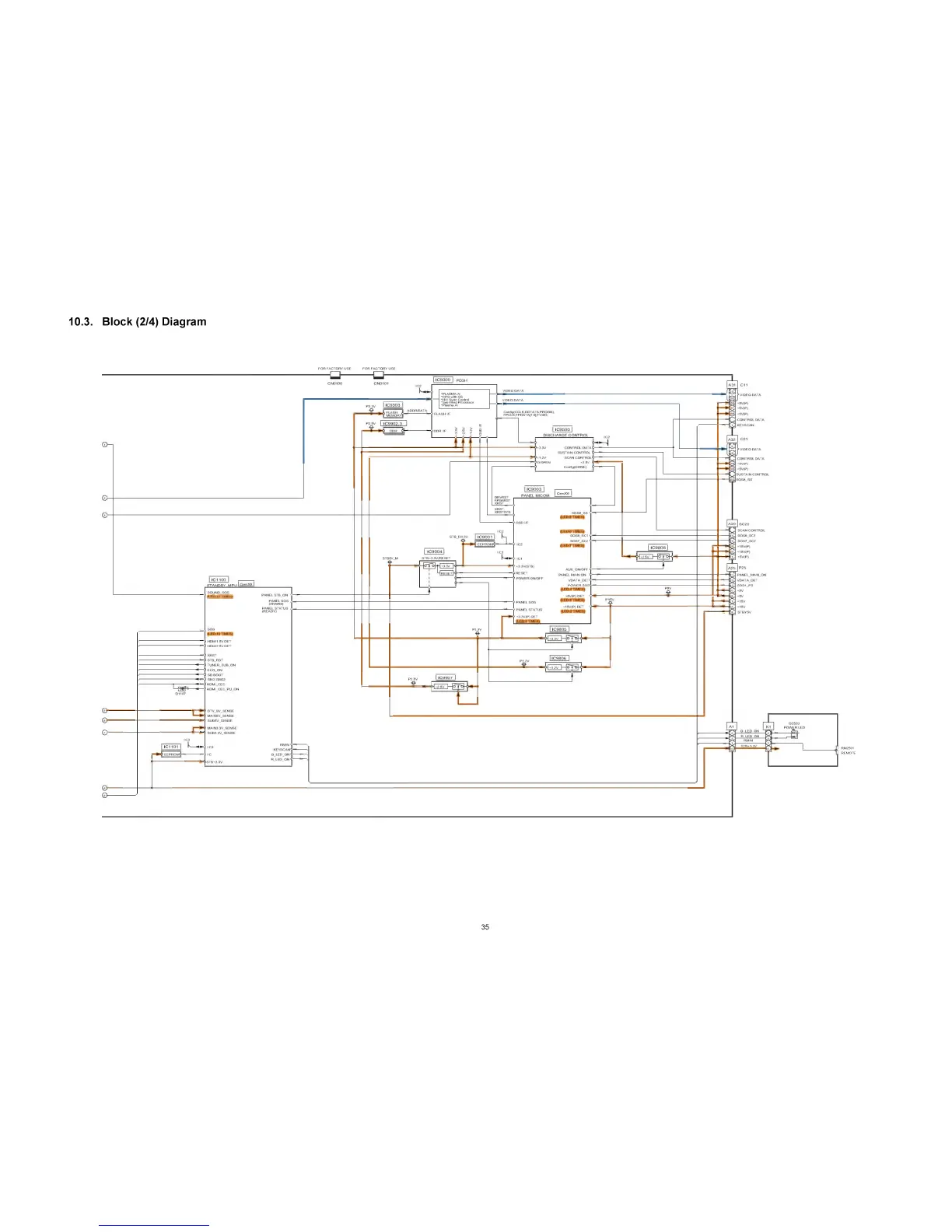
10.3. Block (2/4) Diagram
FOR FACTORY USE FOR FACT ORY USE
I RM2501
I REM OTE
35

Table of Contents

Related product manuals