EasyManua.ls Logo

Panasonic TX-PR42U10 - Block Diagram

Panasonic TX-PR42U10
139 pages
Print Icon
To Next Page IconTo Next Page
To Next Page IconTo Next Page
To Previous Page IconTo Previous Page
To Previous Page IconTo Previous Page
Loading...
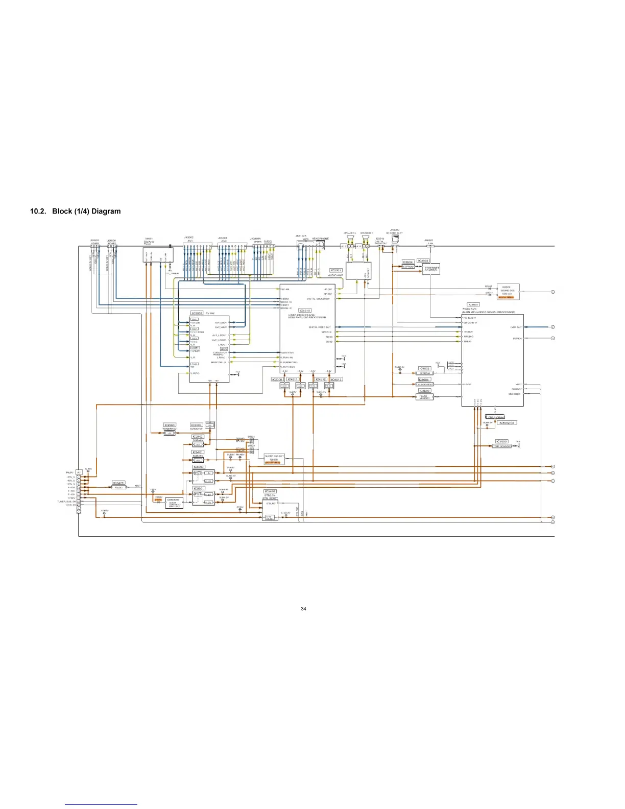
10.2. Block (1/4) Diagram
JK 83 02
SPE AKER L SP EAKER R SD CARD SLOT
34

Table of Contents

Related product manuals