EasyManua.ls Logo

Panasonic YP-100PF - Page 67

Panasonic YP-100PF
72 pages
Print Icon
To Next Page IconTo Next Page
To Next Page IconTo Next Page
To Previous Page IconTo Previous Page
To Previous Page IconTo Previous Page
Loading...
63
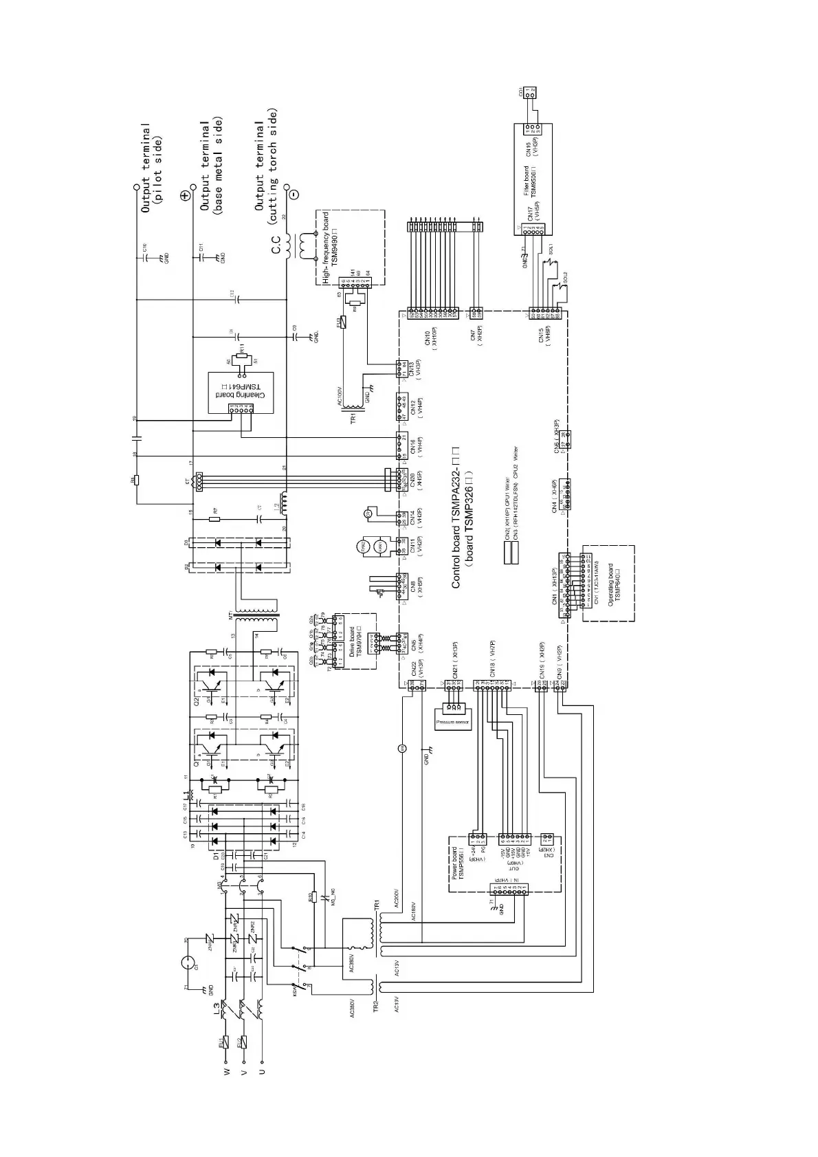
14 Circuit diagram (continue)
YP-100PF Circuit diagram

Table of Contents