EasyManua.ls Logo

Panasonic YP-100PF - 14 Circuit Diagram

Panasonic YP-100PF
72 pages
Print Icon
To Next Page IconTo Next Page
To Next Page IconTo Next Page
To Previous Page IconTo Previous Page
To Previous Page IconTo Previous Page
Loading...
62
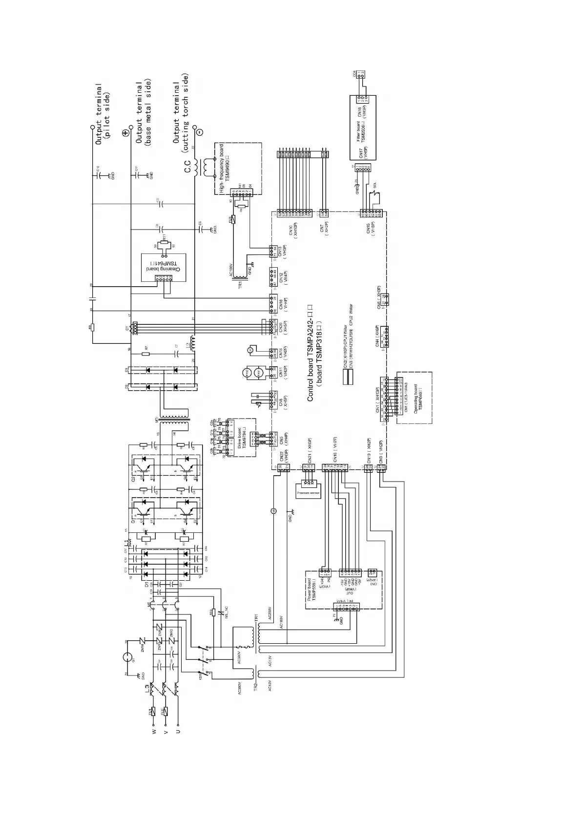
14 Circuit diagram
YP-060PF Circuit diagram

Table of Contents