EasyManua.ls Logo

Partner PT-6212 - Figure 6.2 Exploded Diagram Printer Parts

Partner PT-6212
72 pages
Print Icon
To Next Page IconTo Next Page
To Next Page IconTo Next Page
To Previous Page IconTo Previous Page
To Previous Page IconTo Previous Page
Loading...
62 APPENDIX
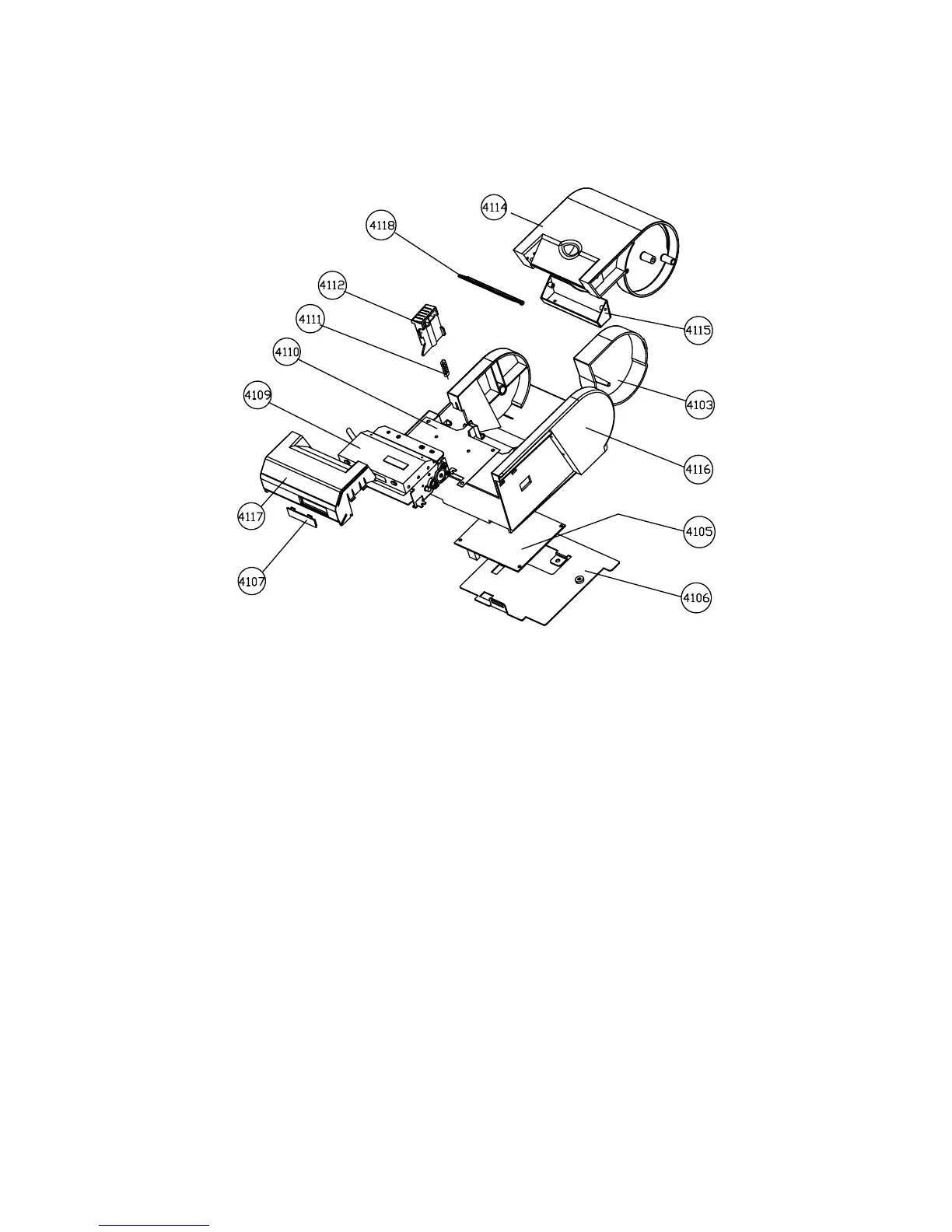
Exploded diagram printer partsFigure 6.2

Table of Contents

Related product manuals