EasyManua.ls Logo

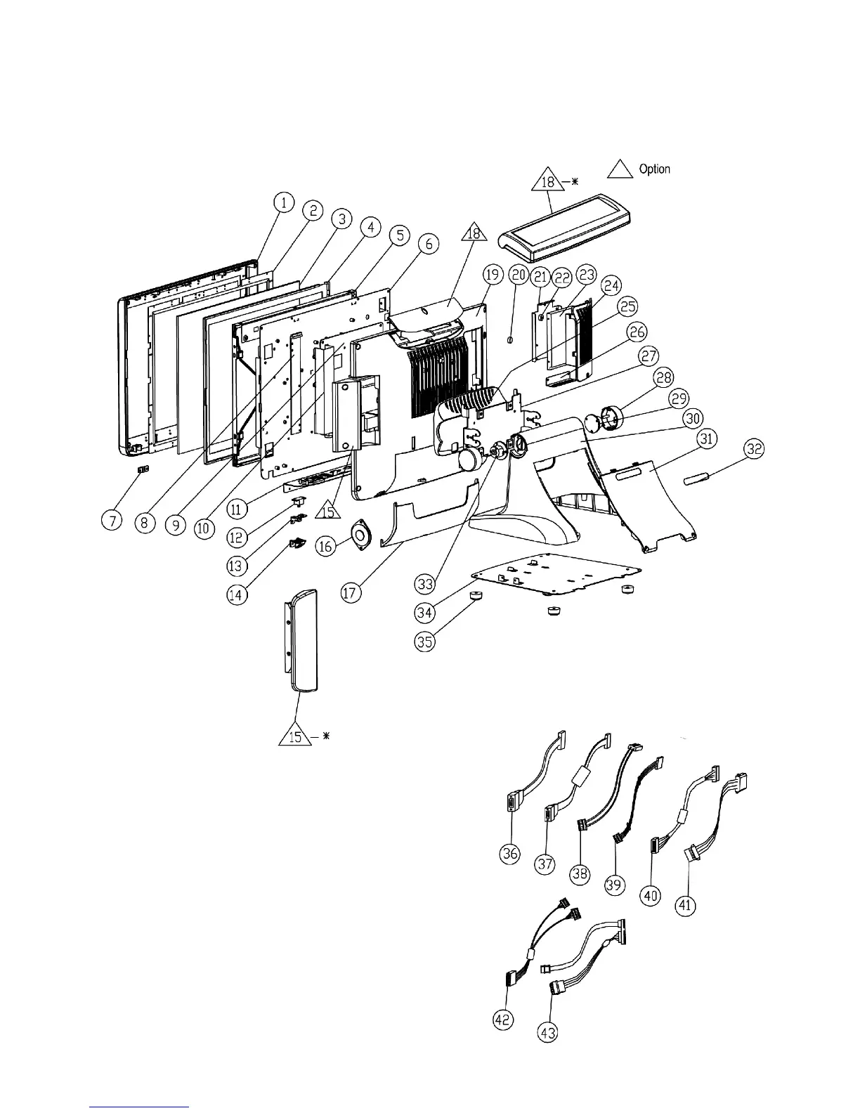
Partner SP-800 - Appendix Part List and Specification; Figure 6.1 Exploded Diagram Main Parts

Partner SP-800
70 pages
Print Icon
To Next Page IconTo Next Page
To Next Page IconTo Next Page
To Previous Page IconTo Previous Page
To Previous Page IconTo Previous Page
Loading...
57
APPENDIX
PART LIST AND SPECIFICATION
Figure 6.1 Exploded diagram main parts

Table of Contents

Other manuals for Partner SP-800

Related product manuals