EasyManua.ls Logo

Payne PH1Z024 - Page 3

Payne PH1Z024
28 pages
Print Icon
To Next Page IconTo Next Page
To Next Page IconTo Next Page
To Previous Page IconTo Previous Page
To Previous Page IconTo Previous Page
Loading...
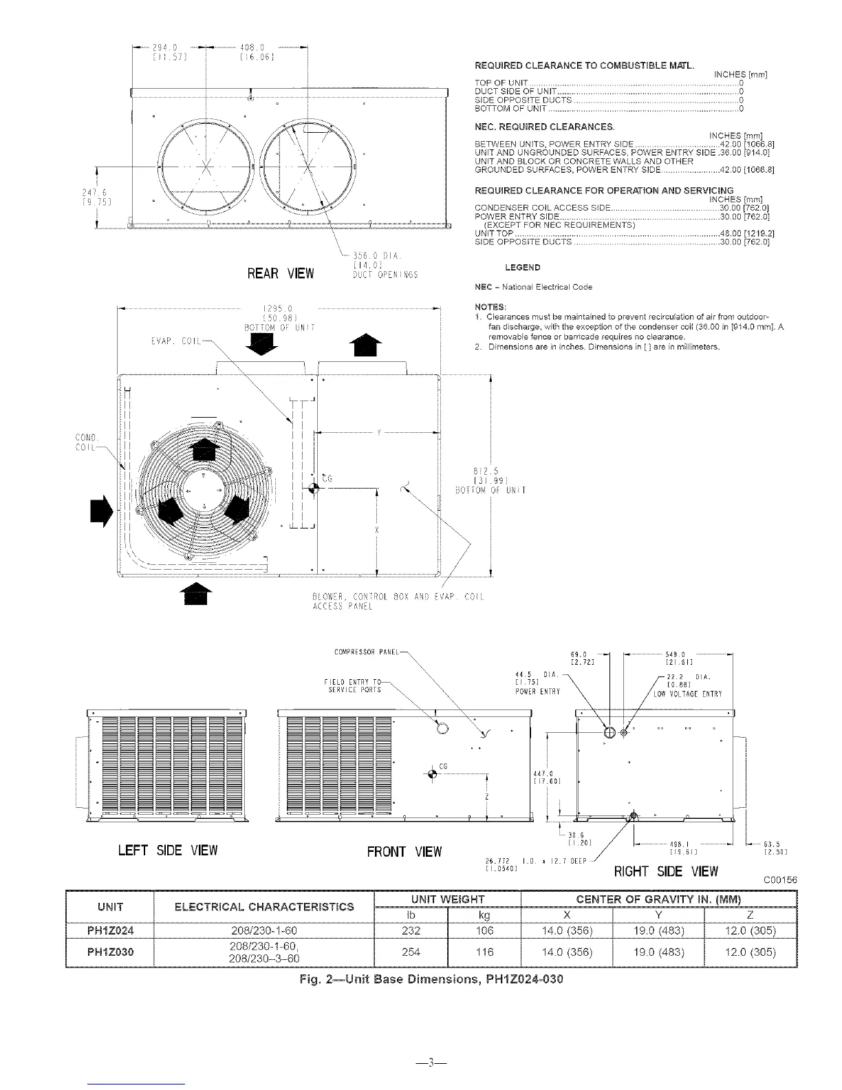
24_ 6
9 75]
('0_,1_
{OI -
I
P95'] 0 ......................... 408[ 6 06© ...................
REAR VIEW
..... 3S6 0 01A
1140}
DUCT OPENINGS
REQUIRED CLEARANCE TO COMBUSTIBLE MATL.
INCHES [mm}
TOP OF UNIT ......................................................................................... 0
DUCT SiDE OF UNIT ............................................................................. 0
SIDE OPPOSITE DUCTS ...................................................................... 0
BOTTOM OF UNIT ................................................................................. 0
NEC. REQUIRED CLEARANCES,
INCHES [mini
BETWEEN UNITS, POWER ENTRY SIDE .................................... 4200 11066 8I
UNITAND UNGROUNDED SURFACES, POWER ENTRY SIDE 3600 [914 0]
UNIT AND BLOCK OR CONCRETE WALLS AND OTHER
GROUNDED SURFACES, POWER ENTRY SIDE ......................... 4200 11066 8]
REQUIRED CLEARANCE FOR OPERATION AND SERVICING
INCHES [mini
CONDENSER COIL ACCESS SIDE .............................................. 30.00 [762 0]
POWER ENTRY SIDE ............................................................... 3000 [762 0]
(EXCEPT FOR NEC REQUIREMENTS)
U NIT TOP ...................................................................................... 48.00 [12192]
SIDE OPPOSITE DUCTS .............................................................. 3000 [762 0]
LEGEND
NEC - National Electrical Code
NOTES:
1 Clearances must be maintained to prevent recircuJation of air from outdoor-
fan discharge, with the exception of the condenser coil (3600 in [9140 mini A
removaNe fence or barricade requires no clearance.
2. Dimensions are in inches Dimensions irl I ] are in millimeters.
82
131 99J
wOO, ()F UN I
BLC'_,[ R, COq 1!OI O 'Z A1 ) / A_ ( O I
ACCESS P&NEL
UNIT
PN1Z024
PN1Z030
COMPRESSOR PANEL N
\\\\\\
FIELD ENTRY TO_
SERVICE PORTS _\
\\\\
LEFT SIDE VIEW
ELECTRICAL CNARACTERBSTICS
208/230-1-60
208/230-1-60,
208/230-3-60
FRONT VIEW
26.772
[I.05403
UNIT WEIGHT
tb kg
232 106
254 116
I.D x 12.7 DEEP /
[1961]
RIGHT SIDE VIEW
635
[250]
C00156
CENTER OF GRAVITY IN. (MM)
X Y Z
14.0 (356) 19.0 (483) 12.0 (305)
14.0 (356) 19.0 (483) 12.0 (305)
Fig, 2--Unit Base Dimensions, PHIZ024o030
3

Related product manuals