EasyManua.ls Logo

Payne PH1Z024 - Page 4

Payne PH1Z024
28 pages
Print Icon
To Next Page IconTo Next Page
To Next Page IconTo Next Page
To Previous Page IconTo Previous Page
To Previous Page IconTo Previous Page
Loading...
241 6
29 0 _ 4080
Z222222222222ZZZZZZZZII_
.... o o
REAR VIEW
\
' 3560 )A
[4 o}
DUCT ©PES, NGS
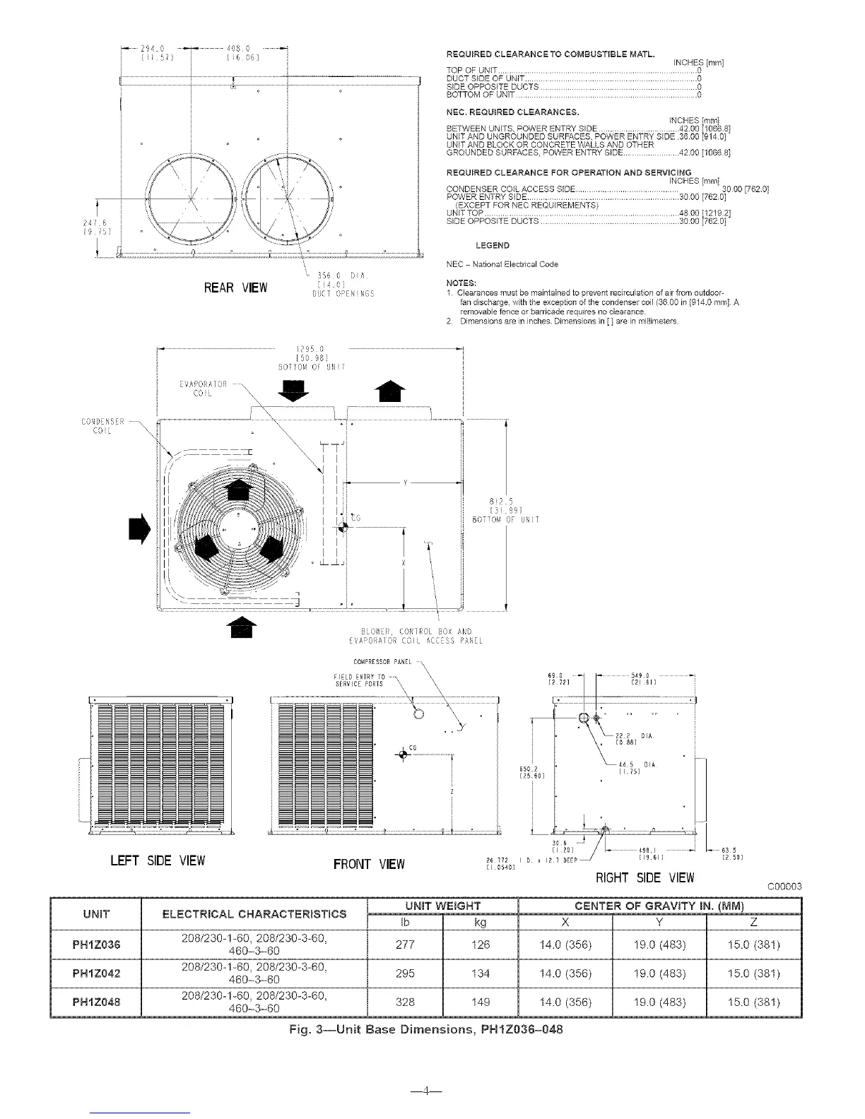
REQUIRED CLEARANCETO DOMgUSTIBLE MATL.
INCHES [mm]
TOP OF UNiT ......................................................................................... 0
DUCT StDE OF UNIT ............................................................................. 0
SIDE OPPOSITE DUCTS ...................................................................... 0
BOTTOM OF UNIT ................................................................................. O
NEC. REQUIRED CLEARANCES.
INCHES [mrn]
BETWEEN UNITS, POWER ENTRY SIDE .................................... 4200 I066 8]
UN T AND UNGROUNDED SURFACES, POWER ENTRY S DE ¸36¸00 9 40
UNIT AND BLOCK OR CONCRETE WALLS AND OTHER
GROUNDED SURFACES, POWER ENTRY S_DE......................... 42¸00 [1066 8]
REQUIRED CLEARANCE FOR OPERATION AND SERVICING
INCHES [mini
CONDENSER COIL ACCESS SIDE .............................................. 3000 [762 0]
POWER ENTRY SIDE .................................................................... 3000 [762 0]
(EXCEPT FOR NBC REQUIREMENTS)
UNIT TOP ....................................................................................... 4800 [I 2192]
SIDE OPPOSITE DUCTS .............................................................. 3000 [762 0]
LEGEND
NEC - National Electrical Code
NOTE8:
1 Clearances must be maintained to prevent recircu[ation of air from outdoor-
fan discharge, with the exception of the condenser coil (3600 in [9140 mini A
removable fence or barricade requires no clearance
2 DimenRons are in inches Dimensions in [ ] are in millimeters
CONDE 4SE_
(0{
i,
BLC,WER, CCNIROL BOX AND
E,_#PORAIOR COIL ACCESS PANEL
COMPRESSOR PANEL
\
..9
i
26 772 I D I 12 7 DEEP J [19 61] [250]
LEFT SIDEVIEW FRONTVIEW _,o_o_
RIGHT SIDE VIEW
C00003
UNIT WEIGHT
UNIT ELECTRICAL CHARACTERISTICS
Ib kg X Y
208/230-1-60, 208/230-3-60,
PNlZ036 460-3-60 277 126 14.0 (356) 19.0 (483)
208/230_1-60, 208/230-3_60,
PNlZ042 460-3-60 295 134 14.0 (356) 19.0 (483)
208/230_1-60, 208/230-3_60,
PNlZ048 460-3-60 328 149 14.0 (356) 19.0 (483)
Fig. 3--Unit Base Dimensions, PBIZ036=048
CENTER OF GRAVITY IN, (MM)
Z
15.0(381)
150 (381)
150 (381)
4

Related product manuals