EasyManua.ls Logo

Pentair UltraTemp-E - Page 120

Pentair UltraTemp-E
192 pages
Print Icon
To Next Page IconTo Next Page
To Next Page IconTo Next Page
To Previous Page IconTo Previous Page
To Previous Page IconTo Previous Page
Loading...
120 UltraTemp®-E
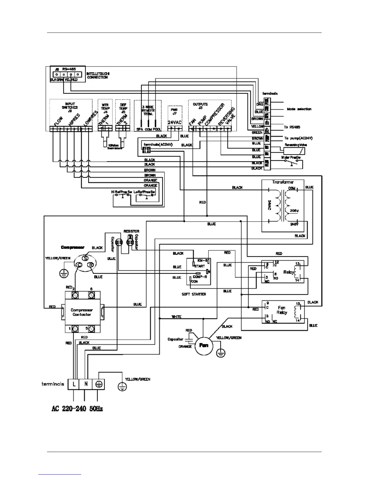
Aansluitschema Ultratemp-E 15
Controlepaneel warmtepomp

Table of Contents

Related product manuals