EasyManua.ls Logo

Pentair UltraTemp-E - Informations Techniques

Pentair UltraTemp-E
192 pages
Print Icon
To Next Page IconTo Next Page
To Next Page IconTo Next Page
To Previous Page IconTo Previous Page
To Previous Page IconTo Previous Page
Loading...
55
Informations techniques
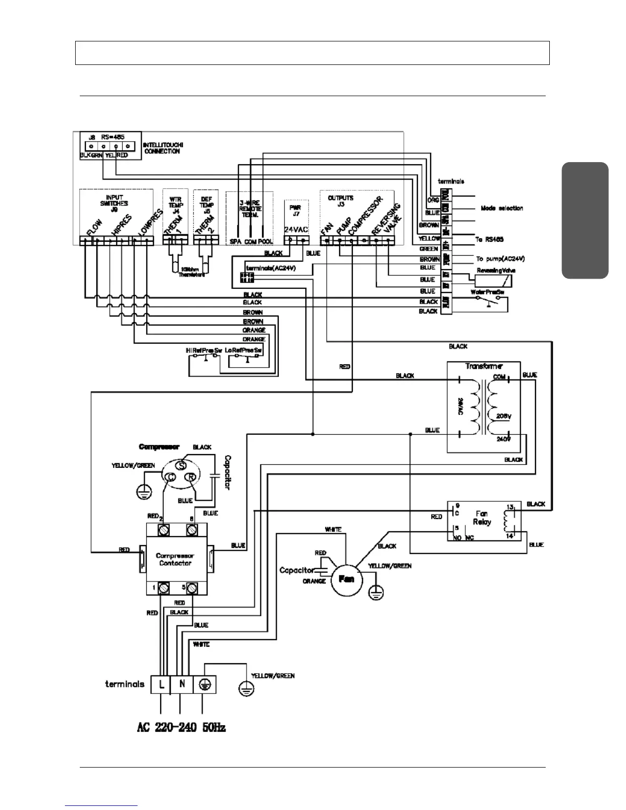
Schéma de câblage Ultratemp-E 08, Ultratemp-E10 et Ultratemp-E 12
Panneau de con
trôle de la pompe
à chaleur
FRANCAIS

Table of Contents

Related product manuals