EasyManua.ls Logo

Pentair UltraTemp-E - Technische Informatie

Pentair UltraTemp-E
192 pages
Print Icon
To Next Page IconTo Next Page
To Next Page IconTo Next Page
To Previous Page IconTo Previous Page
To Previous Page IconTo Previous Page
Loading...
119
Technische informatie
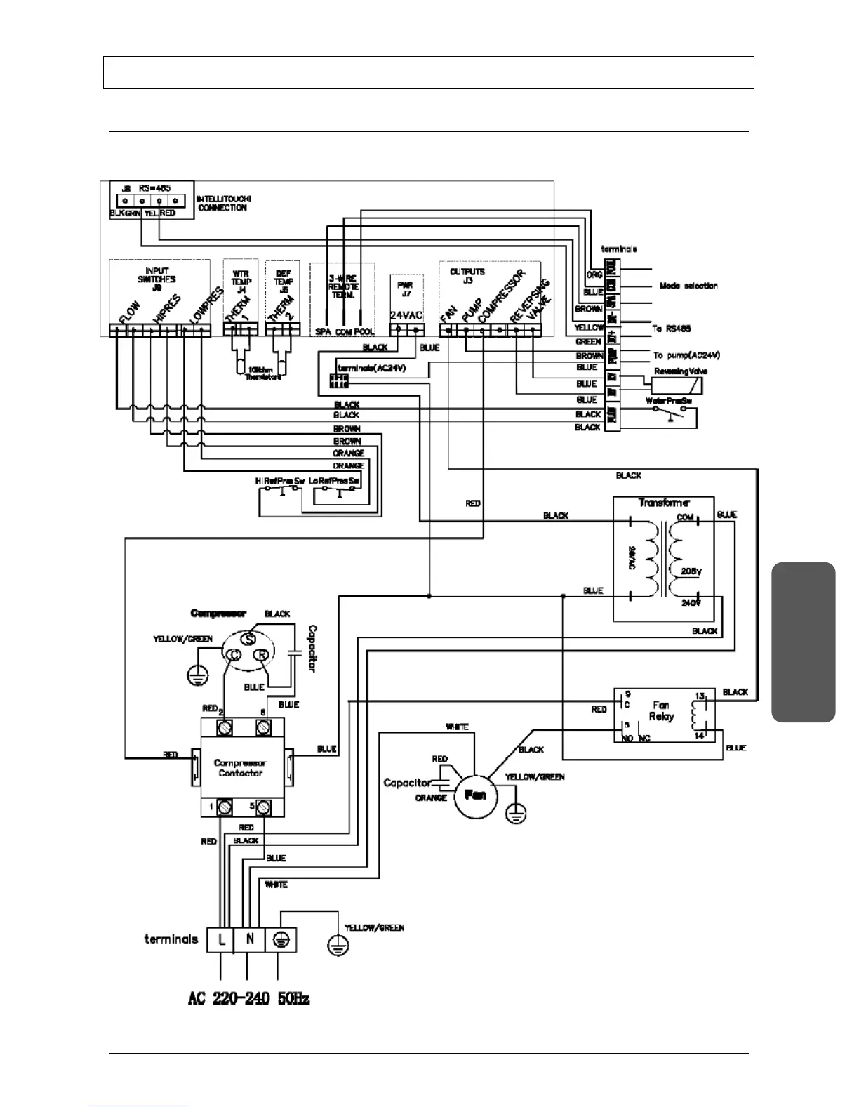
Aansluitschema Ultratemp-E 08, Ultratemp-E10 en Ultratemp-E 12
Control
epaneel warmtepomp
NEDERLANDS

Table of Contents

Related product manuals