EasyManua.ls Logo

Pentair UltraTemp-E - Technical Specifications and Diagrams; Wiring Diagrams for Models 08-12

Pentair UltraTemp-E
192 pages
Print Icon
To Next Page IconTo Next Page
To Next Page IconTo Next Page
To Previous Page IconTo Previous Page
To Previous Page IconTo Previous Page
Loading...
23
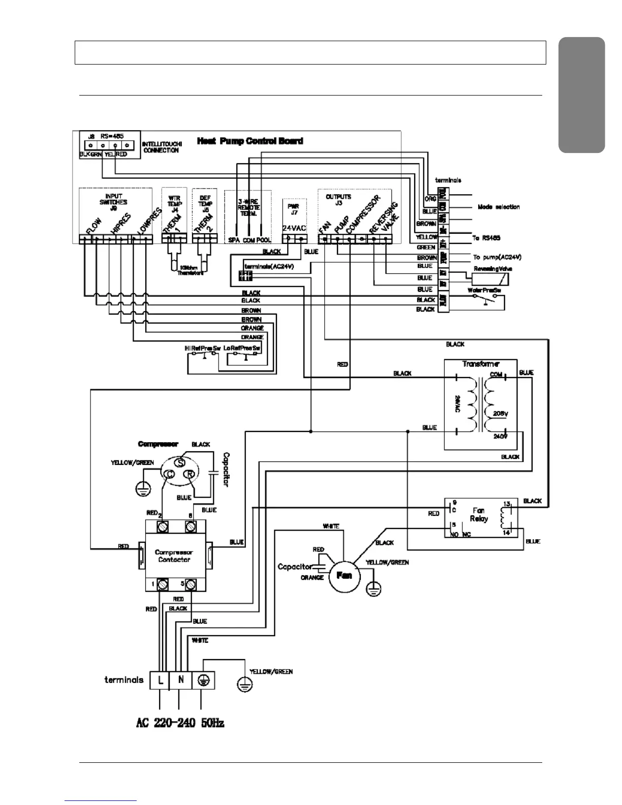
Technical Information
Wiring diagram Ultratemp-E 08, Ultratemp-E10 and Ultratemp-E 12
ENG
LISH

Table of Contents

Related product manuals