EasyManua.ls Logo

Pentair UltraTemp-E - Technische Daten

Pentair UltraTemp-E
192 pages
Print Icon
To Next Page IconTo Next Page
To Next Page IconTo Next Page
To Previous Page IconTo Previous Page
To Previous Page IconTo Previous Page
Loading...
87
Technische Daten
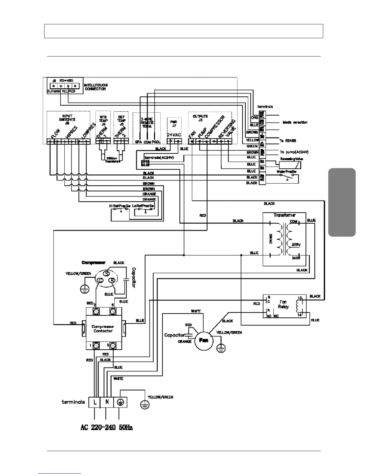
Verdrahtungsplan für UltraTemp-E 08, UltraTemp-E 10 und UltraTemp-E 12
Bedienfeld der Wärmepumpe
DEUTSCH

Table of Contents

Related product manuals