EasyManua.ls Logo

Pentair UltraTemp-E - Page 88

Pentair UltraTemp-E
192 pages
Print Icon
To Next Page IconTo Next Page
To Next Page IconTo Next Page
To Previous Page IconTo Previous Page
To Previous Page IconTo Previous Page
Loading...
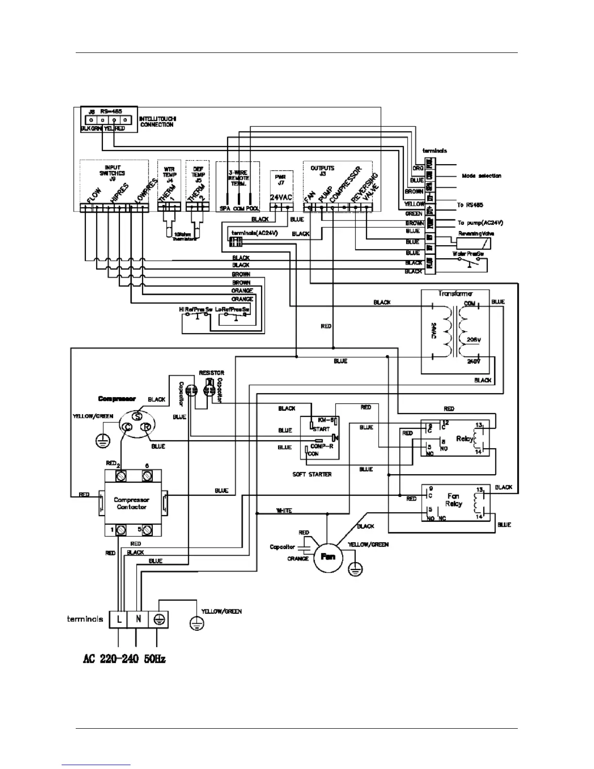
88 UltraTemp®-E
Verdrahtungsplan für UltraTemp-E 15
Bedienfeld der Wärmepumpe

Table of Contents

Related product manuals